GM Service Manual Online
For 1990-2009 cars only

Removal Procedure

  1. Remove the shift control boot. Refer to Floor Shift Control Boot Replacement .
  2. Remove the center console assembly. Refer to Front Floor Console Replacement in Instrument Panel, Gages and Console.

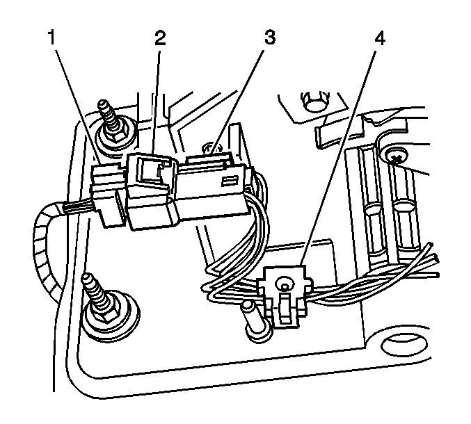
  3. Object Number: 834512  Size: SH
  4. Disconnect the wiring harness connector (1) from the shift lock control pigtail connector (2).
  5. Slide the pigtail connector (2) off of the retainer (3).
  6. Remove the pigtail harness from the wire retainer (4).

  7. Object Number: 801326  Size: SH
  8. Remove the three shift lock actuator attaching screws (1).
  9. Remove the shift lock actuator (2) from the shift control assembly.

Installation Procedure


    Object Number: 801326  Size: SH
  1. Install the shift lock actuator (2) to the shift control assembly.
  2. Install the three shift lock actuator attaching screws (1).

  3. Object Number: 834512  Size: SH
  4. Slide the pigtail connector (2) onto the retainer (3).
  5. Connect the wiring harness connector (1) to the shift lock control pigtail connector (2).
  6. Install the pigtail harness into the wire retainer (4).
  7. Install the center console assembly. Refer to Front Floor Console Replacement in Instrument Panel, Gages and Console.
  8. Install the shift control boot. Refer to Floor Shift Control Boot Replacement .