|
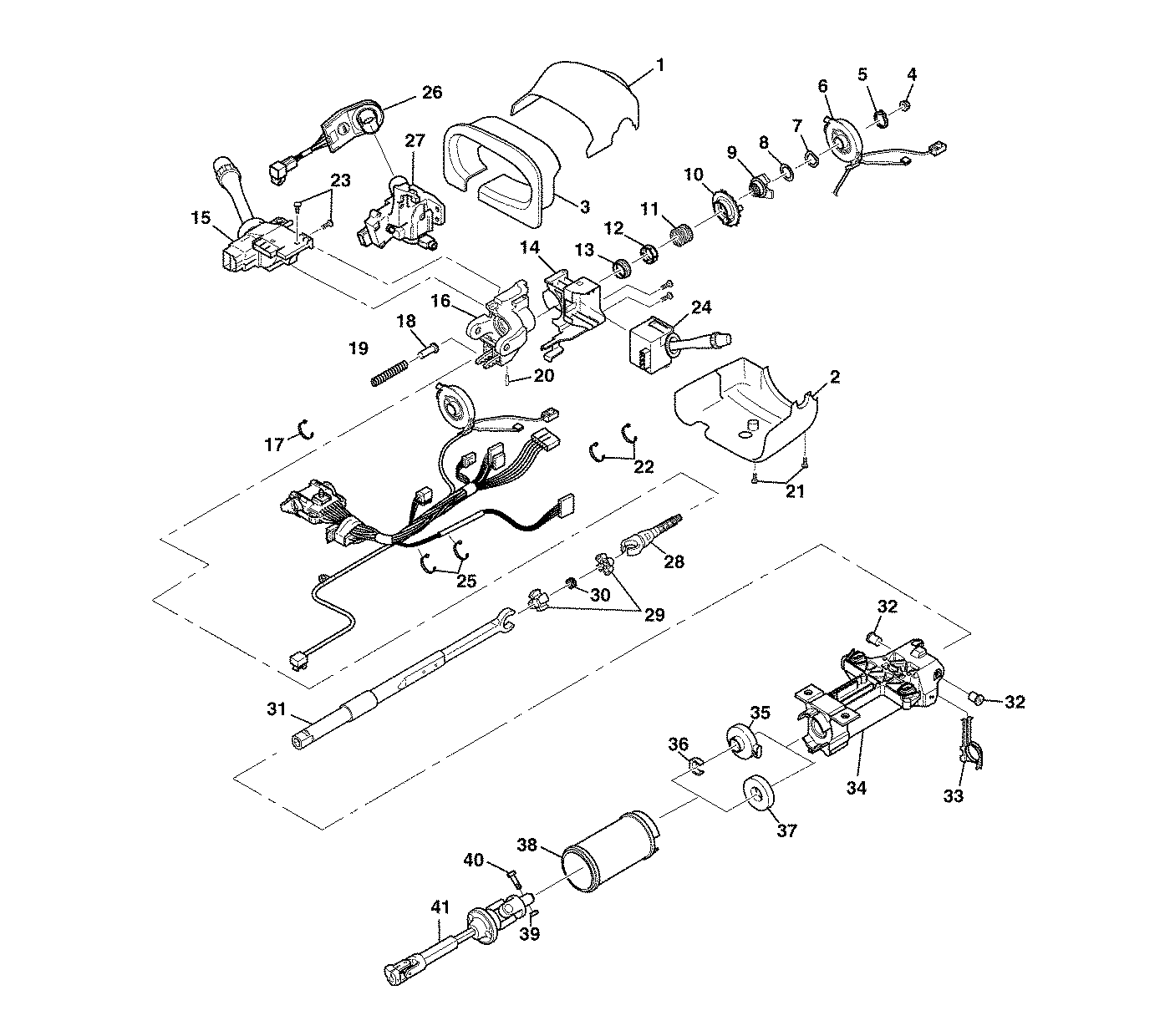
| (1) | Upper
Trim Cover |
| (2) | Lower Trim Cover |
| (3) | Steering
Column Closeout Trim |
| (4) | Flanged
Prevailing Torque Nut |
| (5) | Retaining
Ring |
| (6) | SIR Coil |
| (7) | Wave Washer |
| (8) | Bearing Retainer |
| (9) | Cam Orientation Plate |
| (10) | Turn Signal Cancel Cam |
| (11) | Upper Bearing Spring |
| (12) | Upper
Bearing Inner Race Seat |
| (13) | Inner
Race |
| (14) | Switch
Mounting Bracket |
| (15) | Turn
Signal and Multifunction Switch Assembly |
| (16) | Steering
Column Tilt Head Assembly |
| (17) | Wire
Strap |
| (18) | Spring
Guide |
| (19) | Tilt
Spring |
| (20) | Pin |
| (21) | Pan Head Tapping Screws |
| (22) | Wire Straps |
| (23) | Pan
Head Tapping Screws |
| (24) | Window
Washer and Wiper Switch Assembly |
| (25) | Wire
Straps |
| (26) | Theft
Deterrent |
| (27) | Ignition
Lock Cylinder Case |
| (28) | Race and Upper Shaft |
| (29) | Centering Sphere |
| (30) | Joint
Preload Spring |
| (31) | Lower Steering Shaft |
| (32) | Pivot Pins |
| (33) | Wire Strap |
| (34) | Steering Column Jacket Assembly |
| (35) | Steering Column Position Sensor |
| (36) | Sensor Clip |
| (37) | Sensor Seal |
| (38) | Boot |
| (39) | Bolt Retainer |
| (40) | Pinch Bolt |
| (41) | Intermediate Shaft Assembly |