GM Service Manual Online
For 1990-2009 cars only
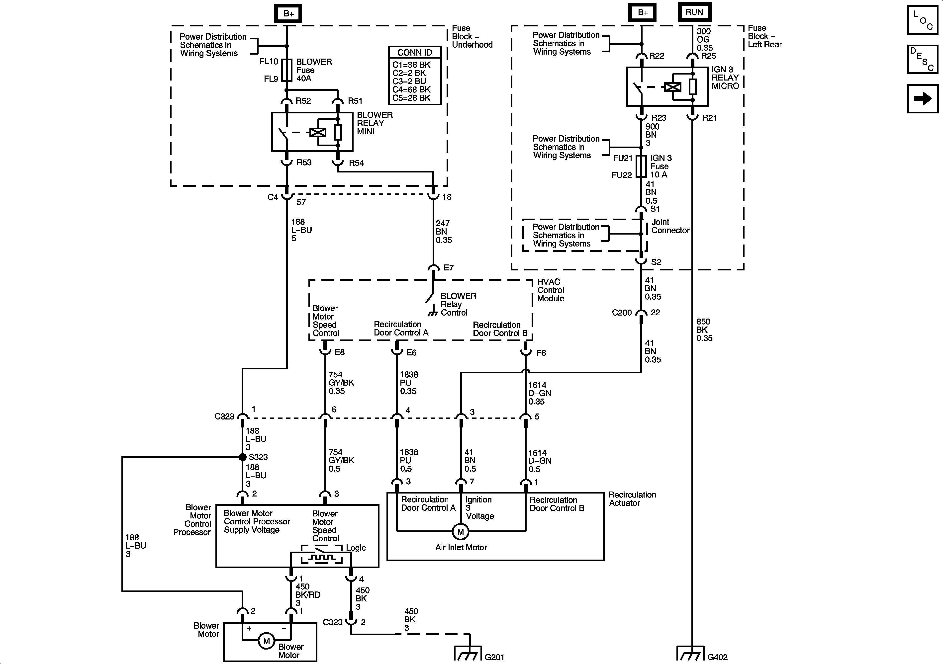
Figure 1:

Blower Controls


Object Number: 638465  Size: FS
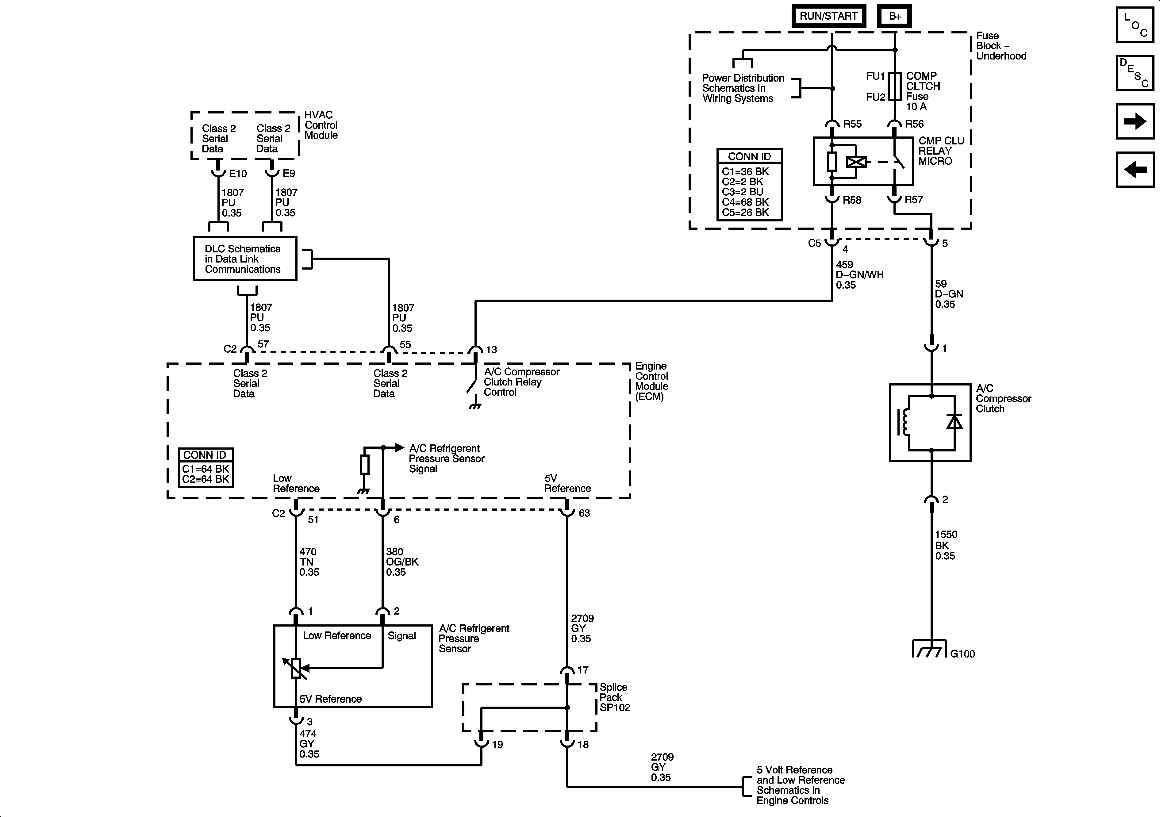
Figure 2:

Compressor Controls


Object Number: 638472  Size: FS
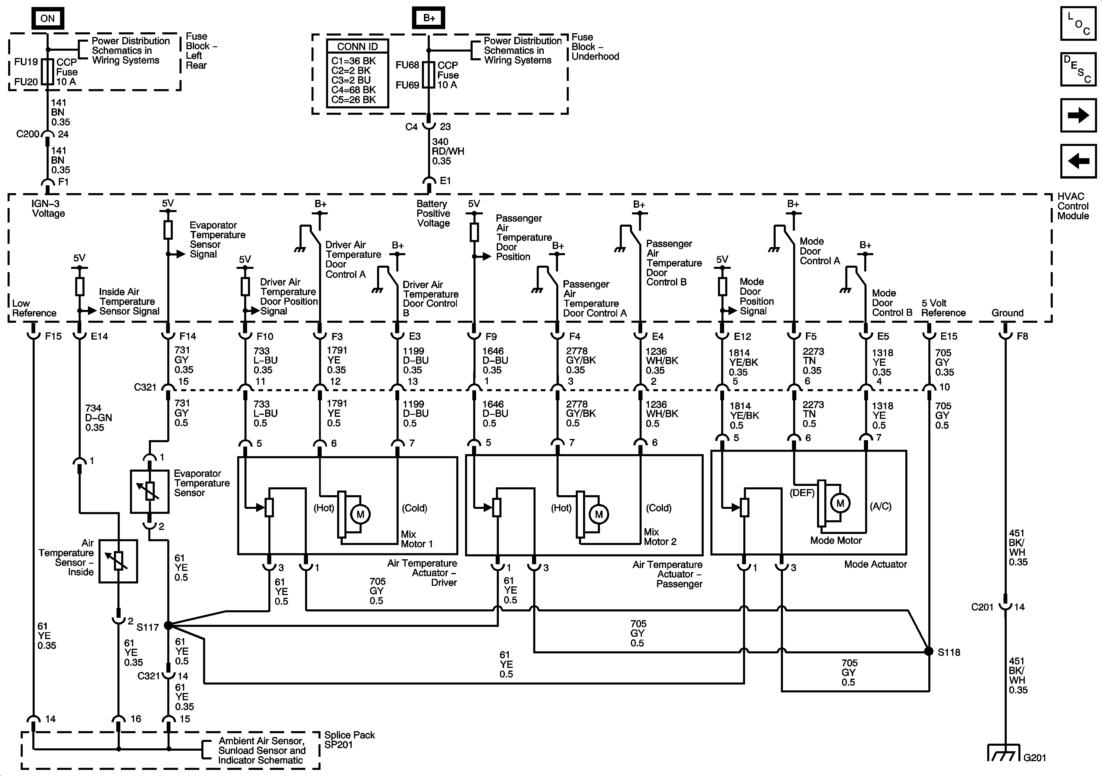
Figure 3:

HVAC Air delivery/Temperature Control schematics ( Actuators ) ( LH Drive )


Object Number: 826487  Size: FS
Figure 4:

Air Delivery/Temperature Controls


Object Number: 638473  Size: FS
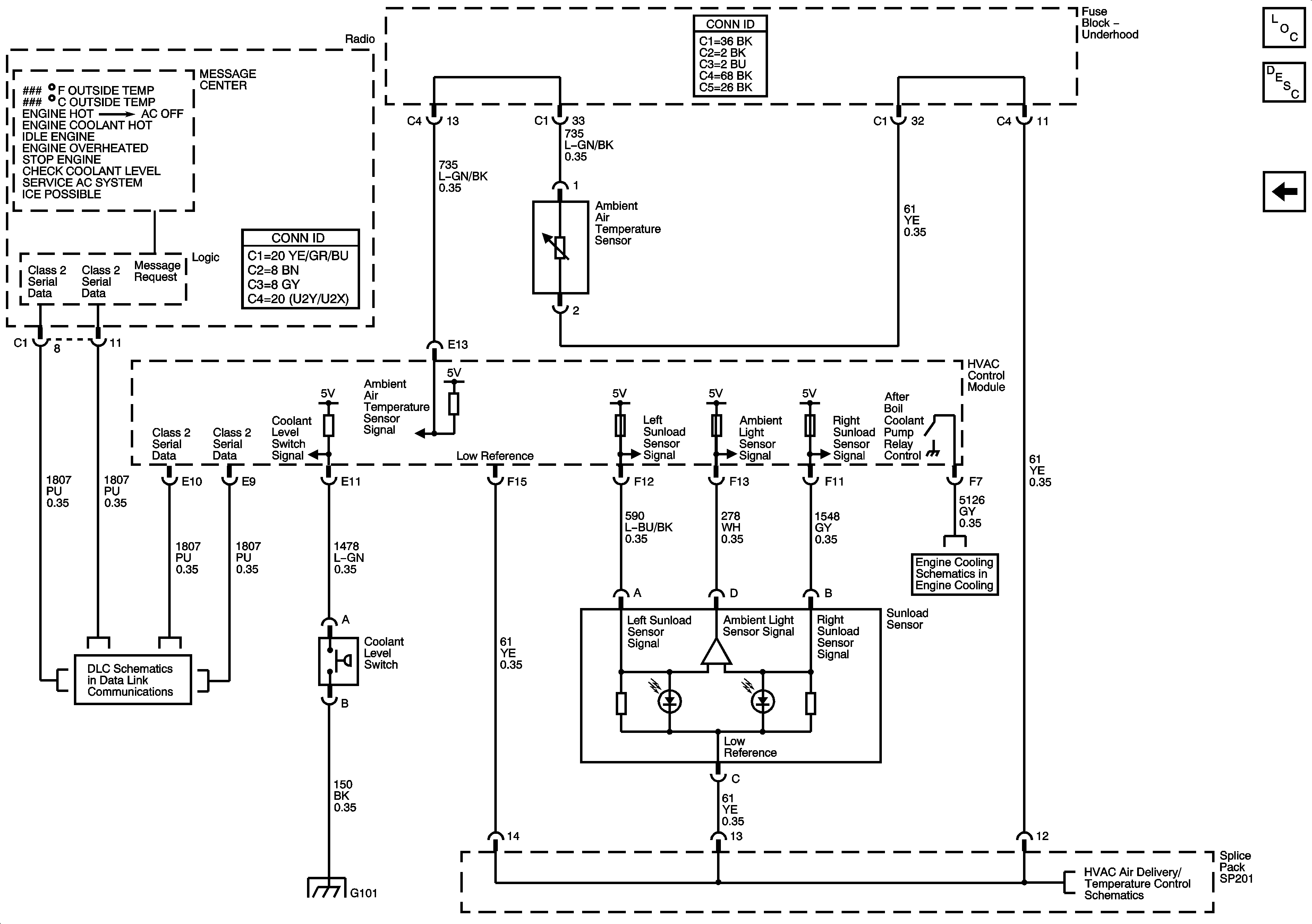
Figure 5:

Ambient Air and Sun Load Sensors


Object Number: 638477  Size: FS