GM Service Manual Online
For 1990-2009 cars only
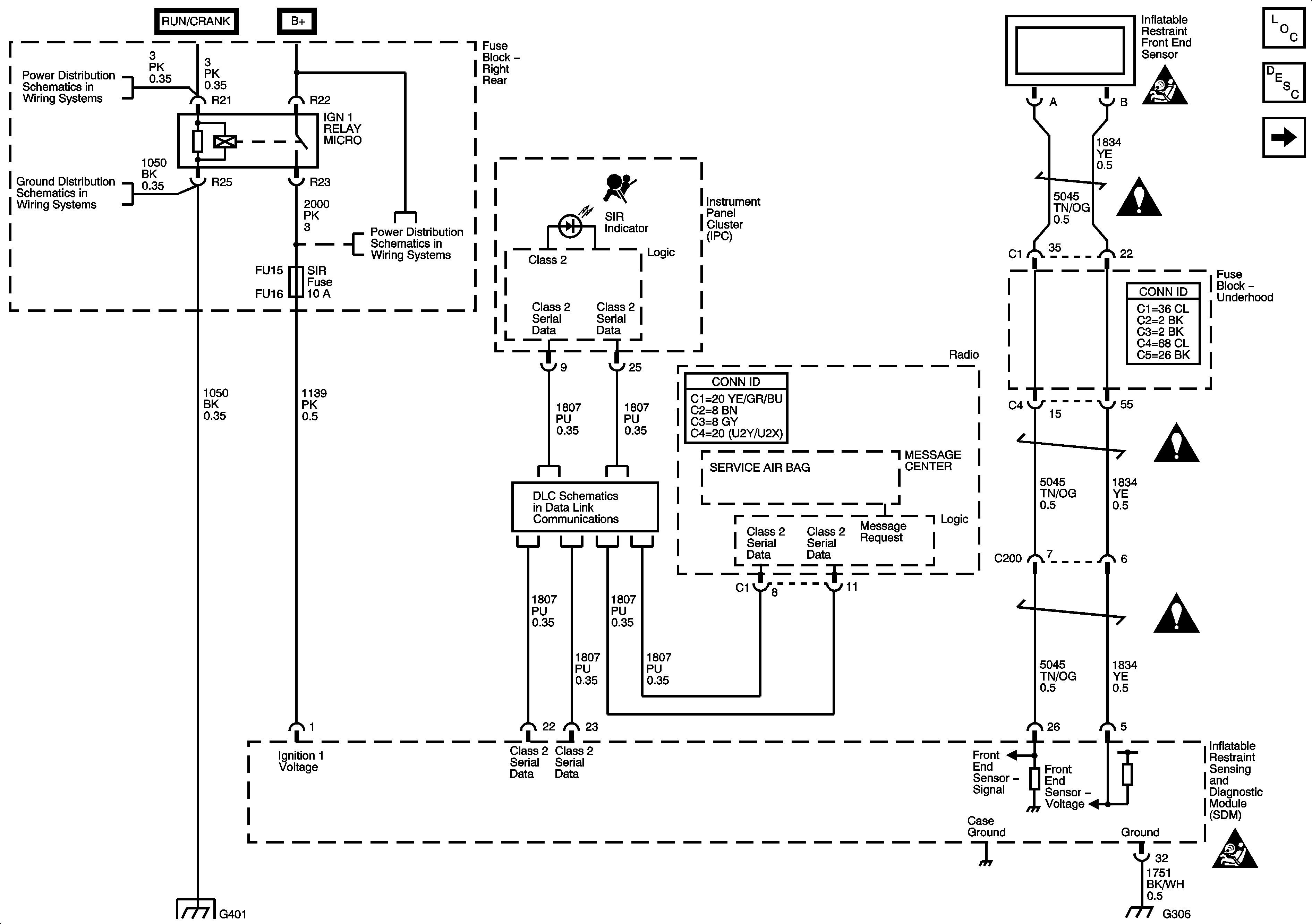
Figure 1:

Power, Ground, Indicators, and the Front End Sensor


Object Number: 637821  Size: FS
Figure 2:

Driver Side Modules and Sensors


Object Number: 637823  Size: FS
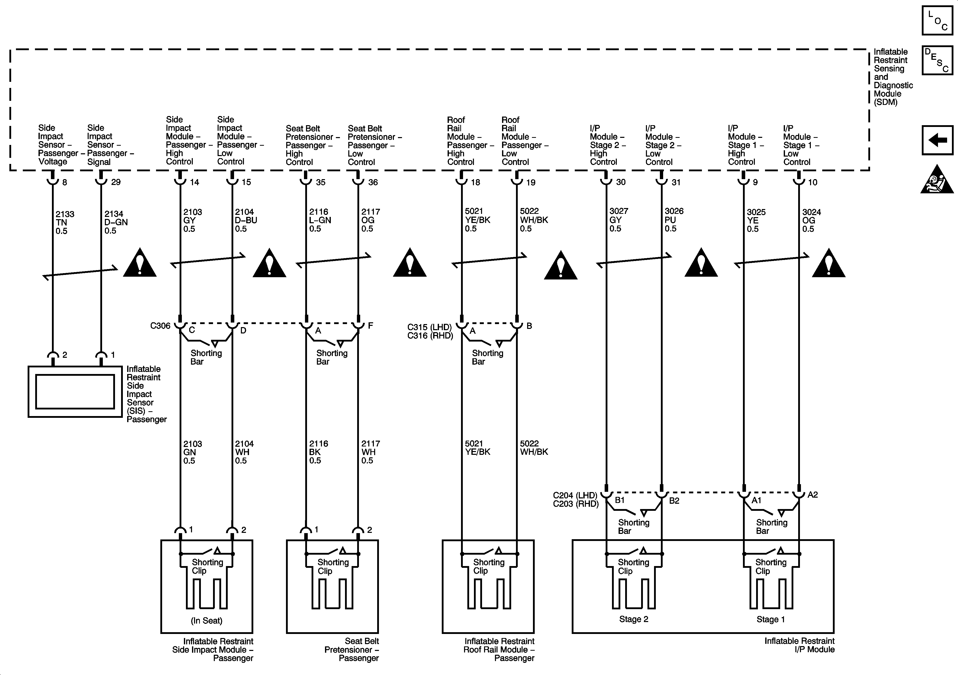
Figure 3:

Passenger Side Modules and Sensors


Object Number: 637824  Size: FS