GM Service Manual Online
For 1990-2009 cars only
Makes
🢒
Cadillac
🢒
2003
🢒
CTS
🢒
Body and Accessories
🢒
Lighting Systems
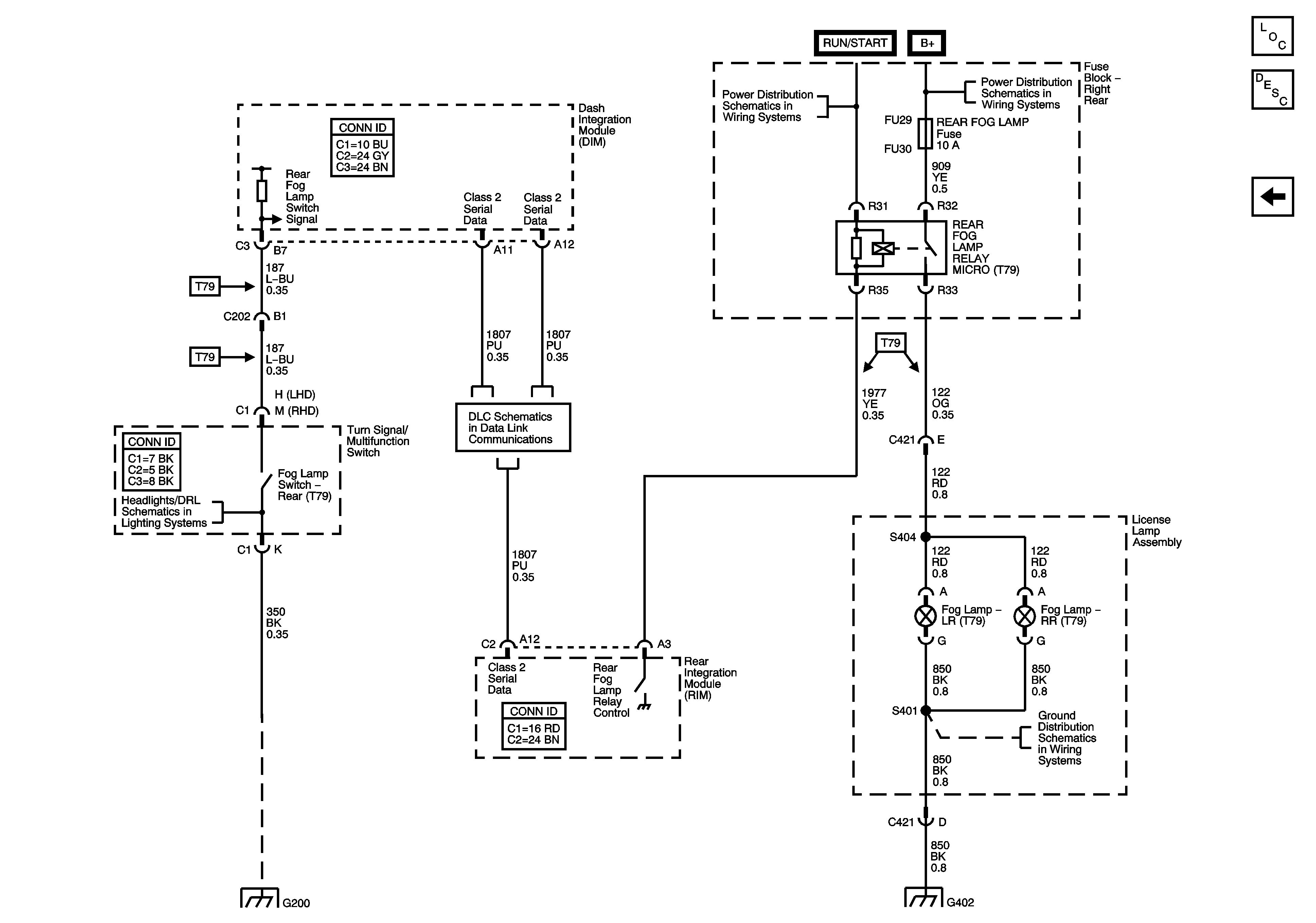
🢒 Fog Lights Schematics
Figure
1:
G104 - 2 of 2
Figure
2:
Rear Fog Lamps Schematics (Export)