GM Service Manual Online
For 1990-2009 cars only

Generator Replacement LA3, LY9

Removal Procedure

  1. Disconnect the battery negative cable. Refer to Battery Negative Cable Disconnection and Connection .
  2. Remove the intake air resonator. Refer to Intake Air Resonator Replacement in Engine Controls-2.6L and 3.2L.
  3. Remove the drive belt tensioner. Refer to Drive Belt Tensioner Replacement in Engine Mechanical-2.6L and 3.2L.

  4. Object Number: 772386  Size: SH
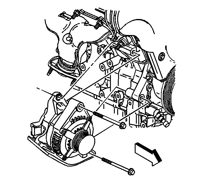
  5. Remove the generator mounting bolts.
  6. Lift the generator off of the mounting features on the engine in order to gain access to the connector and the generator output BAT terminal nut.

  7. Object Number: 772395  Size: SH
  8. Disconnect the wiring harness connector (2) from the generator (1).

  9. Object Number: 772400  Size: SH
  10. Reposition the protective boot from the generator output BAT terminal for access.
  11. Remove the generator output BAT terminal nut (1) and disconnect the battery positive lead (2) from the generator.
  12. Remove the generator from the engine.

Installation Procedure

  1. Position the generator near the wiring harness connector and the battery positive lead.
  2. Notice: Refer to Fastener Notice in the Preface section.


    Object Number: 772400  Size: SH
  3. Connect the battery positive lead (2) to the generator and install the generator output BAT terminal nut (1).
  4. Tighten
    Tighten the generator output BAT terminal nut to 12.5 N·m (111 lb in).

  5. Press the protective boot on to the generator output BAT terminal.

  6. Object Number: 772395  Size: SH
  7. Connect the wiring harness connector (2) to the generator (1).

  8. Object Number: 772386  Size: SH
  9. Position the generator to the mounting features on the engine.
  10. Install the generator mounting bolts.
  11. Tighten
    Tighten the generator mounting bolts to 35 N·m (26 lb ft).

  12. Install the drive belt tensioner. Refer to Drive Belt Tensioner Replacement in Engine Mechanical-2.6L and 3.2L.
  13. Install the intake air resonator. Refer to Intake Air Resonator Replacement in Engine Controls-2.6L and 3.2L.
  14. Connect the battery negative cable. Refer to Battery Negative Cable Disconnection and Connection .