GM Service Manual Online
For 1990-2009 cars only

Removal Procedure

    Caution: Refer to SIR Caution in the Preface section.

  1. Disable the SIR system. Refer to SIR Disabling and Enabling or to SIR Disabling and Enabling in SIR.
  2. Remove the seat. Refer to Bucket Seat Replacement .
  3. Disconnect the electrical connectors from the motor.

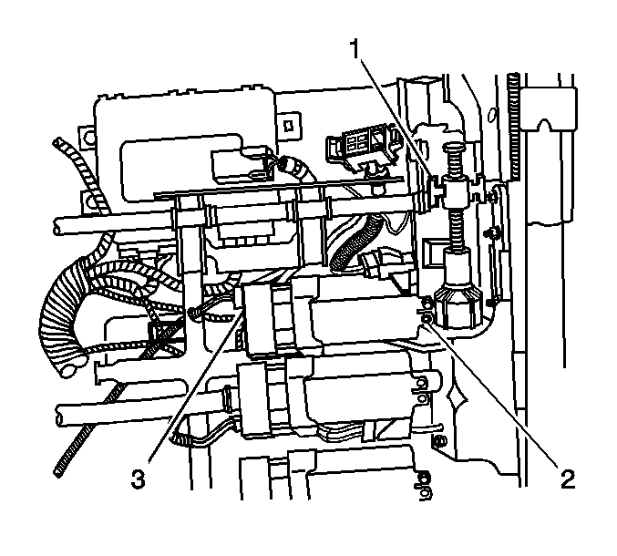
  4. Object Number: 795093  Size: SH
  5. Remove the retaining bolt (2) from the vertical seat adjuster motor.
  6. Lift the motor up and release it from slot (1) in the adjuster.
  7. Remove the motor .

Installation Procedure


    Object Number: 795093  Size: SH
  1. Install the vertical seat adjuster motor into the slot (1) on the adjuster.
  2. Rotate the motor down and position the motor into the seat adjuster.
  3. Notice: Refer to Fastener Notice in the Preface section.

  4. Install the retaining bolt (2).
  5. Tighten
    Tighten the bolt to 10 N·m (88 lb in).

  6. Connect the electrical connectors.
  7. Install the seat. Refer to Bucket Seat Replacement .
  8. Enable the SIR system. Refer to SIR Disabling and Enabling or to SIR Disabling and Enabling in SIR.
  9. If the vehicle is equipped with memory seats, calibrate the seat. Refer to Memory Seat Calibration .