GM Service Manual Online
For 1990-2009 cars only

Removal Procedure

  1. Remove the rear seat back. Refer to Rear Seat Back Replacement .
  2. Remove the sound barrier to the wheelhouse panel.
  3. Remove the rear wheelhouse sound barrier from the vehicle.

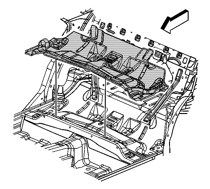
  4. Object Number: 708176  Size: SH
  5. Remove the rear shoulder belts. Refer to Rear Seat Belt Retractor Replacement .
  6. Remove the center rear shoulder belt. Refer to Seat Belt Retractor Replacement - Center Rear .
  7. Lift the rear floorpan sound barrier upward and pull outward in order to remove.

Installation Procedure

    Caution: All floor pan insulator material must meet Federal Vehicle Safety Standards for flammability. Failure to do so could result in personal injury and/or vehicle damage.


    Object Number: 708176  Size: SH
  1. Position the sound barrier to the floorpan.
  2. Position the sound barrier under the rear compartment trim.
  3. Important: Align the sound barrier in order to keep the seat belt and seat attachment areas are clear.

  4. Ensure the attachment areas are clear.
  5. Route the sound barrier around the electrical harness.
  6. Route the sound barrier under the primary weatherstrip on the outside edges.
  7. Press firmly in all areas in order to secure the sound barrier to the floorpan.
  8. Install the rear shoulder belts. Refer to Rear Seat Belt Retractor Replacement .
  9. Install the center rear shoulder belt. Refer to Seat Belt Retractor Replacement - Center Rear .
  10. Position the rear seat back sound barrier to the wheelhouse panel.
  11. Install the rear seat back. Refer to Rear Seat Back Replacement .