GM Service Manual Online
For 1990-2009 cars only

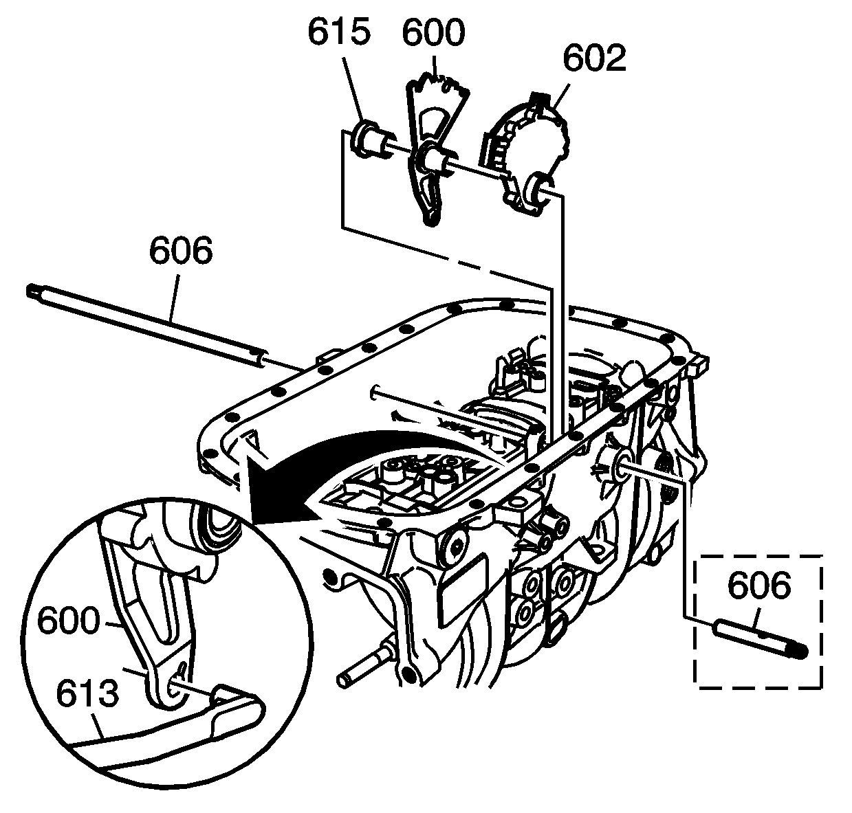
    Object Number: 801836  Size: SH
  1. Rotate the transmission 90 degrees. Remove the manual shaft detent lever pin (601) from the case (604).

  2. Object Number: 801821  Size: SH
  3. Remove the manual shift shaft (606) from the case (604).
  4. Disconnect the park pawl actuator assembly (613) from the manual shaft detent lever (600).
  5. Remove the manual shaft detent lever (600), spacer (615)and the manual shaft shift switch assembly (602) from the case (604).

  6. Object Number: 801822  Size: SH
  7. Use a small screwdriver in order to pry the manual shaft shift seal (605) from the case (604).

  8. Object Number: 801823  Size: SH
  9. Remove the park pawl actuator assembly (613) from the case (604).
  10. Remove the park pawl shaft (610), park pawl spring (611) and the park pawl (612) from the case (604).

  11. Object Number: 801824  Size: SH
  12. Remove the park pawl actuator bracket bolts (609) from the case (604).
  13. Remove the park pawl actuator brackets (607, 608) from the case (604).

  14. Object Number: 801825  Size: SH
  15. Inspect the cup plug (614) for signs of leaks.