GM Service Manual Online
For 1990-2009 cars only
Makes
🢒
Cadillac
🢒
2003
🢒
CTS
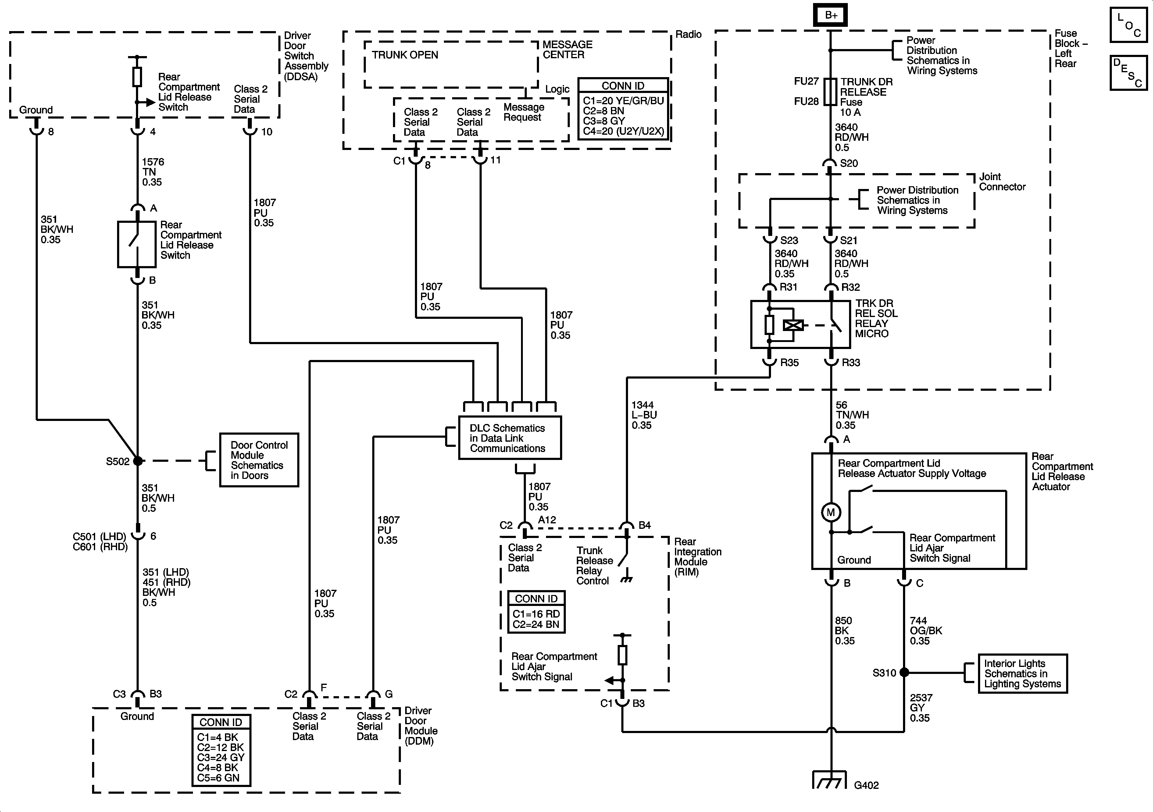
🢒 Rear Compartment Lid Release
Rear Compartment Lid Release
Rear Compartment Lid Release