GM Service Manual Online
For 1990-2009 cars only
Makes
🢒
Cadillac
🢒
2003
🢒
CTS
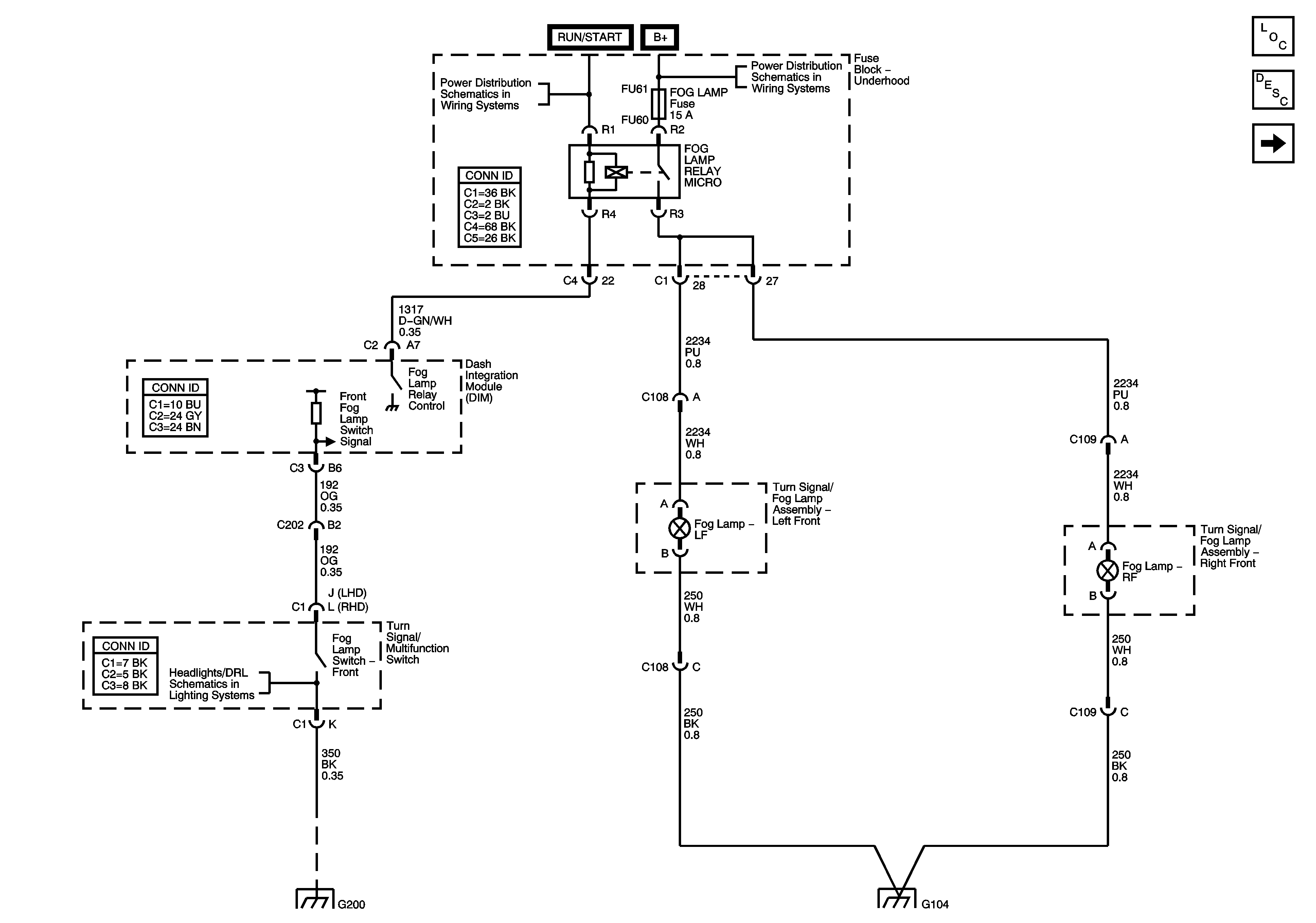
🢒 Exterior Lighting Schematics Fog Lamps
Exterior Lighting Schematics Fog Lamps
G104 - 2 of 2