GM Service Manual Online
For 1990-2009 cars only
Makes
🢒
Cadillac
🢒
2003
🢒
CTS
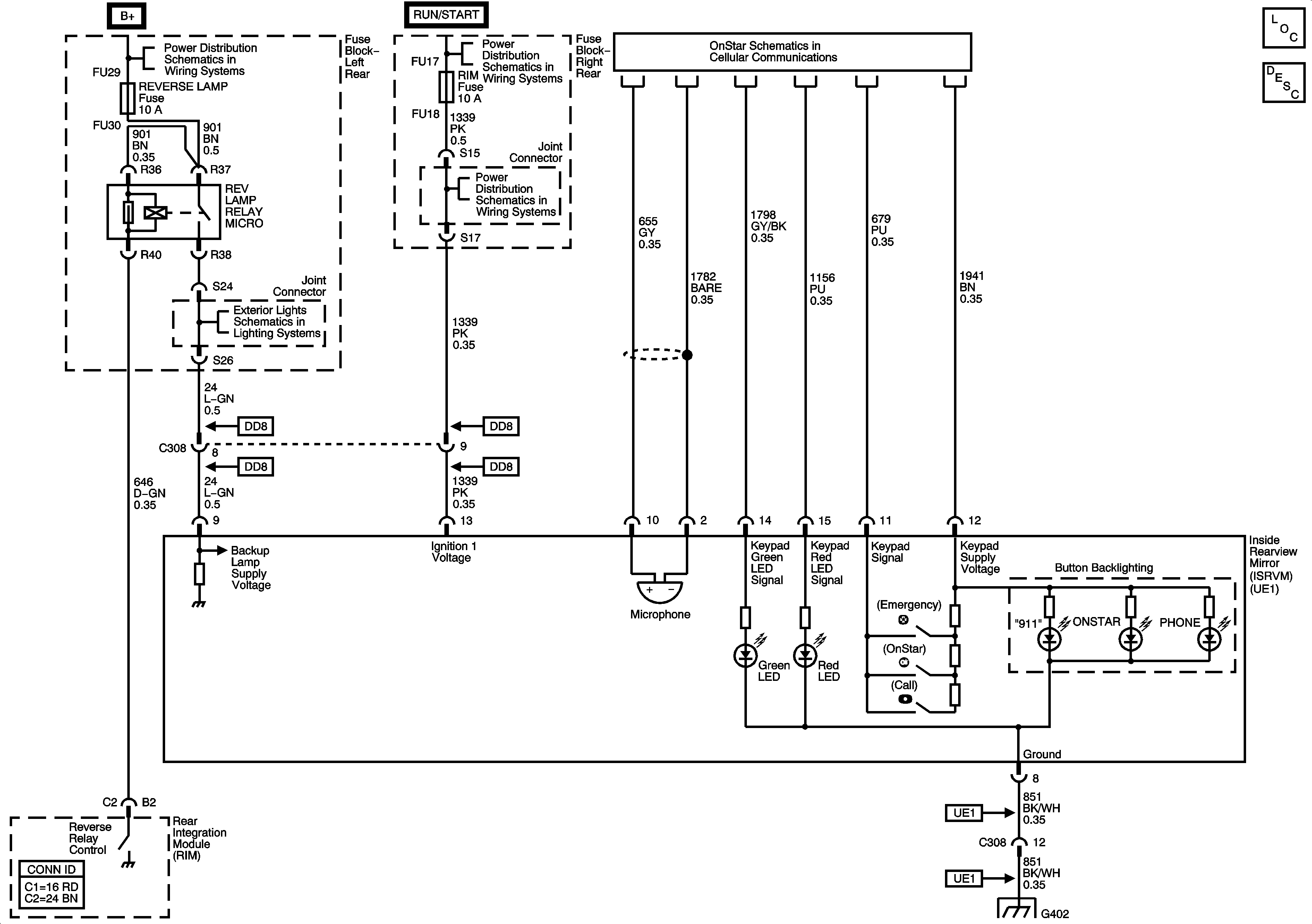
🢒 Automatic Day-Night Mirror Schematic
Automatic Day-Night Mirror Schematic
Onstar (R) Schematic