GM Service Manual Online
For 1990-2009 cars only
Makes
🢒
Cadillac
🢒
2003
🢒
CTS
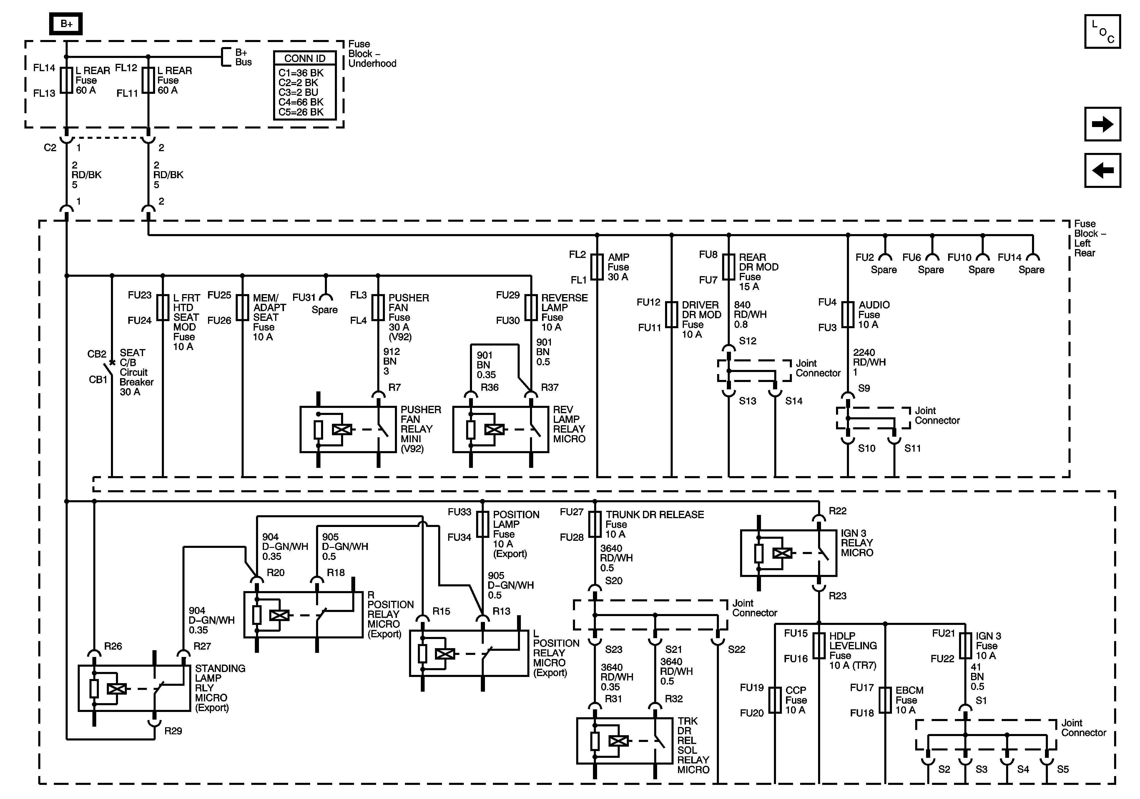
🢒 Underhood Fuse Block - L REAR Fuses
Underhood Fuse Block - L REAR Fuses
Underhood Fuse Block - L REAR Fuses and Fuse Block - Left Rear B+ Bus