GM Service Manual Online
For 1990-2009 cars only

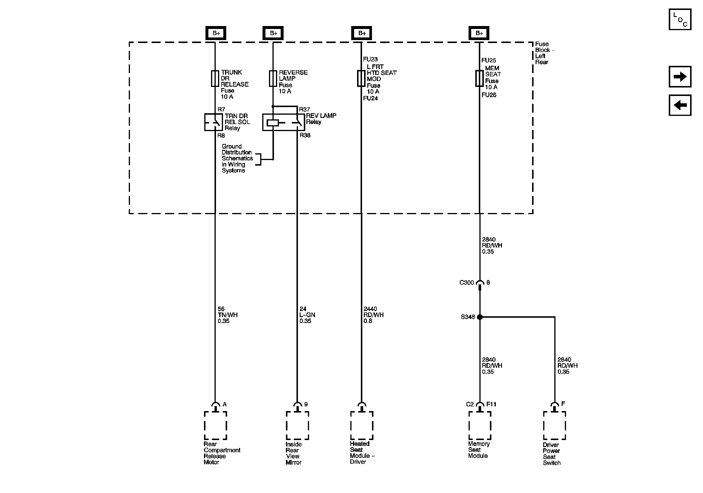
Left Rear Fuse Block - TRK DR REL SOL Relay, REV LAMP Relay, TRUNK DR RELEASE, REVERSE LAMP, L FRT HTD SEAT MOD, and MEM SEAT Fuses

Left Rear Fuse Block - TRK DR REL SOL Relay, REV LAMP Relay, TRUNK DR RELEASE, REVERSE LAMP, L FRT HTD SEAT MOD, and MEM SEAT Fuses


Object Number: 638907  Size: FS