GM Service Manual Online
For 1990-2009 cars only
Makes
🢒
Cadillac
🢒
2003
🢒
CTS
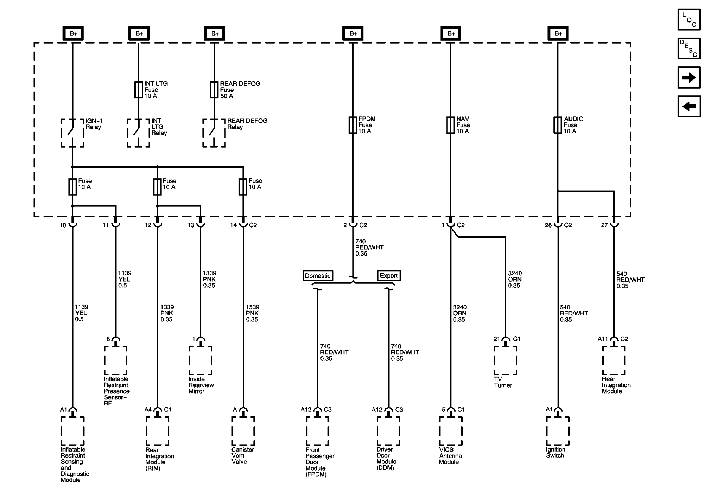
🢒 Right Rear Fuse Block - IGN-1 Relay, FPDM, NAV, and AUDIO Fuses
Right Rear Fuse Block - IGN-1 Relay, FPDM, NAV, and AUDIO Fuses
Fuse Block - Fuses