GM Service Manual Online
For 1990-2009 cars only
Makes
🢒
Cadillac
🢒
2003
🢒
CTS
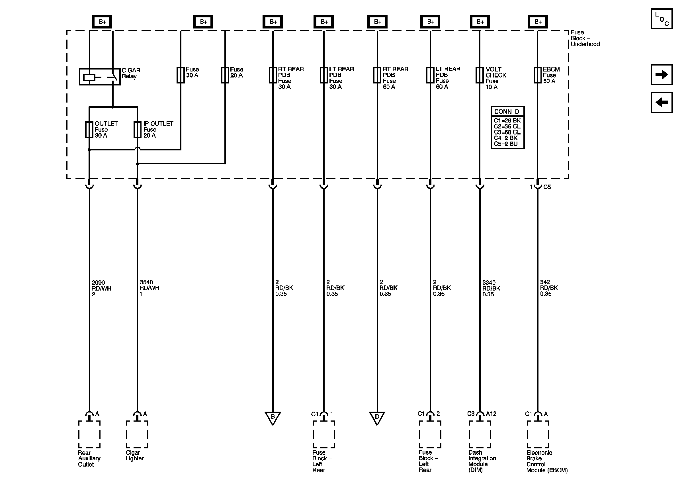
🢒 Underhood Fuse Block - CIGAR Relay, OUTLET, IP OUTLET, RT REAR PDB, LT REAR, VOLT CHECK, and EBCM Fuses
Underhood Fuse Block - CIGAR Relay, OUTLET, IP OUTLET, RT REAR PDB, LT REAR, VOLT CHECK, and EBCM Fuses
Underhood Fuse Block - CIGAR Relay, OUTLET, IP OUTLET, RT REAR PDB, LT REAR PDB, RT REAR PDB, LT REAR PDB, VOLT CHECK, and EBCM Fuses