GM Service Manual Online
For 1990-2009 cars only
Makes
🢒
Cadillac
🢒
2003
🢒
CTS
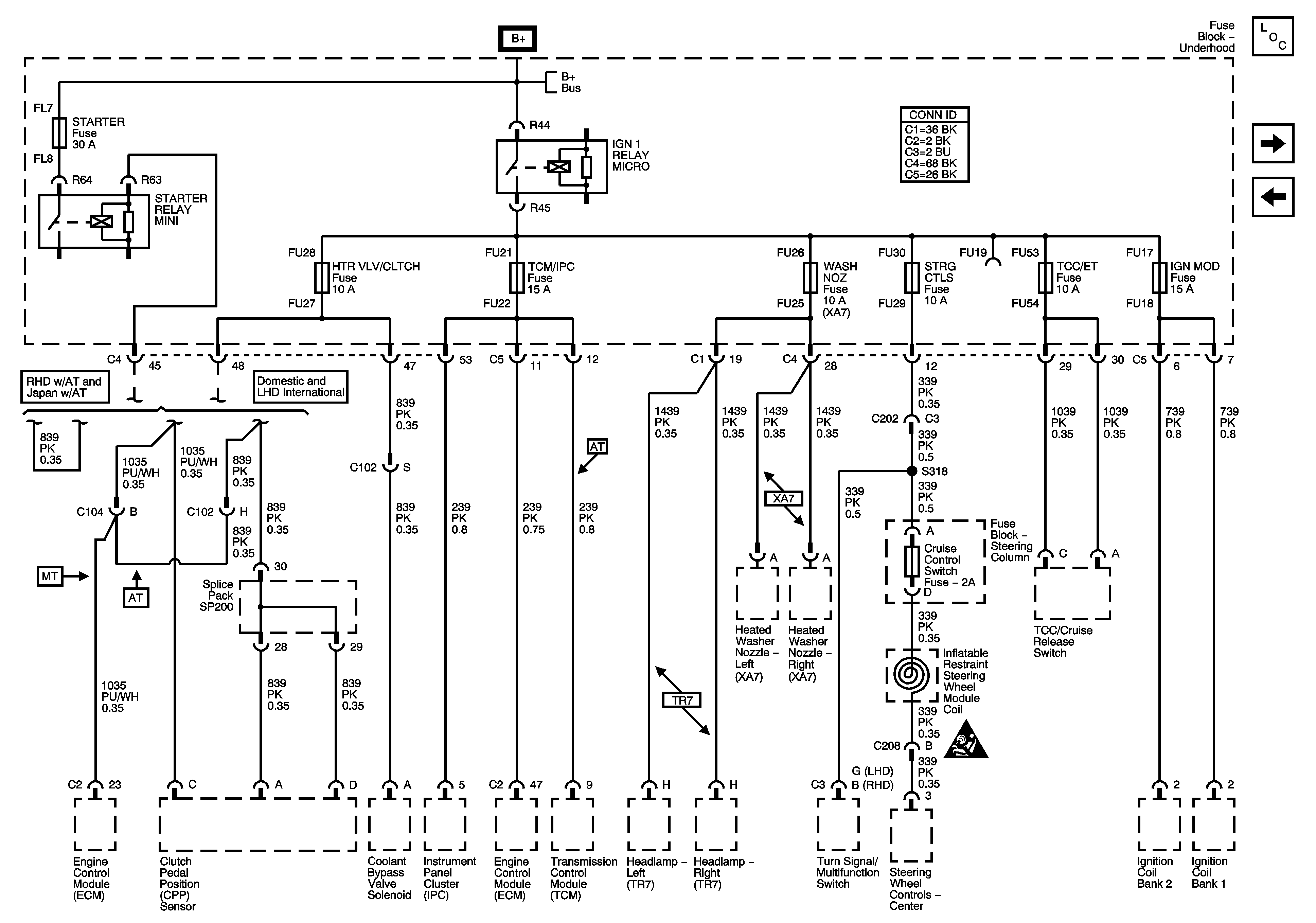
🢒 Underhood Fuse Block - STARTER and IGN-1 Relays, CLUTCH, TCM/IPC, WASH NOZ, TURN SW, and HEATER VALVE Fuses
Underhood Fuse Block - STARTER and IGN-1 Relays, CLUTCH, TCM/IPC, WASH NOZ, TURN SW, and HEATER VALVE Fuses
Underhood Fuse Block - STARTER Relay, IGN-1 Relay, CLUTCH, TCM/IPC, WASH NOZ, TURN SW, and HEATER VALVE Fuses