GM Service Manual Online
For 1990-2009 cars only
Makes
🢒
Cadillac
🢒
2003
🢒
CTS
🢒 Class 2 ( RHD ) 1 of 2
Class 2 ( RHD ) 1 of 2
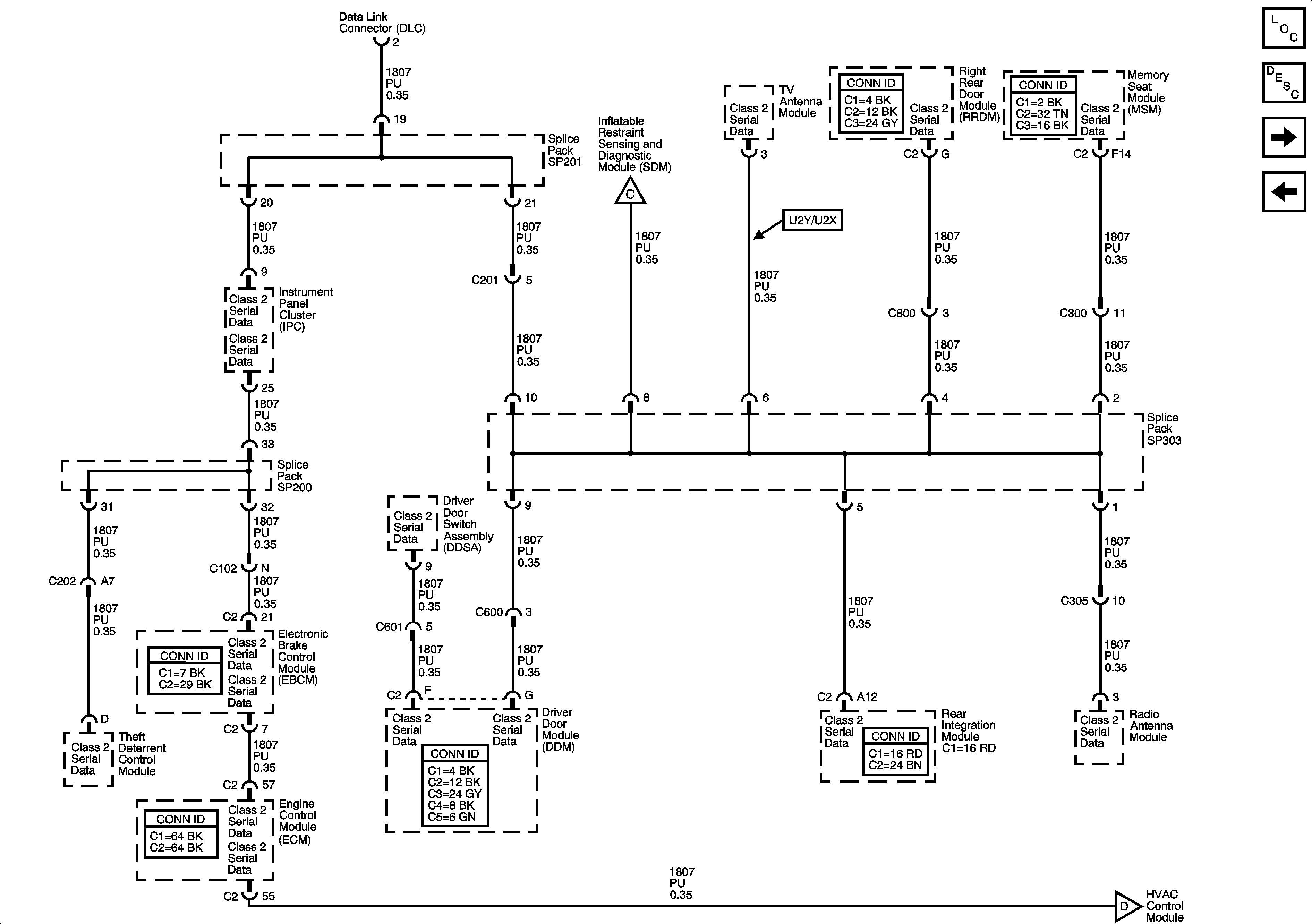
Data Link Connector (DLC) Schematics Class 2 - 1 of 2 (RHD)
Class 2 ( RHD ) 2 of 2
Power and Grounds ( RHD )