GM Service Manual Online
For 1990-2009 cars only
Makes
🢒
Cadillac
🢒
2003
🢒
CTS
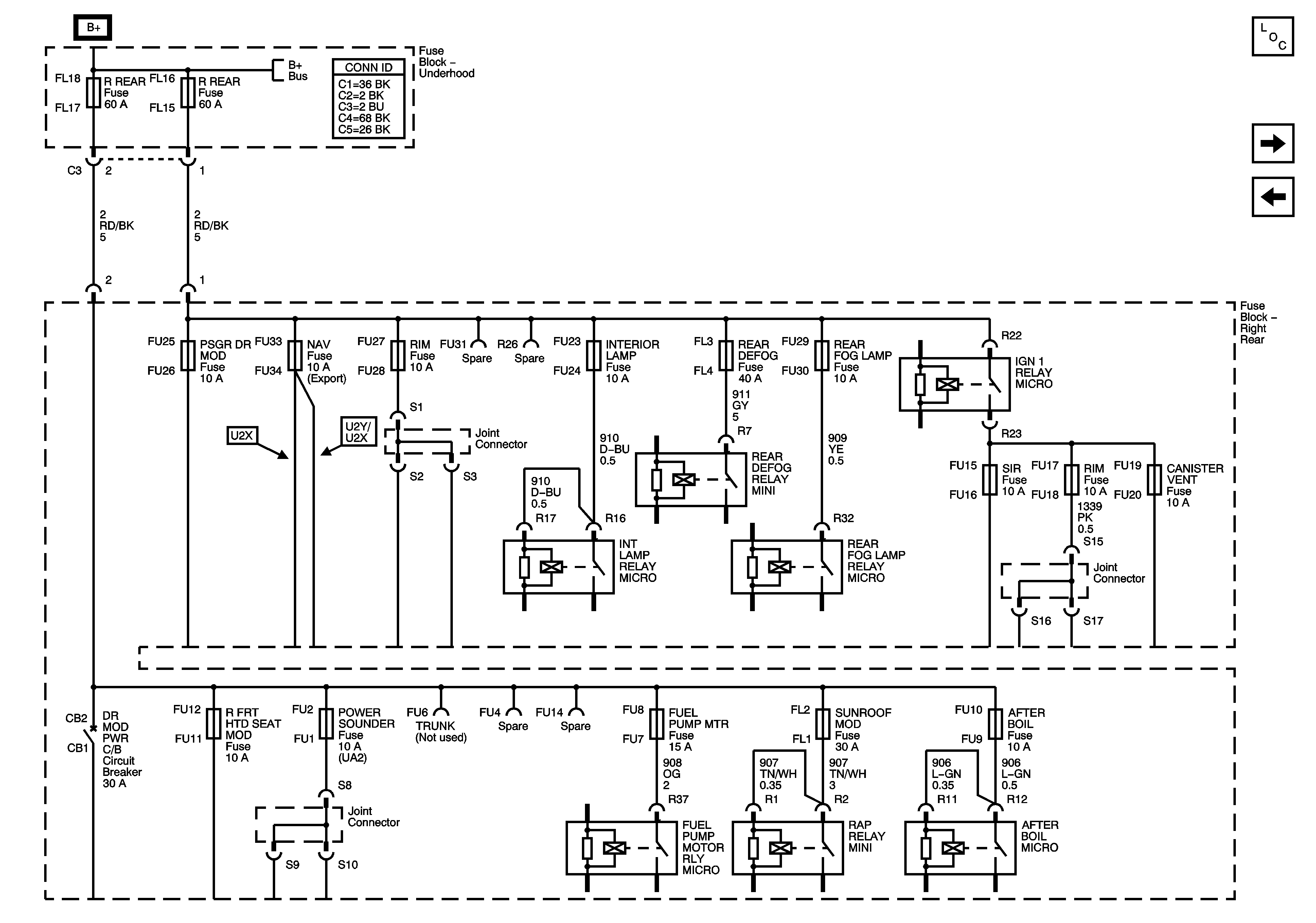
🢒 Underhood Fuse Block - R REAR Fuses
Underhood Fuse Block - R REAR Fuses
Power Distribution Schematics ( RAP Relay, Rear Fog Lamp Relay, Fuel Pump Motor Relay )