GM Service Manual Online
For 1990-2009 cars only

Removal Procedure

    Caution: Refer to SIR Caution in the Preface section.


    Object Number: 322946  Size: SH
  1. Disable the SIR system. Refer to SIR Disabling and Enabling in SIR.
  2. Remove the upper and lower trim covers. Refer to Steering Column Trim Covers Replacement .
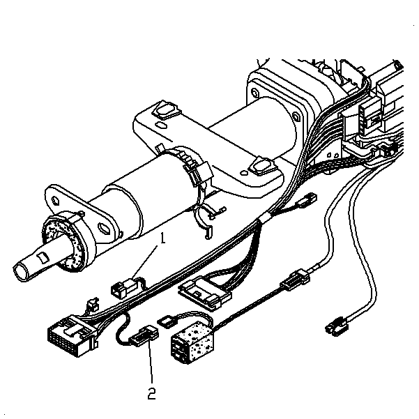
  3. Remove the wire harness assembly (1) from the wire harness strap (2).
  4. Remove and dispose of the smaller wire harness straps.

  5. Object Number: 306234  Size: SH
  6. Slide the 2 connectors (2) of the turn signal and multifunction switch assembly out of the bulkhead connector (1).

  7. Object Number: 306267  Size: SH
  8. Remove the key alarm connector (1) from the ignition lock cylinder case (2).
  9. 6.1. Rotate the key alarm connector (1) 90 degrees.
    6.2. Pull the key alarm connector (1) out of the ignition lock cylinder case (2).

    Object Number: 306272  Size: SH
  10. Remove the 2 tapping screws (2) from the ignition switch assembly (1).
  11. Remove the ignition switch replacement (1) from the ignition lock cylinder case.

Installation Procedure

    Notice: Refer to Fastener Notice in the Preface section.


    Object Number: 324871  Size: SH
  1. Install the ignition switch replacement (2) and secure by using the 2 tapping screws (3).
  2. Tighten
    Tighten the screws to 7 N·m (62 lb in).

  3. Push the key alarm connector (1) into the ignition lock cylinder case  (4).
  4. Rotate the key alarm connector (1) 90 degrees so that the key alarm connector (1) locks into place.

  5. Object Number: 324869  Size: SH
  6. Install the coded key controller (2) onto the ignition lock cylinder case (1).

  7. Object Number: 324867  Size: SH
  8. Connect the connectors (1) and  (2) of the ignition switch replacement.

  9. Object Number: 324821  Size: SH
  10. Install the wire harness strap (2) onto the upper tilt head assembly (1).
  11. Install the 3 wire harness straps (3) onto the wire harness assembly (4).
  12. Install the wire harness assembly (4) into the wire harness strap (5).
  13. Install the upper and lower trim covers. Refer to Steering Column Trim Covers Replacement .
  14. Enable the SIR system. Refer to SIR Disabling and Enabling in SIR.