GM Service Manual Online
For 1990-2009 cars only
Figure 1:

SIR Modules


Object Number: 801443  Size: LF
(1)Steering Wheel
(2)Inflatable Restraint Steering SIR Coil
(3)Inflatable Restraint Steering Wheel Module
(4)Inflatable Restraint I/P Module
(5)Inflatable Restraint I/P Module Connector
(6)Inflatable Restraint Roof Rail Module - Passenger Connector (Driver Similar)
(7)Inflatable Restraint Roof Rail Module - Passenger (Driver Similar)
(8)Inflatable Restraint Roof Rail Module Tether - Passenger (Driver Similar)
(9)Inflatable Restraint Sensing and Diagnostic Module (SDM) Connector
(10)Inflatable Restraint Sensing and Diagnostic Module (SDM)
(11)Inflatable Restraint Side Impact Module - Driver (Passenger Similar)
(12)Seat Belt Pretensioner - Driver (Passenger Similar) and Seat Belt Switch - Driver
(13)Driver Seat (Passenger Similar)
Figure 2:

Inflatable Restraint Steering Wheel Module Components


Object Number: 1347691  Size: LF
(1)Inflatable Restraint Steering Wheel Module Connector C1
(2)C208
(3)Inflatable Restraint Steering Wheel Module Connector C2
(4)Horn Switch Ground Connection
(5)Inflatable Restraint Steering Wheel Module
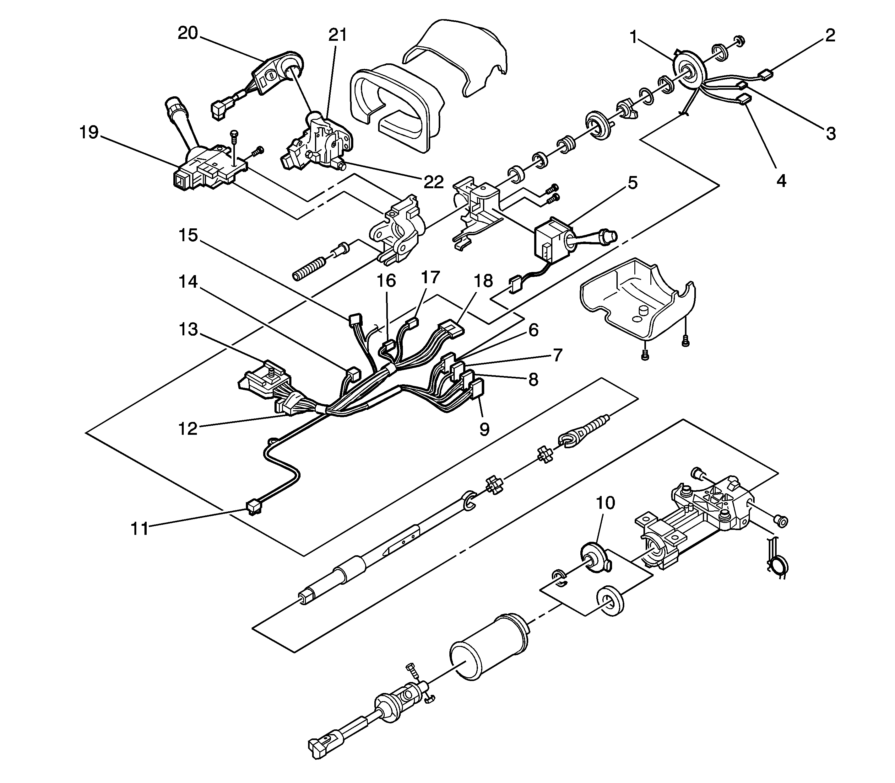
Figure 3:

Steering Column Components


Object Number: 1373991  Size: LF
(1)Inflatable Restraint Steering Wheel Module Coil
(2)C208
(3)Inflatable Restraint Steering Wheel Module Connector C1
(4)Inflatable Restraint Steering Wheel Module Connector C2
(5)Turn Signal/Multifunction Switch
(6)Turn Signal/Multifunction Switch Connector C4 (LY9/LA3/LY7)
(7)Turn Signal/Multifunction Switch Connector C3
(8)Turn Signal/Multifunction Switch Connector C2
(9)Turn Signal/Multifunction Switch Connector C1
(10)Steering Wheel Position Sensor
(11)C203
(12)Fuse Block - Steering Column
(13)C202
(14)Theft Deterrent Control Module Connector
(15)Ignition Lock Cylinder Control Actuator Connector
(16)Ignition Switch Connector
(17)Ignition Key Alarm Switch (Part of steering column harness)
(18)Windshield Wiper/Washer Switch Connector
(19)Windshield Wiper/Washer Switch
(20)Theft Deterrent Control Module
(21)Ignition Switch (Hidden) and Ignition Lock Cylinder Case
(22)Ignition Lock Cylinder Control Actuator
Figure 4:

SIR Sensors


Object Number: 801446  Size: LF
(1)Inflatable Restraint Front End Discriminating Sensor
(2)Inflatable Restraint Front End Discriminating Sensor Connector
(3)Inflatable Restraint Side Impact Sensor - Passenger (Driver Similar)
(4)Inflatable Restraint Side Impact Sensor - Passenger Connector (Driver Similar)