GM Service Manual Online
For 1990-2009 cars only
Makes
🢒
Cadillac
🢒
2004
🢒
CTS
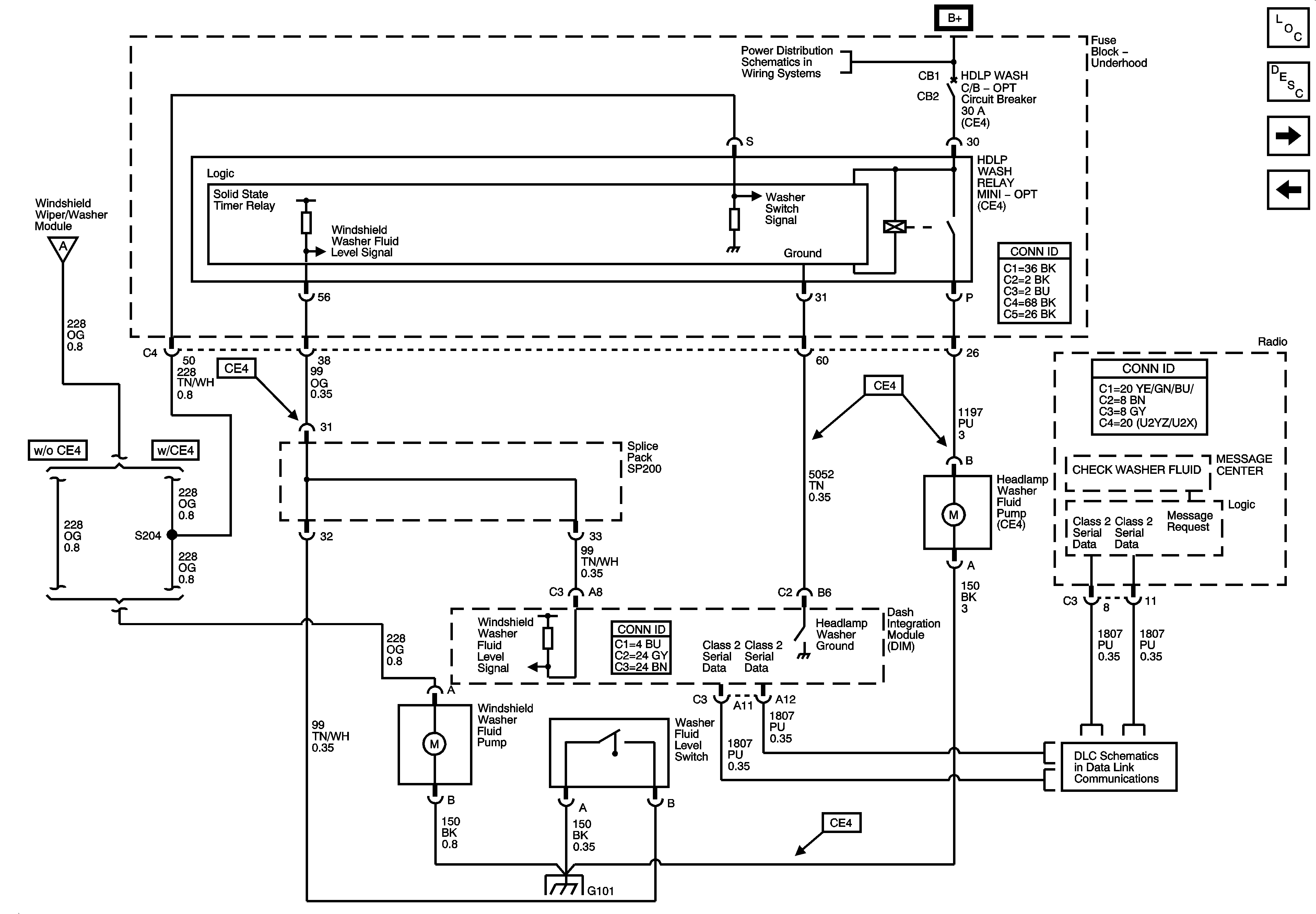
🢒 Windshield Washer Fluid Pump, Headlamp Washer Fluid Pump/Relay (CE4) and Washer Fluid Level Switch
Windshield Washer Fluid Pump, Headlamp Washer Fluid Pump/Relay (CE4) and Washer Fluid Level Switch
Windshield Washer Fluid Pump, Headlamp Washer Fluid Pump Relay (CE4) and Washer Fluid Level Switch
Master Electrical Component List
Headlamp Washer System Description and Operation
Heated Washer Nozzles (XA7)
Power, Ground, Windshield Wiper/Washer Switch and Module
Power, Ground, Windshield Wiper/Washer Switch and Module
Underhood Fuse Block B+ Bus - 1 of 2
G101
Class 2 Serial Data Bus - LHD - 2 of 2