GM Service Manual Online
For 1990-2009 cars only
Makes
🢒
Cadillac
🢒
2004
🢒
CTS
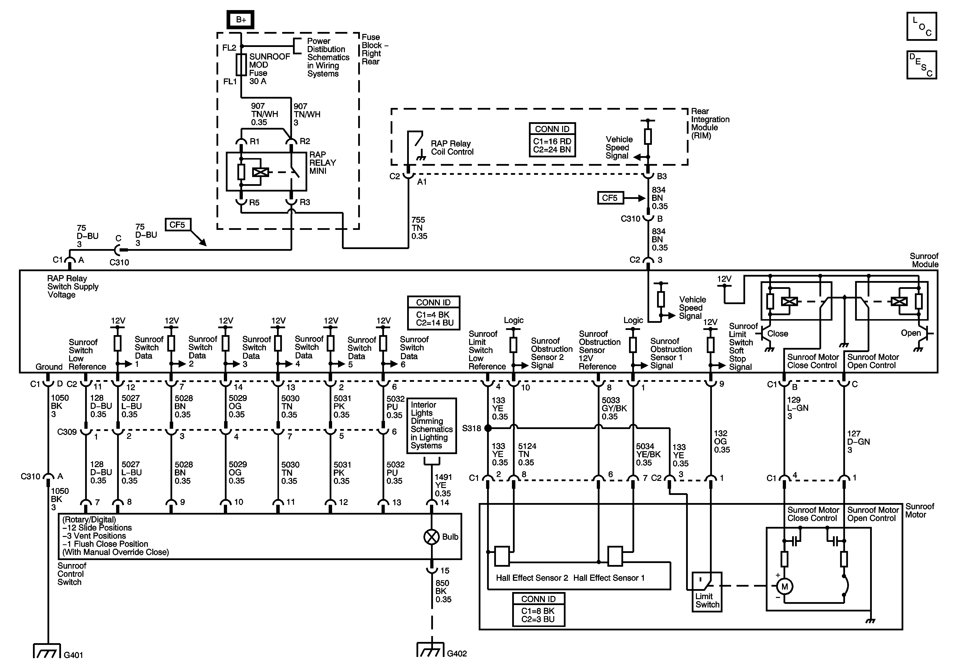
🢒 Power Sunroof (CF5)
Power Sunroof (CF5)
Master Electrical Component List
Sunroof Description and Operation
Right Rear Fuse Block B+ Bus
Power, Ground, and Serial Data - 1 of 2
G401
G104 - 1 of 2