GM Service Manual Online
For 1990-2009 cars only

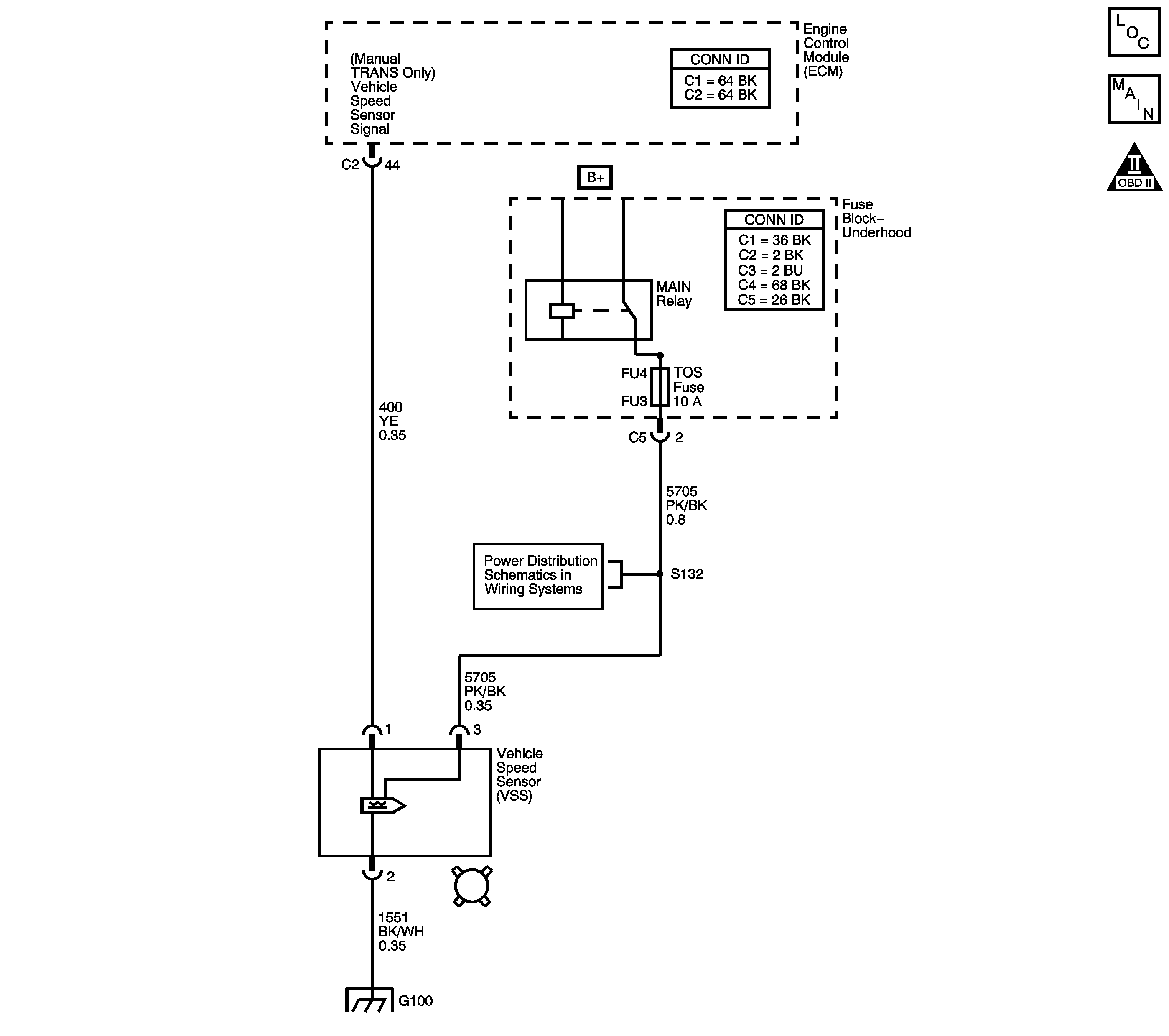
Object Number: 1301106  Size: LF
Master Electrical Component List
Manual Transmission Schematics
OBD II Symbol Description Notice

Circuit Description

Vehicle speed information is provided to the engine control module (ECM) by the vehicle speed sensor (VSS). The VSS consists of a Hall-Effect sensor mounted to the transmission case which interfaces with a rotor pressed onto the transmission output shaft. The Hall-Effect sensor contains a permanent magnet and a semiconductor plate to which ignition voltage is applied. As the output shaft spins, the rotor directs the field of the permanent magnet either toward or away from the plate. When the ignition is ON and the magnetic field is directed away from the plate, electrons are evenly distributed across the plate. When the rotor directs the field toward the plate, the electrons are redistributed unevenly across the front and back of the plate. The uneven distribution causes a voltage to be produced across the plate. The VSS produces a frequency signal that is proportional to vehicle speed. The ECM converts the VSS signal to vehicle speed, displayed on the scan tool in miles per hour and kilometers per hour. The ECM also uses the VSS signal to generate the 4,000 pulses per mile vehicle speed signal used by the instrument cluster.

When the ECM detects a very low vehicle speed, while the vehicle is in motion, DTC P0500 sets. DTC P0500 is a type B DTC.

Conditions for Running the DTC

    • The engine speed is 1,800-6,500 RPM.
    • The ECT is greater than 64°C (147°F).

Conditions for Setting the DTC

The vehicle speed sensor indicates a speed of less than 20 km/h (12 mph) for a total of 50 seconds.

Action Taken When the DTC Sets

    • The ECM illuminates the malfunction indicator lamp (MIL) during the second consecutive trip in which the Conditions for Setting the DTC are met.
    • The ECM disables Cruise Control.
    • The ECM records the operating conditions when the Conditions for Setting the DTC are met. The ECM stores this information as Freeze Frame and Failure Records.
    • The ECM stores DTC P0500 in ECM history during the second consecutive trip in which the Conditions for Setting the DTC are met.

Conditions for Clearing the MIL/DTC

    • The ECM turns OFF the MIL during the third consecutive trip in which the diagnostic runs and passes.
    • A scan tool can clear the MIL/DTC.
    • The ECM clears the DTC from ECM history if the vehicle completes 40 warm-up cycles without an emission-related diagnostic fault occurring.
    • The ECM cancels the DTC default actions when the ignition switch is OFF long enough in order to power down the ECM.

Step

Action

Values

Yes

No

1

Did you perform the Diagnostic System Check?

--

Go to Step 2

Go to Diagnostic System Check - Engine Controls in Engine Controls - 2.6L and 3.2L

2

  1. Install a scan tool.
  2. Turn ON the ignition with the engine OFF.
  3. Important: Before clearing the DTCs, use the scan tool in order to record the Freeze Frame and Failure Records for reference. The Clear Info function will erase the data.

  4. Record the DTC Freeze Frame and Failure Records.
  5. Clear the DTCs.
  6. Notice: Support the lower control arms in the normal horizontal position in order to avoid damage to the drive axles. Do not operate the vehicle in gear with the wheels hanging down at full travel.

  7. Raise the drive wheels.
  8. Start and idle the engine.
  9. Place the transmission in 1st gear.
  10. Monitor Vehicle Speed on the scan tool.
  11. With the drive wheels rotating, increase and decrease the throttle position.

Does the scan tool indicate Vehicle Speed increasing when wheel speed increases?

--

Refer to Intermittent Conditions in Engine Controls - 2.6L and 3.2L

Go to Step 3

3

  1. Turn OFF the ignition.
  2. Disconnect the Vehicle Speed Sensor (VSS).
  3. Turn ON the ignition with the engine OFF.
  4. Using the DMM, measure the voltage of ignition 1 voltage circuit of the VSS to ground.

Does the voltage measure near the specified value?

B+

Go to Step 4

Go to Step 9

4

Measure the voltage from the ignition 1 voltage circuit of the VSS to the VSS low reference circuit at the VSS connector.

Does the voltage measure near the specified value?

B+

Go to Step 5

Go to Step 12

5

  1. Using a fused jumper wire, jumper the ignition 1 voltage circuit of the VSS between the VSS connector and the VSS.
  2. Using a fused jumper wire, jumper the ground circuit of the VSS between the VSS connector and the VSS.
  3. Using the J 35616 GM terminal test kit, connect the DMM between the VSS signal circuit at the VSS and ground.
  4. Turn ON the ignition with the engine OFF.
  5. Select AC volts on the DMM.
  6. Place the transmission in NEUTRAL.
  7. Rotate the rear wheels by hand while observing the DMM AC volts.

Does the DMM display AC volts above the specified value?

0.15 V

Go to Step 6

Go to Step 16

6

  1. Turn OFF the ignition.
  2. Disconnect the ECM.
  3. Using the DMM, measure the resistance of the VSS signal circuit between the VSS signal at the ECM and the VSS signal at the VSS connector.

Does the resistance measure less than the specified value?

5 ohms

Go to Step 7

Go to Step 13

7

Using the DMM, measure the resistance between the VSS signal circuit and ground.

Is the resistance less than the specified value?

10 M ohms

Go to Step 14

Go to Step 8

8

Using a test light connected to the ground, probe the VSS signal circuit.

Does the test light illuminate?

--

Go to Step 15

Go to Step 18

9

  1. Inspect the fuse in the ignition 1 voltage circuit for an open.
  2. Replace the fuse if necessary.

Was the fuse open?

--

Go to Step 10

Go to Step 11

10

Important: The condition that affects this circuit may exist in other connecting branches of the circuit. Refer to Power Distribution Schematics in Wiring Systems for complete circuit distribution.

Test the ignition 1 circuit of the VSS for a short to ground.

Did you find and correct the condition?

--

Go to Step 19

--

11

Test for an open or high resistance in the ignition 1 voltage circuit of the VSS.

Did you find and correct the condition?

--

Go to Step 19

--

12

Repair the open in the VSS low reference circuit.

Did you complete the repair?

--

Go to Step 19

--

13

Repair the open in the VSS signal circuit.

Did you complete the repair?

--

Go to Step 19

--

14

Repair the short to ground in the VSS signal circuit.

Did you complete the repair?

--

Go to Step 19

--

15

Repair the short to voltage on the VSS signal circuit.

Did you complete the repair?

--

Go to Step 19

--

16

  1. Remove the VSS sensor.
  2. Refer to Vehicle Speed Sensor Replacement .

  3. Inspect the VSS and the transmission for the following:
  4. • Incorrect VSS
    • VSS damage
    • Excessive VSS to rotor gap
    • Incorrect VSS rotor alignment
    • VSS rotor damage
  5. Repair any of the above conditions.

Did you find and correct the condition?

--

Go to Step 19

Go to Step 17

17

Replace the VSS.

Refer to Vehicle Speed Sensor Replacement .

Did you complete the repair?

--

Go to Step 19

--

18

Replace the ECM.

Refer to Engine Control Module Replacement in Engine Controls - 2.6L and 3.2L.

Did you complete the repair?

--

Go to Step 19

--

19

In order to verify your repair, perform the following procedure:

  1. Select DTC.
  2. Select Clear Info.
  3. Drive the vehicle.
  4. Ensure the vehicle speed is greater than 5 km/h (3 mph) for at least 3 seconds.
  5. Select specific DTC.
  6. Enter DTC P0500.

Has the test run and passed?

--

Go to Step 20

Go to Step 2

20

With a scan tool observe the stored information, capture info and DTC Info.

Does the scan tool display any DTCs that you have not diagnosed?

--

Go to Diagnostic Trouble Code (DTC) List in Engine Controls - 2.6L and 3.2L

System OK