GM Service Manual Online
For 1990-2009 cars only

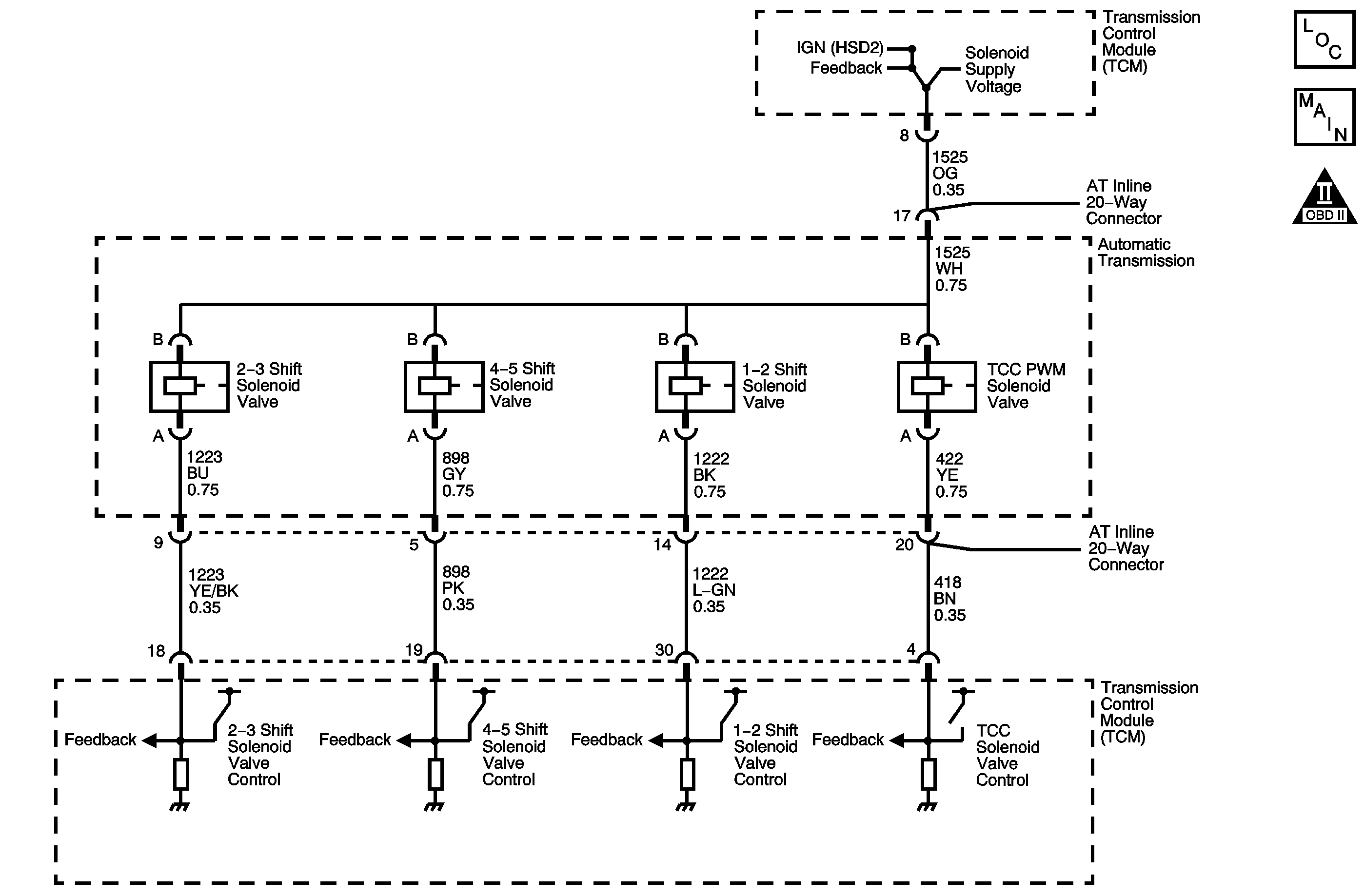
Object Number: 1285490  Size: MF
Master Electrical Component List
Automatic Transmission Controls Schematics
OBD II Symbol Description Notice

Circuit Description

The transmission control module (TCM) provides voltage to the pressure control solenoid, the shift solenoids, and the TCC PWM solenoid through two separate solid-state devices called High Side Drivers, called HSD1 and HSD2. HSD1 provides electrical power to the pressure control solenoid. HSD2 provides power to the shift solenoids. A normal function of the TCM is to run tests on each driver to ensure that it is functioning properly.

When the TCM detects a short to voltage on HSD2, then DTC P1834 sets. DTC P1834 is a type B DTC.

Conditions for Running the DTC

The ignition is ON.

Conditions for Setting the DTC

The TCM detects greater than 6.4 volts at the HSD2 terminal prior to commanding the HSD2 ON.

Action Taken When the DTC Sets

    • The TCM requests the ECM to illuminate the malfunction indicator lamp (MIL) during the second consecutive drive trip in which the Conditions for Setting the DTC are met.
    • The TCM turns off power to all solenoids.
    • The transmission will operate in fifth gear if the vehicle has successfully completed a 1-2 upshift in the current ignition cycle. If the vehicle has not completed a 1-2 upshift in the current ignition cycle, the transmission will operate in fourth gear.
    • The TCM commands maximum line pressure.
    • The TCM freezes transmission adaptive functions.
    • Torque management is inhibited.
    • Powertrain braking is disabled.
    • At the time of the first failure, the TCM records the operating conditions when the Conditions for Setting the DTC are met. The TCM stores this information as a Failure Record.
    • At the time of the second failure, the ECM records the operating conditions when the Conditions for Setting the DTC are met. The ECM stores this information as a Freeze Frame.
    • The TCM stores DTC P1834 in TCM history.

Conditions for Clearing the MIL/DTC

    • The ECM turns OFF the MIL after the sixth consecutive drive trip in which the TCM does not send a MIL illumination request.
    • A scan tool can clear the MIL/DTC.
    • The TCM clears the DTC from TCM history if the vehicle completes 40 warm-up cycles without an emission related diagnostic fault occurring.
    • The TCM cancels the default actions when the ignition is OFF long enough in order to power down the TCM.

Step

Action

Value(s)

Yes

No

1

Did you perform the Diagnostic System Check - Automatic Transmission?

--

Go to Step 2

Go to Diagnostic System Check - Automatic Transmission

2

  1. Install a scan tool.
  2. Turn ON the ignition with the engine OFF.
  3. Important: 

       • Before clearing the DTC, use the scan tool in order to record the ECM Freeze Frame and the TCM Failure Records. Using the Clear Info function erases the Freeze Frame and Failure Records from the ECM and the TCM.
       • Using the Clear Info function erases stored DTCs in both the ECM and TCM.

  4. Record the DTC Freeze Frame and Failure Records.
  5. Clear the DTC.
  6. Turn OFF the ignition for at least 30 seconds.
  7. Turn ON the ignition, with the engine OFF.

Did DTC P1834 reset?

--

Go to Step 3

Go to Intermittent Conditions in Engine Controls - 2.6L and 3.2L or Intermittent Conditions in Engine Controls - 3.6L (LY7)

3

  1. Turn OFF the ignition.
  2. Disconnect the TCM.
  3. Turn ON the ignition with the engine OFF.
  4. Measure the voltage at the solenoid supply voltage circuit of the TCM harness connector. Refer to Automatic Transmission Related Connector End Views and Circuit Testing in Wiring Systems.

Is the voltage greater than the specified value?

6.4 volts

Go to Step 4

Go to Step 5

4

Repair the short to voltage on the solenoid supply voltage circuit. Refer to Wiring Repairs in Wiring Systems.

Is the action complete?

--

Go to Step 6

--

5

Replace the TCM. Refer to Transmission Control Module Replacement .

Is the action complete?

--

Go to Step 6

--

6

Perform the following procedure in order to verify the repair:

  1. Select DTC.
  2. Select Clear Info.
  3. Turn ON the ignition, with the engine OFF.
  4. Select Specific DTC.
  5. Enter DTC P1834.

Has the test run and passed?

--

Go to Step 7

Go to Step 2

7

With the scan tool, observe the stored information, capture info and DTC info.

Does the scan tool display any DTCs that you have not diagnosed?

--

Go to Diagnostic Trouble Code (DTC) List in Engine Controls - 2.6L and 3.2L or Diagnostic Trouble Code (DTC) List in Engine Controls - 3.6L (LY7)

System OK