GM Service Manual Online
For 1990-2009 cars only
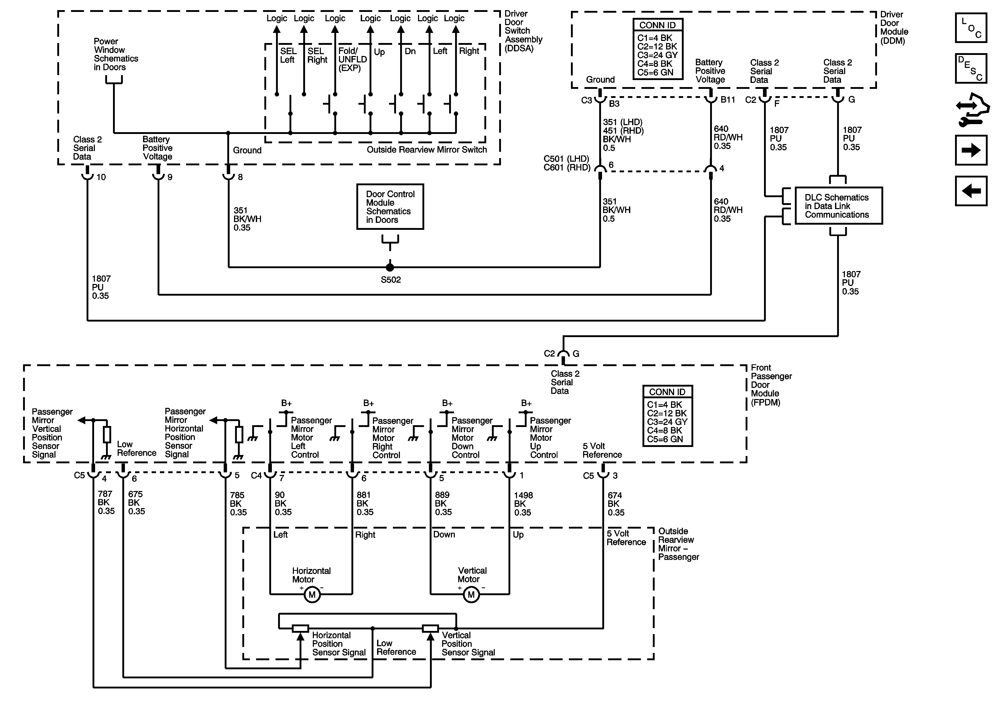
Figure 1:

Outside Rearview Mirrors, Driver Door Switch Assembly (DDSA) and Front Door Modules


Object Number: 1471128  Size: FS
Master Electrical Component List
Outside Mirror Description and Operation
Control Module References
Driver Outside Mirror (A45)
Front Power Window Switches and Motor
Class 2 Serial Data Bus - LHD - 2 of 2
Driver Door Module (DDM) Power, Ground and Serial Data
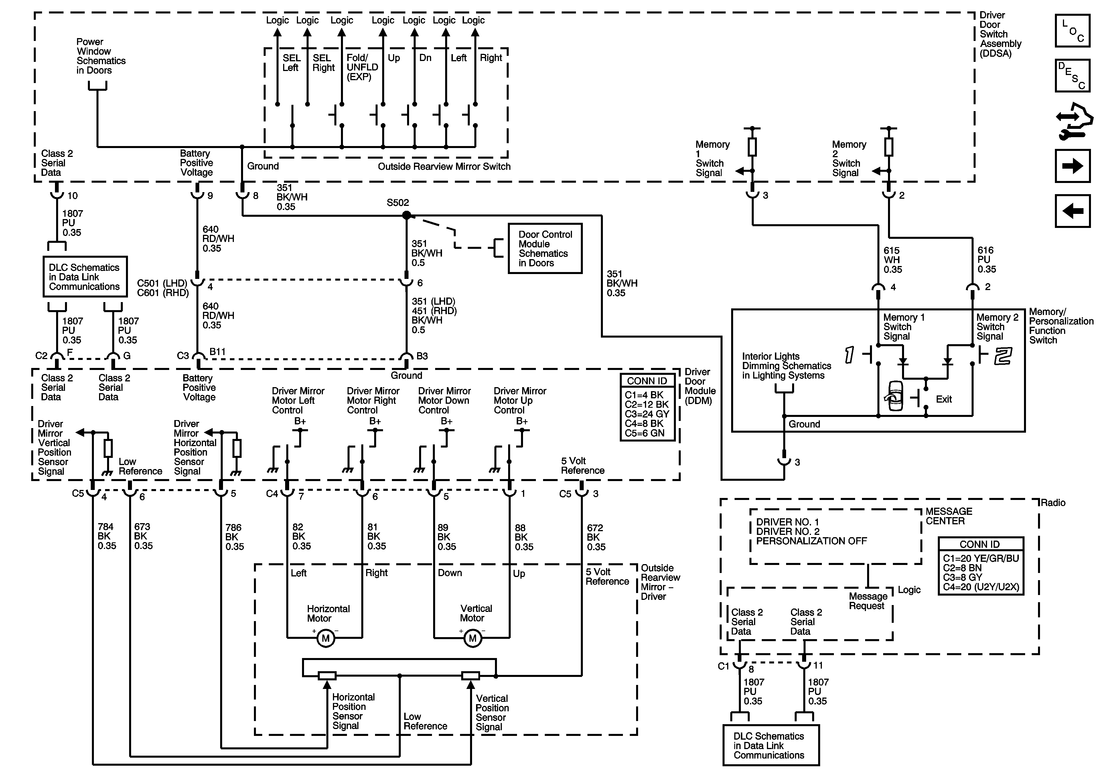
Figure 2:

Driver Outside Rearview Mirror (A45)


Object Number: 1471134  Size: FS
Master Electrical Component List
Outside Mirror Description and Operation
Control Module References
Passenger Outside Rearview Mirror (A45)
Outside Rearview Mirrors, Driver Door Switch Assembly (DDSA) and Front Door Modules
Front Power Window Switches and Motor
Class 2 Serial Data Bus - LHD - 1 of 2
Driver Door Module (DDM) Power, Ground and Serial Data
Power, Ground and Serial Data - 2 of 2
Class 2 Serial Data Bus - LHD - 2 of 2
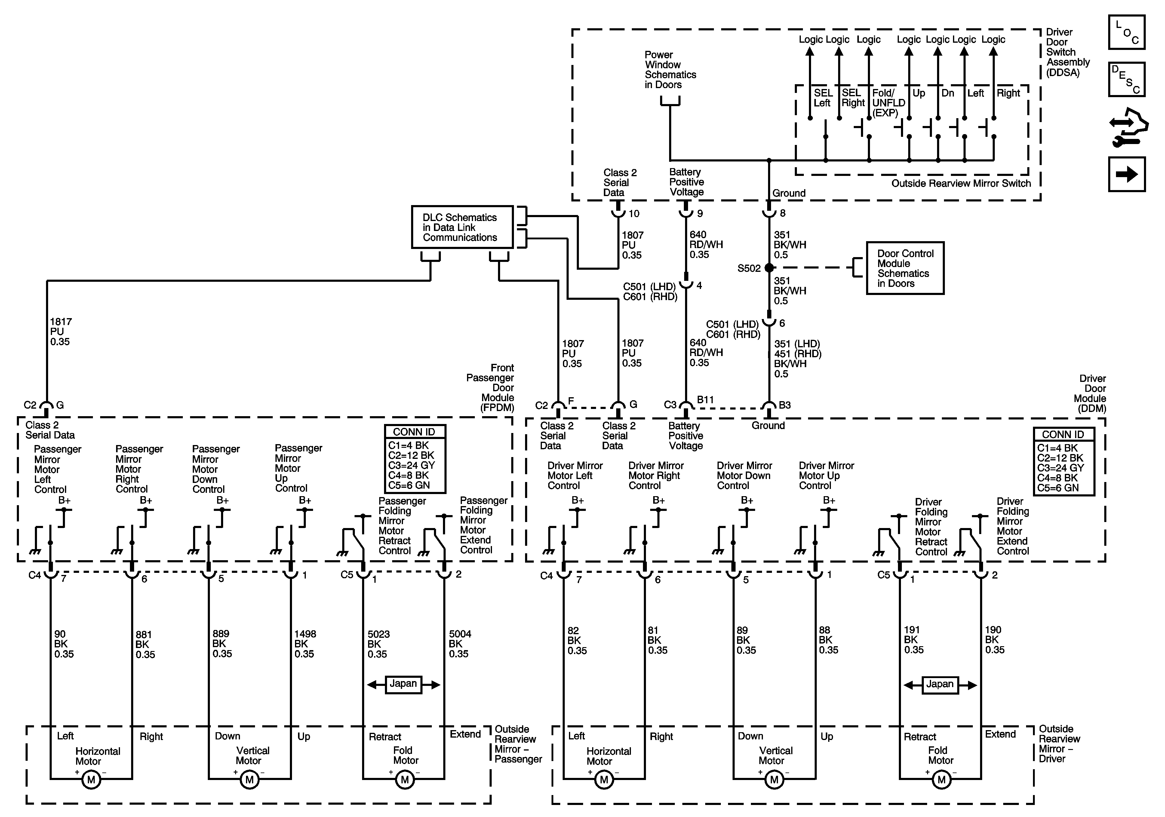
Figure 3:

Passenger Outside Rearview Mirror (A45)


Object Number: 1471137  Size: FS
Master Electrical Component List
Outside Mirror Description and Operation
Control Module References
Heated Outside Rearivew Mirrors
Driver Outside Mirror (A45)
Front Power Window Switches and Motor
Driver Door Module (DDM) Power, Ground and Serial Data
Class 2 Serial Data Bus - LHD - 1 of 2
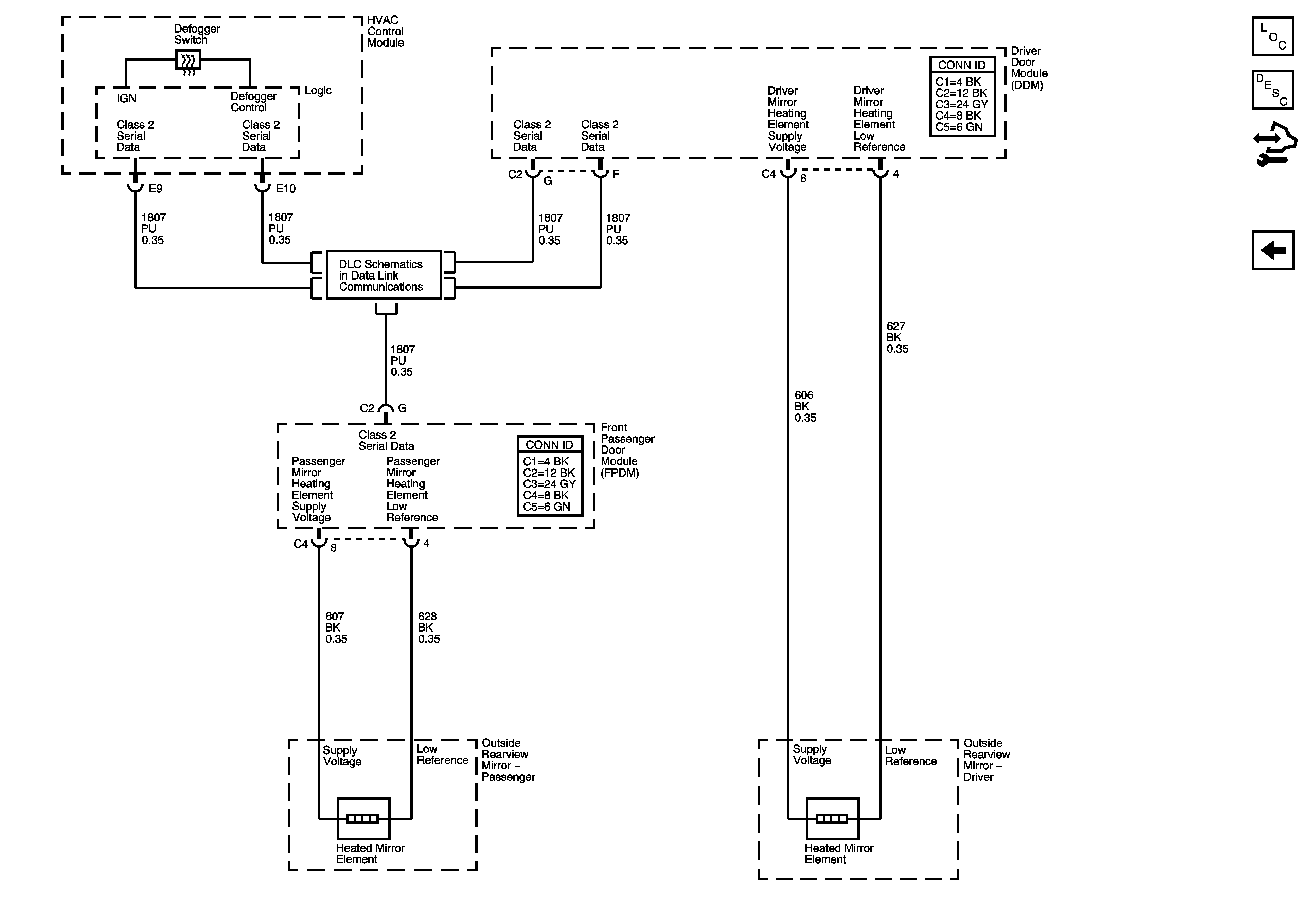
Figure 4:

Heated Outside Rearview Mirrors


Object Number: 1471138  Size: FS
Master Electrical Component List
Outside Mirror Description and Operation
Control Module References
Passenger Outside Rearview Mirror (A45)
Class 2 Serial Data Bus - RHD - 2 of 2