GM Service Manual Online
For 1990-2009 cars only
Figure 1:

Splice Pack and Pass-Through Locations


Object Number: 1365867  Size: LF
(1)SP102 (LA3/LY7/LY9)
(2)Pass-Through Grommet from Engine Compartment to Passenger Compartment
(3)Pass-Through Grommet from Passenger Compartment to Right Front Door
(4)Pass-Through Grommet from Passenger Compartment to Right Rear Door
(5)SP303
(6)Pass-Through Grommet from Rear Compartment to Rght Rear Underbody
(7)Pass-Through Grommet from Rear Compartment to Left Rear Underbody
(8)Pass-Through Grommet from Passenger Compartment to Left Rear Door
(9)SP300
(10)Pass-Through Grommet from Passenger Compartment to Left Front Door
(11)Pass-Through Grommet from Engine Compartment to Passenger Compartment
(12)SP200
Figure 2:

Front End Lighting Harness Routing - LF of the Vehicle


Object Number: 1347682  Size: LF
(1)Marker Lamp - LF Connector
(2)Headlamp - Left Connector
(3)C108
Figure 3:

Front End Lighting Harness Routing - RF of the Vehicle


Object Number: 1347680  Size: LF
(1)C109
(2)Headlamp - Right Connector
(3)Marker Lamp - RF Connector
Figure 4:

Lower Left of the Engine Compartment


Object Number: 804233  Size: LF
(1)G101
(2)C105 (V8)
(3)C104 (V6) or C107 (V8)
(4)Wiring Harness Pass-through Grommet
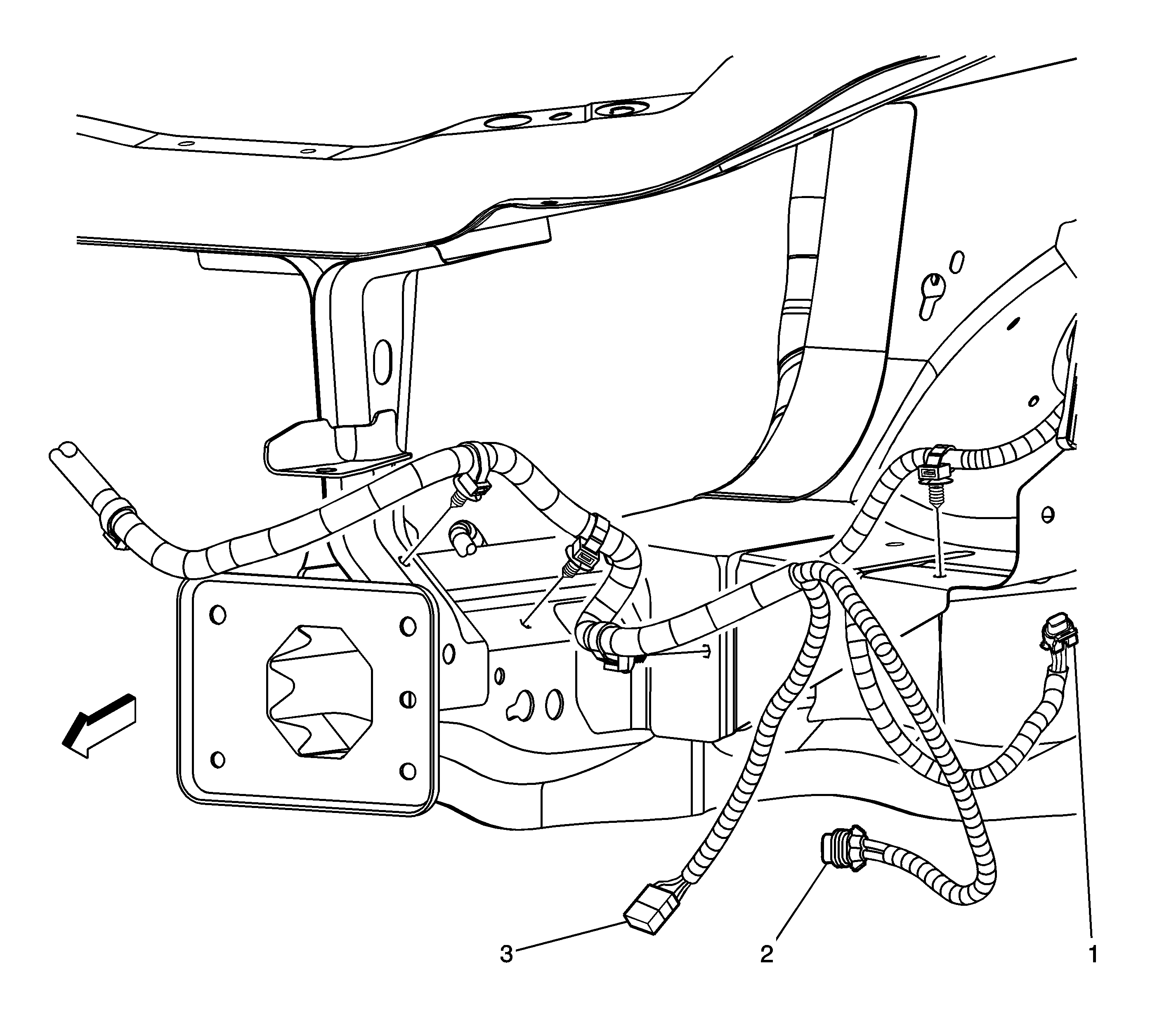
Figure 5:

Lower Right of the Engine Compartment


Object Number: 804240  Size: LF
(1)C103
(2)S204
(3)Underhood Fuse Block C4
Figure 6:

Battery and Fuse Blocks


Object Number: 1367736  Size: LF
(1)Fuse Block - Underhood
(2)Battery Positive Cable Connection to Fuse Block - Underhood
(3)Ground G105 (LHD)
(4)Battery Positive Cable (LHD)
(5)Battery (LHD)
(6)Battery Negative Cable (LHD)
(7)C103 (LHD)
(8)Fuse Block - Right Rear
(9)Fuse Block - Left Rear
(10)Battery (RHD)
(11)Battery Negative Cable (RHD)
(12)Ground G105 (RHD)
(13)C103 (RHD)
(14)Battery Positive Cable (RHD)
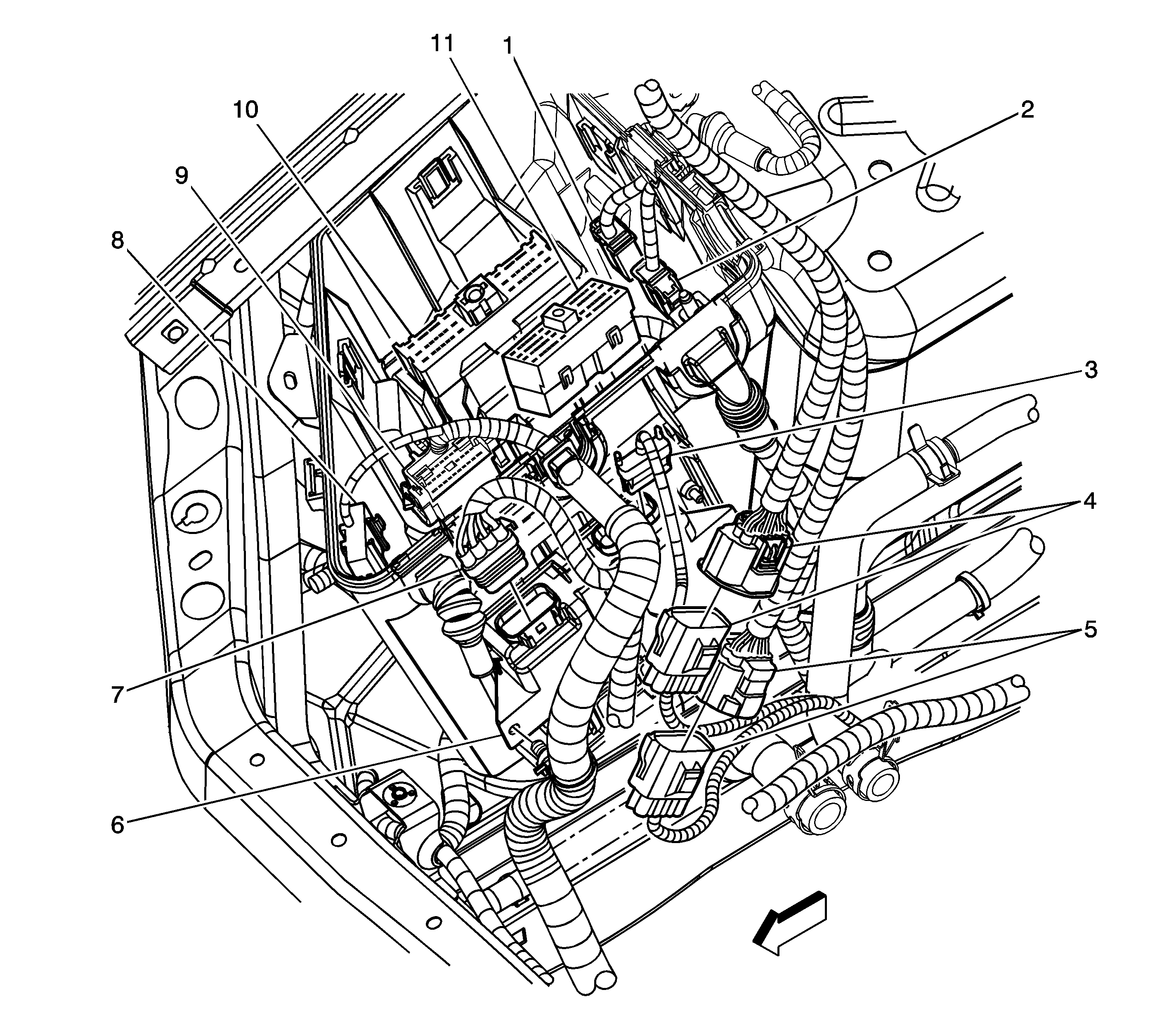
Figure 7:

Right Front Side of the Engine Compartment, C101, C102 (LS6)


Object Number: 1372926  Size: LF
(1)Fuse Block - Underhood Connector C2
(2)Fuse Block - Underhood Connector C3
(3)Throttle Actuator Control (TAC) Module Connector C1
(4)C101
(5)C102
(6)Throttle Actuator Control (TAC) Module
(7)Throttle Actuator Control (TAC) Module Connector C2
(8)Splice Pack SP102
(9)Fuse Block - Underhood Connector C5
(10)Fuse Block - Underhood Connector C1
(11)Fuse Block - Underhood Connector C4
Figure 8:

Left Side of the Engine Compartment - 5.7L (LS6)


Object Number: 1372936  Size: LF
(1)A/C Refrigerent Pressure Sensor
(2)A/C Refrigerent Pressure Sensor Connector
(3)C107
(4)C105
Figure 9:

I/P Harness 1 of 2


Object Number: 1365997  Size: LF
(1)Inflatable Restraint I/P Module Connectors
(2)C201
(3)C304
(4)C203
(5)G200
(6)C200
Figure 10:

I/P Harness 2 of 2


Object Number: 804254  Size: LF
(1)C203
(2)C202
Figure 11:

Passenger Compartment - Under Left Side of I/P


Object Number: 804268  Size: LF
(1)C200
(2)C500 Pass-through Location Hole
(3)C500
(4)G200
(5)C203
Figure 12:

Passenger Compartment - Under Right Side of I/P


Object Number: 804267  Size: LF
(1)Pass-through Grommet
(2)C600 Pass-through Location Hole
(3)C201
(4)Inflatable Restraint I/P Module (Harness Side)
(5)G201
(6)C600
Figure 13:

Body Harness 1 of 2


Object Number: 1366194  Size: LF
(1)Inflatable Restraint Sensing and Diagnostic Module (SDM) Connector
(2)Rear Integration Module (RIM) Connectors
(3)Rear Defogger Connector
(4)Digital Radio Receiver Connector (Domestic w/U2K/U2L) or TV Antenna Module Connector (Export w/U2Y/U2X)
(5)Traffic Information Receiver Connector (Export w/U2X)
(6)Inflatable Restraint Roof Rail Module - Driver Connector
(7)C305
(8)C308
(9)C300
(10)C301
(11)C200
(12)C303
(13)C312
(14)G201
(15)C201
(16)C306
(17)C307
(18)Shift Control Assembly Connector (M82)
Figure 14:

Body Harness 2 of 2


Object Number: 1366356  Size: LF
(1)Fuse Block - Right Rear
(2)Inflatable Restraint Roof Rail Module - Passenger Connector
(3)C311
(4)Fuse Block - Left Rear
(5)C700
(6)SP300
(7)G307
(8)C500
(9)G200
(10)G306
(11)G201
(12)C600
(13)C800
Figure 15:

Headliner Harness


Object Number: 1366499  Size: LF
(1)C309
(2)C311
(3)Radio Antenna COAX Connector
(4)Dome Lamp Connector
(5)Intrusion Sensor Connector (Export w/UA2)
(6)Radio Antenna Module Connector
(7)C305
(8)C308
(9)Sunshade - Driver (LHD ) or Sunshade - Passenger (RHD)
(10)Speaker - Left A-Pillar Tweeter
(11)Inside Rearview Mirror (ISRVM) Connector
(12)Overhead Console Connector
(13)Noise Compensation Microphone Connector
(14)Speaker - Right A-Pillar Tweeter
(15)Radio Antenna COAX Connector
(16)Radio Antenna COAX Ground Connector (Early Production)
(17)Sunroof Control Switch Connector
(18)Sunshade - Passenger (LHD) or Sunshade - Driver (RHD)
(19)Radio Antenna COAX Connector
Figure 16:

Passenger Compartment - Under Driver Seat


Object Number: 1366541  Size: LF
(1)C312 (LHD Shown, RHD Similar)
(2)C300 (LHD Shown, RHD Similar)
(3)C301 (LHD Shown, RHD Similar)
(4)C303 (LHD Shown, RHD Similar)
Figure 17:

Passenger Compartment - Between Left Doors


Object Number: 1366518  Size: LF
(1)B - Pillar Left
(2)SP300
(3)G307
(4)C301
(5)C300
Figure 18:

Passenger Compartment - Under Center Console


Object Number: 1368986  Size: LF
(1)Shift Control Assembly Connector
(2)Body Harness Ground G306
(3)Yaw Rate and Lateral Acceleration Sensor Connector
(4)Yaw Rate and Lateral Acceleration Sensor
(5)Inflatable Restraint Sensing and Diagnostic Module (SDM) Connector
(6)Inflatable Restraint Sensing and Diagnostic Module (SDM)
Figure 19:

Passenger Compartment - Behind Front Seats


Object Number: 804271  Size: LF
(1)Splice Pack SP303
(2)Fuse Block - Right Rear
(3)Fuse Block - Left Rear
(4)G306 (Hidden)
(5)Inflatable Restraint Sensing and Diagnostic Module (SDM)
Figure 20:

Passenger Compartment - Between Right Doors


Object Number: 1366523  Size: LF
(1)Right B - Pillar
(2)C307
(3)C306
Figure 21:

Door Components


Object Number: 1366526  Size: LF
(1)Right Rear Door Module (RRDM) Connectors, LRDM Similar
(2)C801
(3)Door Latch Assembly - Right Rear Connector, Left Rear Similar
(4)C800
(5)Pass-through Grommet
(6)Window Motor - Front Passenger Connector, Driver Similar
(7)Door Latch Assembly - Front Passenger Connector, Driver Similar
(8)C601
(9)Front Passenger Door Module (FPDM) Connectors, DDM Similar (LHD Shown, RHD Similar)
(10)Right Front Door Pass-through Grommet, Left Similar
(11)C600
Figure 22:

Passenger Compartment - Left Sail Panel


Object Number: 804273  Size: LF
(1)G303
(2)C308
(3)Inflatable Restraint Roof Rail Module - Driver Connector
(4)C305
(5)Rear Defogger Connector C1
Figure 23:

Passenger Compartment - Right Sail Panel


Object Number: 1367799  Size: LF
(1)Inflatable Restraint Roof Rail Module - Passenger Connector
(2)Radio Antenna Coax Connector
(3)C311
(4)Cellular Antenna Coax Connector
(5)Cellular Antenna
(6)G303
(7)Rear Window Defogger Connector C2
(8)Rear Window Defogger Grid
(9)Splice S309
Figure 24:

Body Harness Routing - Rear Package Shelf


Object Number: 1347670  Size: LF
(1)Body Harness
(2)C322
(3)Navigation Antenna Coax Connector
(4)Navigation Antenna
(5)Speaker - Rear Subwoofer
(6)Rear Integration Module (RIM) Connector C2
(7)Rear Integration Module (RIM) Connector C1
Figure 25:

Body Harness Routing - Right Side of Rear Compartment


Object Number: 1347669  Size: LF
(1)C310
(2)C411
(3)Navigation Antenna Coax (UE1)
(4)Vehicle Communication Interface Module (VCIM) Connectors
(5)G401
(6)Inclination Sensor Connector (Export w/UA2)
Figure 26:

Rear of the Vehicle


Object Number: 803970  Size: LF
(1)C421
(2)Rear Compartment Lid
(3)Rear Compartment Lid Release Actuator Connector
(4)Rear Compartment Lid Release Actuator
(5)S400
(6)Pass-through Grommet
(7)G401
(8)G402
(9)Pass-through Grommet
Figure 27:

Rear of Vehicle - Underneath


Object Number: 1366533  Size: LF
(1)C420 (LP1/LY7) or C422 (LS6)
(2)Evaporative Emission (EVAP) Canister Vent Solenoid Valve Connector
(3)Fuel Tank Pressure Sensor Connector
(4)Fuel Pump and Sender Assembly Connector
(5)Fuel Tank Pressure Sensor Connector
(6)Fuel Pump and Sender Assembly Connector
(7)Pass-Through Grommet
(8)S400