GM Service Manual Online
For 1990-2009 cars only
Figure 1:

Engine Controls Components


Object Number: 1369069  Size: LF
(1)Fuel Injector 6
(2)Fuel Injector 8
(3)Fuel Injector 3
(4)Fuel Injector 5
(5)Fuel Injector 7
(6)Ignition Coil/Module 7
(7)Ignition Coil/Module 5
(8)C131
(9)Ignition Coil/Module 3
(10)Ignition Coil/Module 1
(11)Engine Coolant Temperature (ECT) Sensor
(12)Evaporative Emission (EVAP) Canister Purge Solenoid Valve
(13)Fuel Injector 1
(14)Throttle Actuator Control (TAC) Motor
(15)Throttle Position (TP) Sensor
(16)Fuel Injector 2
(17)Ignition Coil/Module 2
(18)Ignition Coil/Module 4
(19)Fuel Injector 4
(20)C132
(21)Ignition Coil/Module 6
(22)Ignition Coil/Module 8
Figure 2:

Right Front Side of the Engine Compartment


Object Number: 1552992  Size: LF
(1)C101
(2)C102
(3)Fuse Block - Underhood Connector C3
(4)Throttle Actuator Control (TAC) Module Connector C1 (LS6)
(5)Throttle Actuator Control (TAC) Module (LS6), Transmission Control Module (TCM) (LP1/LY7)
(6)Throttle Actuator Control (TAC) Module Connector C2 (LS6)
(7)Splice Pack SP102
(8)Fuse Block - Underhood Connector C5
(9)Fuse Block - Underhood Connector C1
(10)Fuse Block - Underhood Connector C4
(11)Fuse Block - Underhood Connector C2
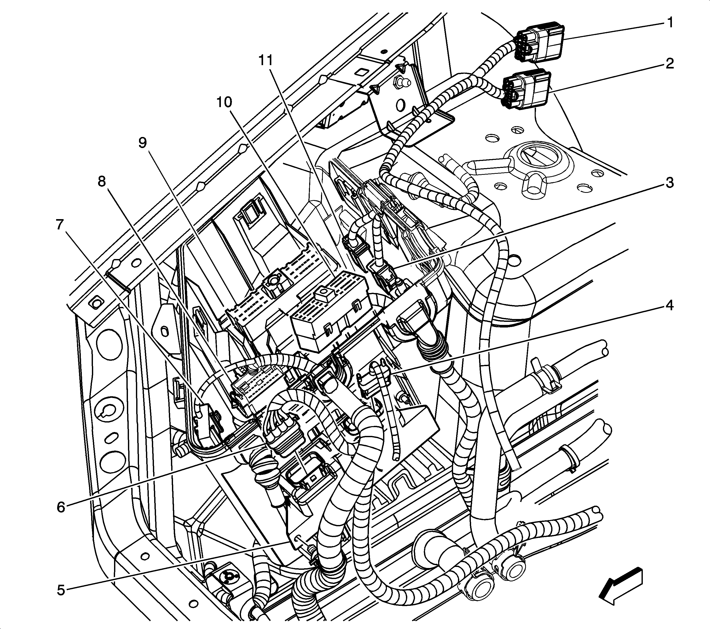
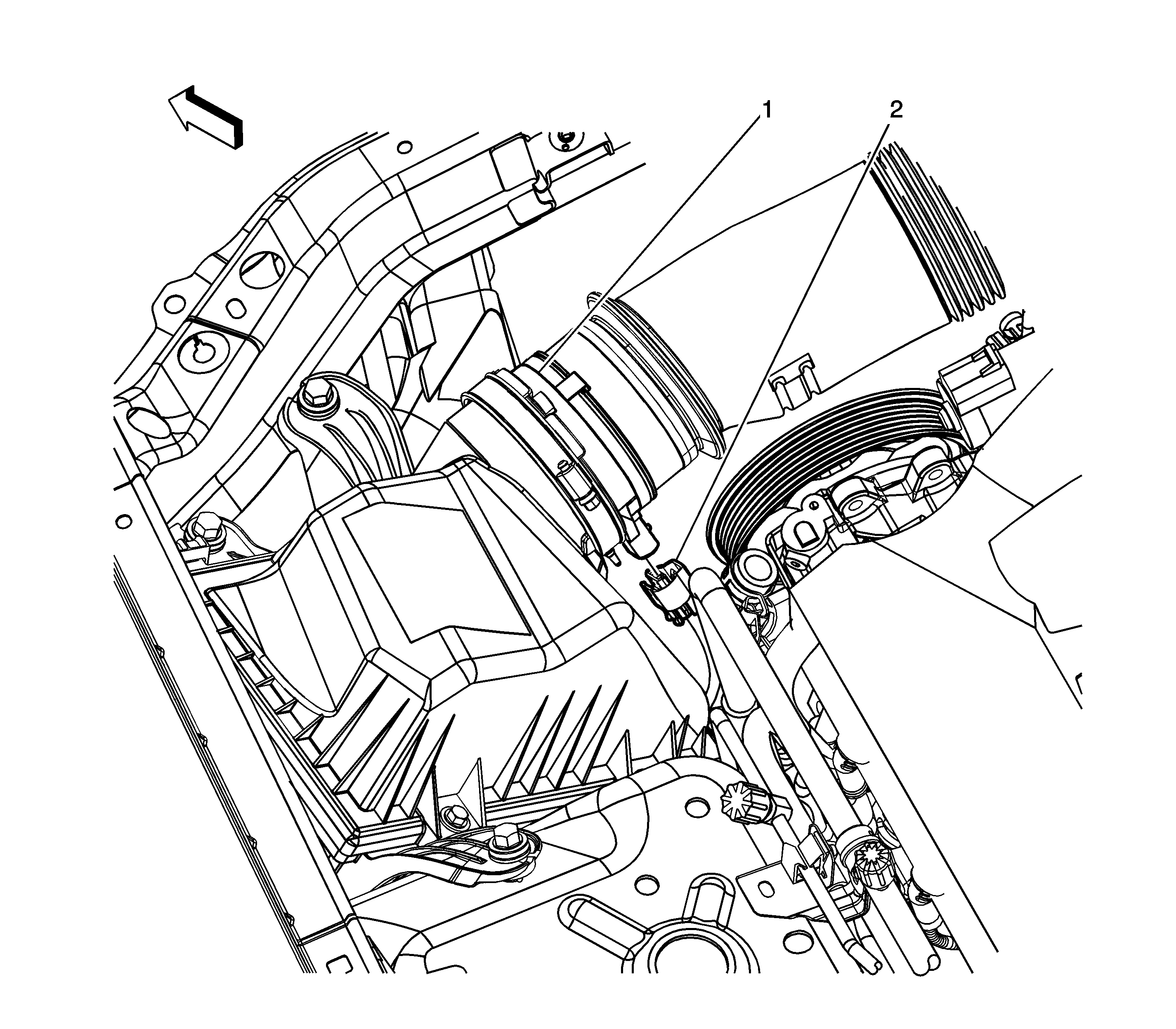
Figure 3:

MAF and IAT Sensors - 5.7L (LS6)


Object Number: 1372932  Size: LF
(1)Mass Air Flow (MAF) and Intake Air Temperature (IAT) Sensors
(2)Mass Air Flow (MAF) Connector
Figure 4:

Right Side of the Engine


Object Number: 1551000  Size: MF
(1)Crankshaft Position (CKP) Sensor Connector
(2)A/C Compressor Clutch Connector (C60)
(3)Engine Oil Level Switch Connector
(4)Starter Motor
Figure 5:

Center of the Engine


Object Number: 198593  Size: MF
(1)Knock Sensor (KS) 1
(2)Knock Sensor (KS) 2
Figure 6:

Rear of Engine - 5.7L (LS6)


Object Number: 1368977  Size: LF
(1)Ground G141
(2)Manifold Absolute Pressure (MAP) Sensor
(3)Ground G142
(4)Camshaft Position (CMP) Sensor
(5)Engine Oil Pressure (EOP) Sensor
(6)Ground G140
Figure 7:

Heated Oxygen Sensors (HO2S)


Object Number: 1379281  Size: LF
(1)Heated Oxygen Sensor (HO2S) Bank 1 Sensor 1
(2)Heated Oxygen Sensor (HO2S) Bank 2 Sensor 1
(3)Heated Oxygen Sensor (HO2S) Bank 2 Sensor 2
(4)Heated Oxygen Sensor (HO2S) Bank 1 Sensor 2
Figure 8:

Brake Pedal, Accelerator Pedal, Brake Pedal Position Sensor and APP Sensors


Object Number: 1334064  Size: LF
(1)Accelerator Pedal Position (APP) Sensor
(2)Accelerator Pedal
(3)Brake Pedal
(4)Brake Pedal Position Sensor
Figure 9:

EVAP Canister Vent Solenoid Valve


Object Number: 1378817  Size: LF
(1)EVAP Canister
(2)EVAP Canister Vent Solenoid Valve Connector
(3)EVAP Canister Vent Solenoid Valve
Figure 10:

Fuel Tank Subsystem Components


Object Number: 1378267  Size: LF
(1)Secondary Fuel Sender Assembly
(2)Secondary Fuel Sender Assembly Connector
(3)Secondary Fuel Sender Assembly (Removed from Fuel Tank)
(4)Fuel Pump and Sender Assembly (Removed from Fuel Tank)
(5)Fuel Pump and Sender Assembly
(6)Fuel Pump and Sender Assembly Connector
(7)Fuel Tank Pressure Sensor
(8)Fuel Tank Pressure Sensor Connector
Figure 11:

RF of the Engine Compartment


Object Number: 1552991  Size: LF
(1)C101
(2)Battery Bracket
(3)C102
(4)RF Strut Tower