GM Service Manual Online
For 1990-2009 cars only
Makes
🢒
Cadillac
🢒
2005
🢒
CTS
🢒 Brake Warning and Indicator
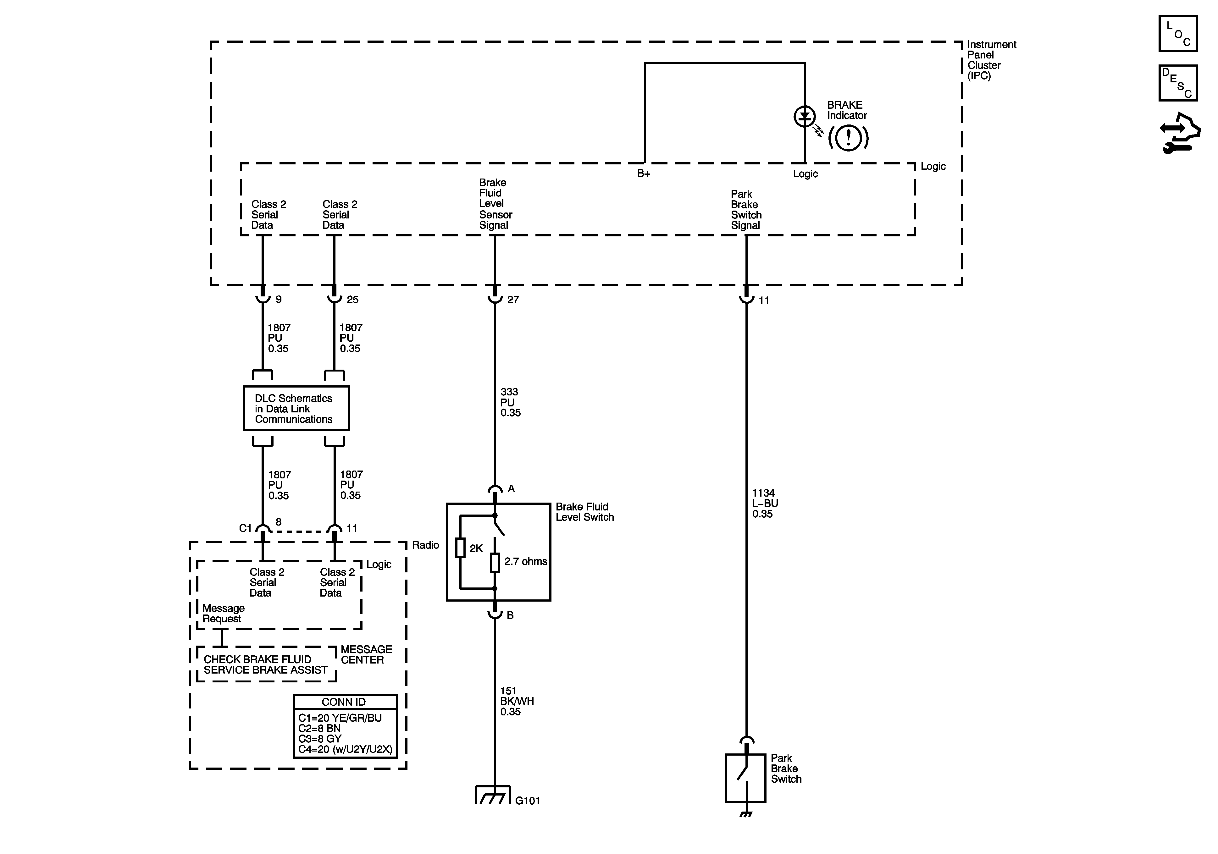
Brake Warning and Indicator
Master Electrical Component List
Brake Warning System Description and Operation
Control Module References
Class 2 Serial Data Bus - LHD - 2 of 2
G101