GM Service Manual Online
For 1990-2009 cars only
Makes
🢒
Cadillac
🢒
2005
🢒
CTS
🢒 BPP Sensor, Switches and Indicators 5.7L
BPP Sensor, Switches and Indicators 5.7L
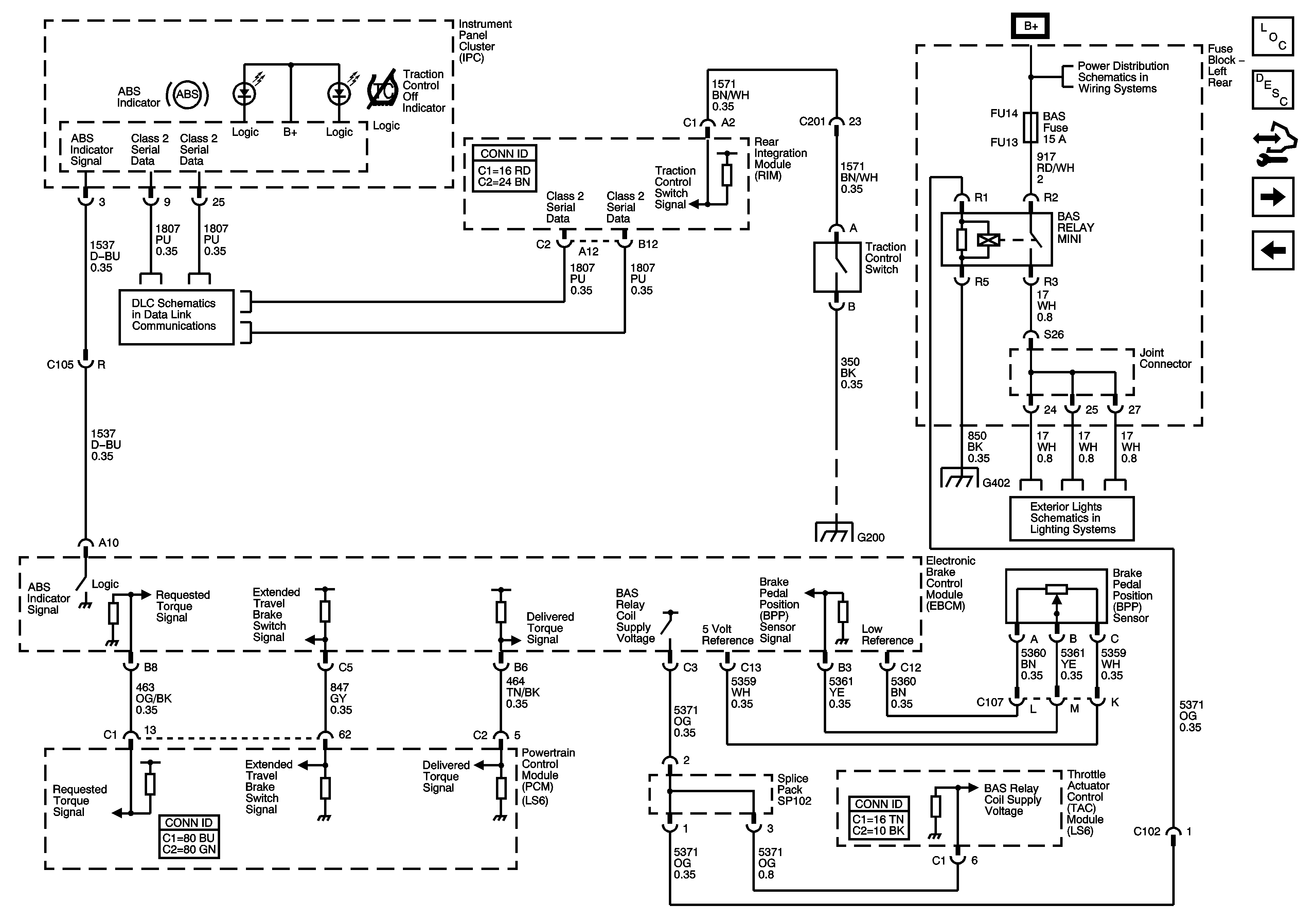
BPP Sensor, Switches and Indicators - 5.7L (LS6)
Master Electrical Component List
ABS Description and Operation
Control Module References
Wheel Speed Sensors and Variable Effort Steering Actuator
BPP Sensor, Switches and Indicators - 2.8L/3.6L (LP1/LY7)
Class 2 Serial Data Bus - LHD - 1 of 2
Left Rear Fuse Block B+ Bus
G200
G402 - 2 of 2
Stop Lamps, BPP Sensor and BAS Fuse/Relay - Domestic and Export