GM Service Manual Online
For 1990-2009 cars only
Makes
🢒
Cadillac
🢒
2005
🢒
CTS
🢒 Charging System - 5.7L (LS6)
Charging System - 5.7L (LS6)
Charging System - 5.7L (LS6)
Master Electrical Component List
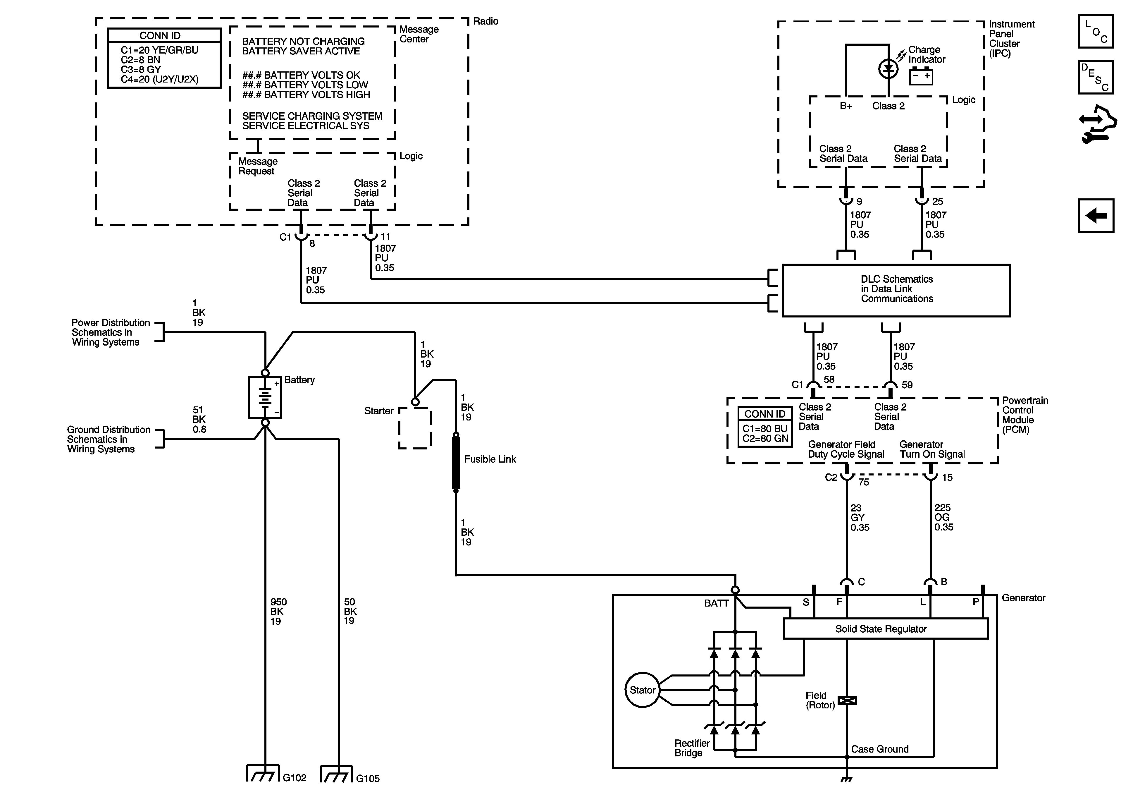
Charging System Description and Operation
Control Module References
Charging System - 2.8L/3.6L
Underhood Fuse Block B+ Bus - 1 of 2
G102, G105, G110, G303, G304 and G306
Class 2 Serial Data Bus - LHD - 1 of 2
G102, G105, G110, G303, G304 and G306
G102, G105, G110, G303, G304 and G306