GM Service Manual Online
For 1990-2009 cars only
Makes
🢒
Cadillac
🢒
2005
🢒
CTS
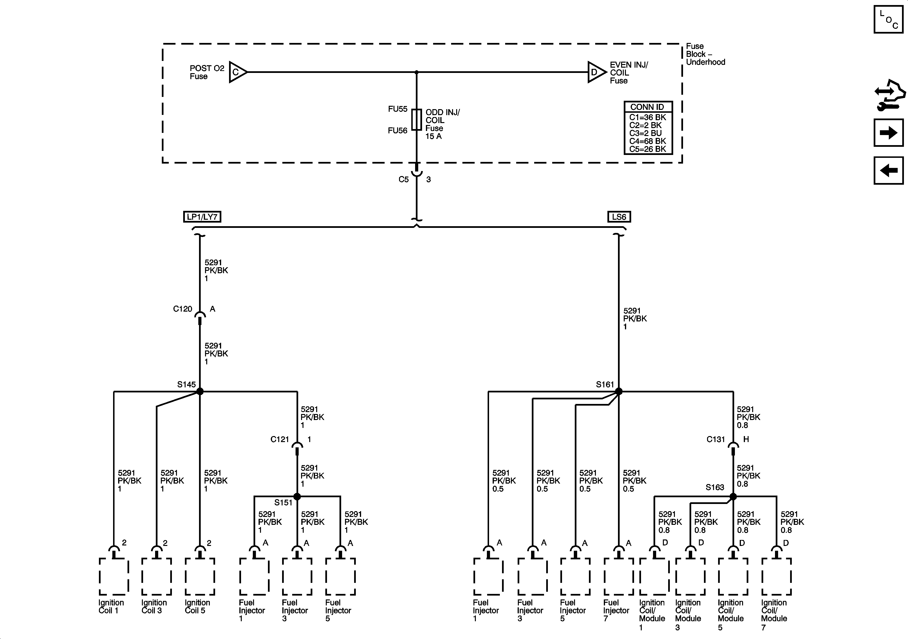
🢒 Underhood Fuse Block ODD INJ/COIL Fuse
Underhood Fuse Block ODD INJ/COIL Fuse
Underhood Fuse Block ODD INJ/COIL Fuse
Master Electrical Component List
Control Module References
Underhood Fuse Block EVEN INJ/COIL Fuse
Underhood Fuse Block POST 02 Fuse
Underhood Fuse Block POST 02 Fuse
Underhood Fuse Block EVEN INJ/COIL Fuse