GM Service Manual Online
For 1990-2009 cars only
Makes
🢒
Cadillac
🢒
2005
🢒
CTS
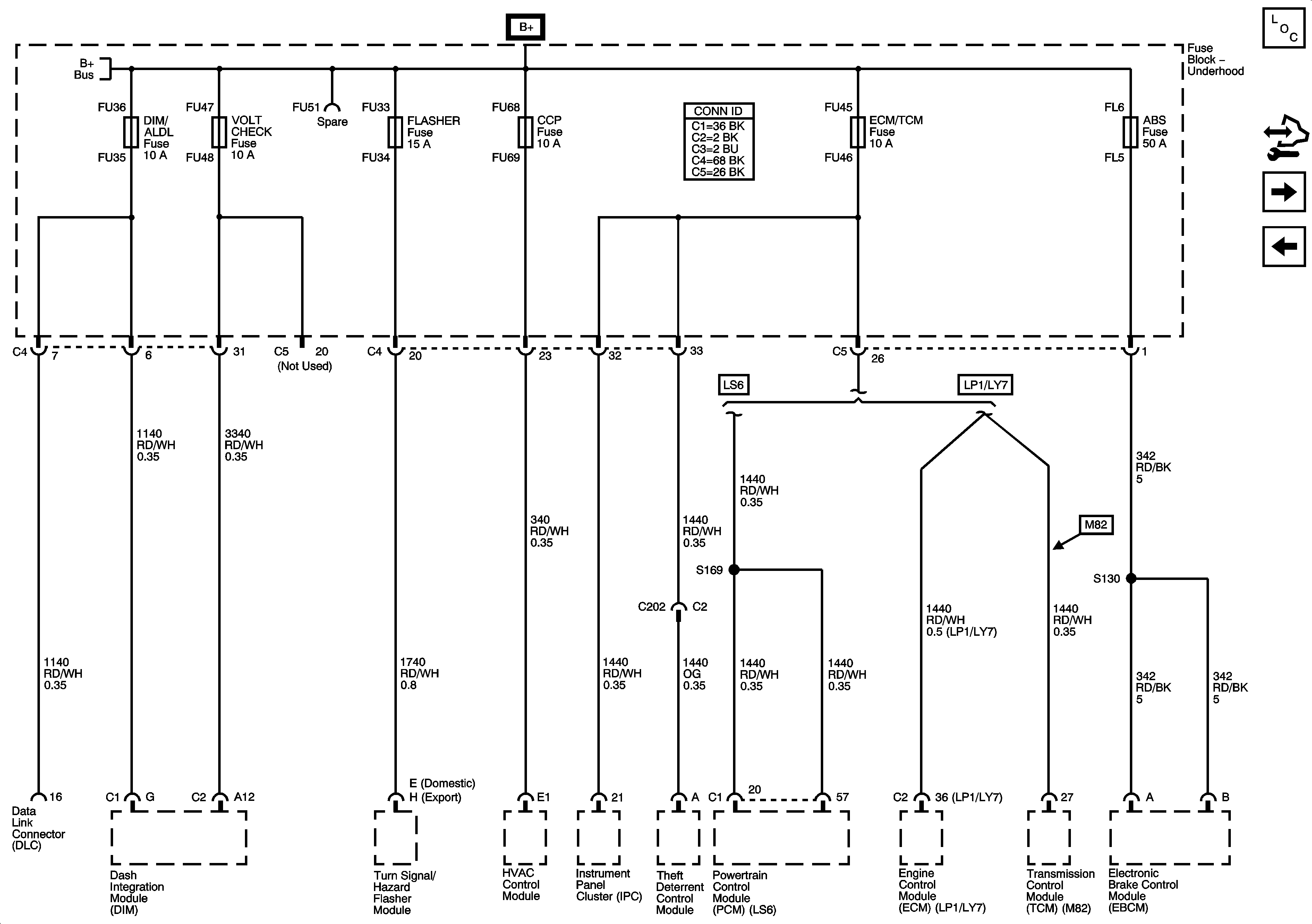
🢒 Underhood Fuse Block DIM/ALDL, VOLT CHECK, FLASHER, CCP, EGM/TCM and ABS Fuses
Underhood Fuse Block DIM/ALDL, VOLT CHECK, FLASHER, CCP, EGM/TCM and ABS Fuses
Underhood Fuse Block DIM/ALDL,VOLT CHECK, FLASHER, CCP, ECM/TCM and ABS Fuses
Master Electrical Component List
Control Module References
Underhood Fuse Block Headlamp Relays/Fuses, ACCESSORY Relay, I/P OUTLET, OUTLET, WPR MOD, WPR SW and ELEC PRNDL Fuses
Underhood Fuse Block EVEN INJ/COIL Fuse
Underhood Fuse Block B+ Bus - 2 of 2