GM Service Manual Online
For 1990-2009 cars only
Makes
🢒
Cadillac
🢒
2005
🢒
CTS
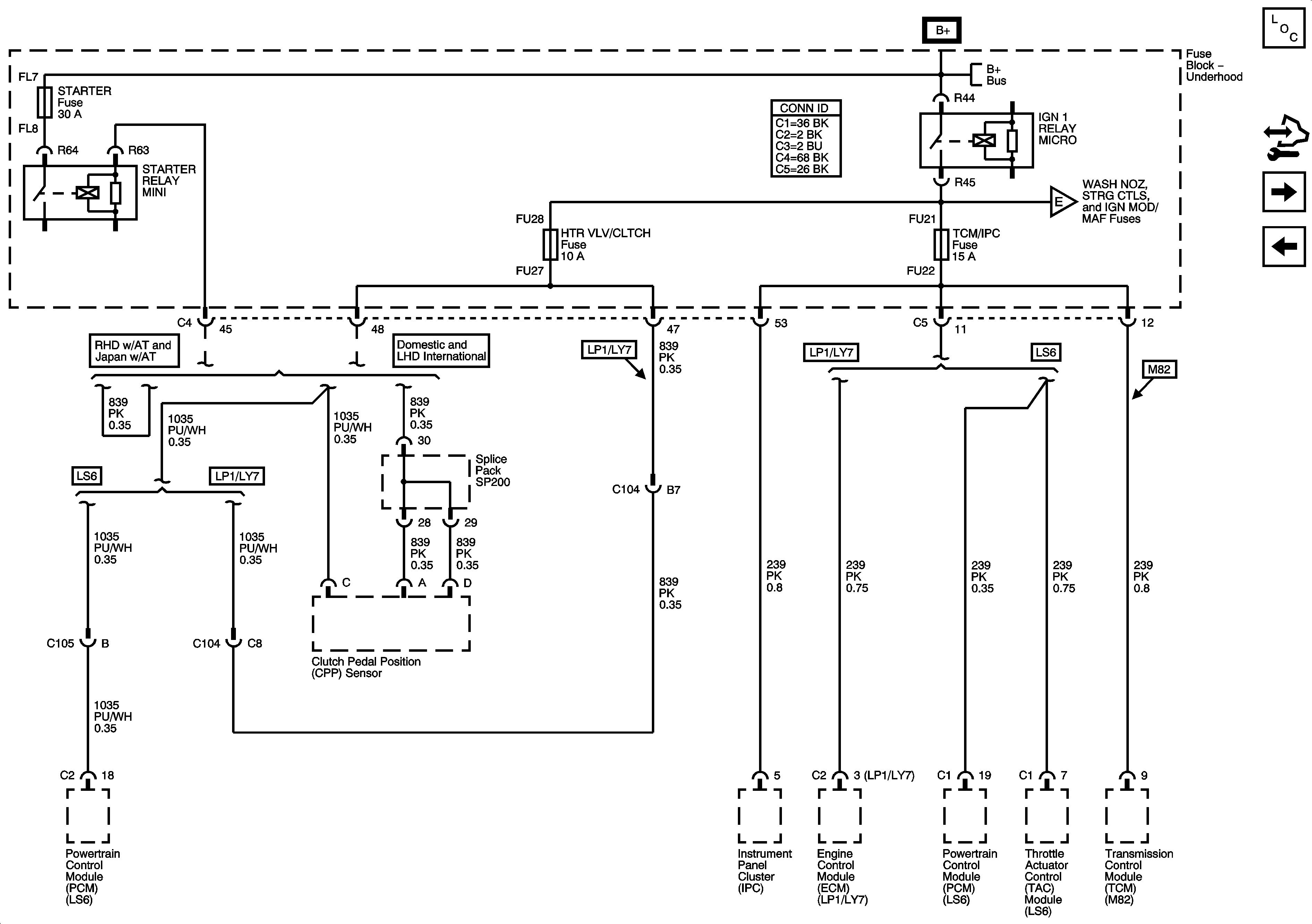
🢒 Underhood Fuse Block STARTER Relay, IGN 1 Relay, HTR VLV/CLTCH and TCM/IPC Fuses
Underhood Fuse Block STARTER Relay, IGN 1 Relay, HTR VLV/CLTCH and TCM/IPC Fuses
Underhood Fuse Block STARTER and IGN-1 Relays, HTR VLV/CLTCH and TCM/IPC Fuses
Master Electrical Component List
Control Module References
Underhood Fuse Block WASH NOZ, STRG CTLS and IGN MOD/MAF Fuses
Underhood Fuse Block Headlamp Relays/Fuses, ACCESSORY Relay, I/P OUTLET, OUTLET, WPR MOD, WPR SW and ELEC PRNDL Fuses
Underhood Fuse Block B+ Bus - 2 of 2
Underhood Fuse Block WASH NOZ, STRG CTLS and IGN MOD/MAF Fuses