GM Service Manual Online
For 1990-2009 cars only
Makes
🢒
Cadillac
🢒
2005
🢒
CTS
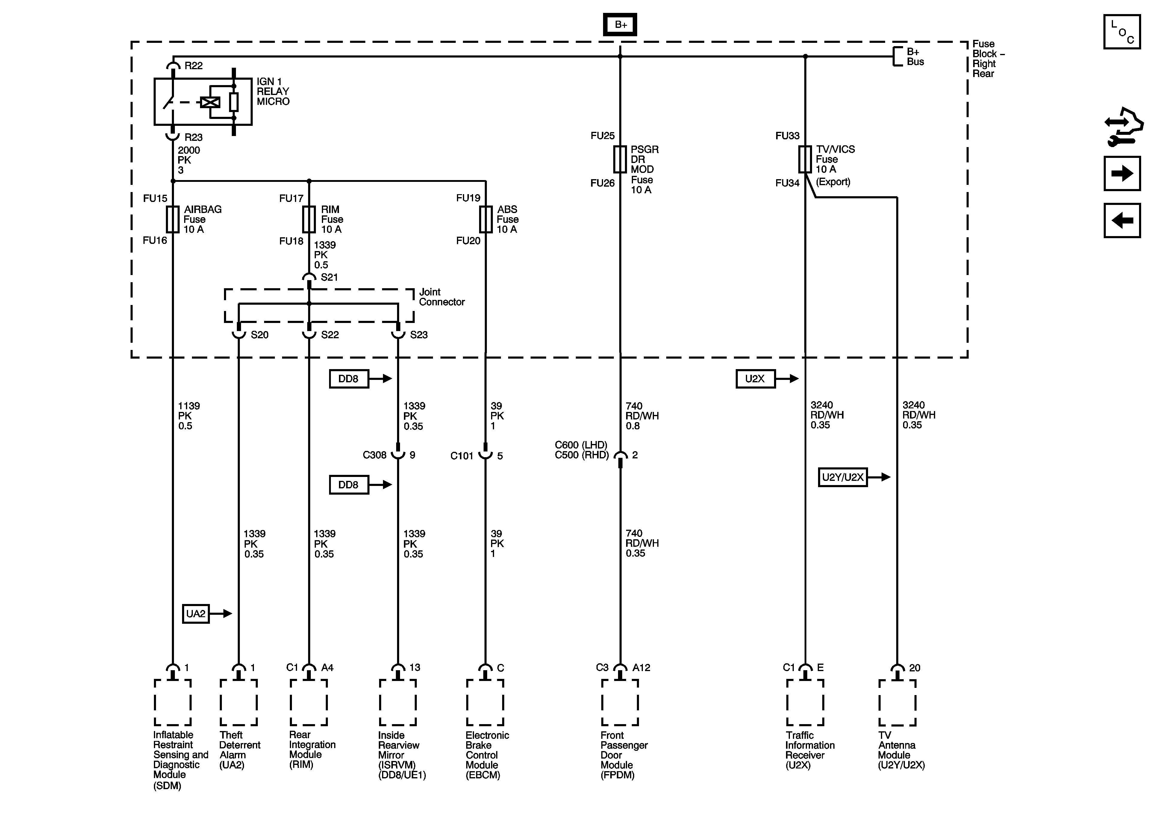
🢒 Right Rear Fuse Block IGN1 Relay, AIRBAG, RIM, ABS, PSGR DR MOD and TV/VICS Fuses
Right Rear Fuse Block IGN1 Relay, AIRBAG, RIM, ABS, PSGR DR MOD and TV/VICS Fuses
Right Rear Fuse Block IGN 1 Relay, AIRBAG, RIM, ABS, PSGR DR MOD and TV/VICS Fuses
Master Electrical Component List
Control Module References
Right Rear Fuse Block DR MOD PWR Circuit Breaker, CANISTER VENT, RIM/IGN SW, R FRT HTD SEAT MOD, and POWER SOUNDER Fuses
Left Rear Fuse Block SEAT Circuit Breaker, TRUNK Relay/Fuse, AMP, AUDIO, DRIVER DR MOD and REAR DR MOD Fuses
Underhood Fuse Block B+ Bus - 2 of 2