GM Service Manual Online
For 1990-2009 cars only
Makes
🢒
Cadillac
🢒
2005
🢒
CTS
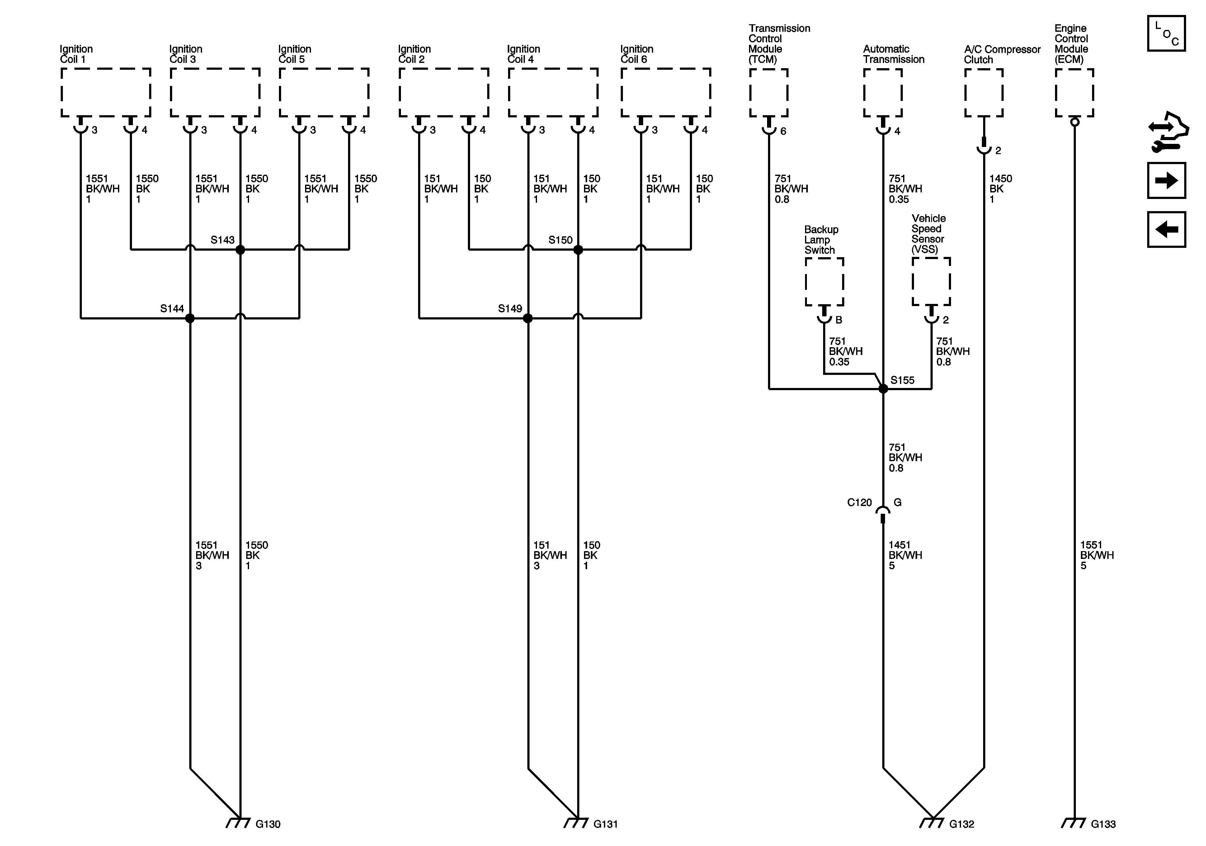
🢒 G130, G131, G132 and G133 (LY7)
G130, G131, G132 and G133 (LY7)
G130, G131, G132 and G133 - 3.6L (LY7)
Master Electrical Component List
Control Module References
G140, G141 and G142 (L56)
G104 - 2 of 2