GM Service Manual Online
For 1990-2009 cars only
Makes
🢒
Cadillac
🢒
2005
🢒
CTS
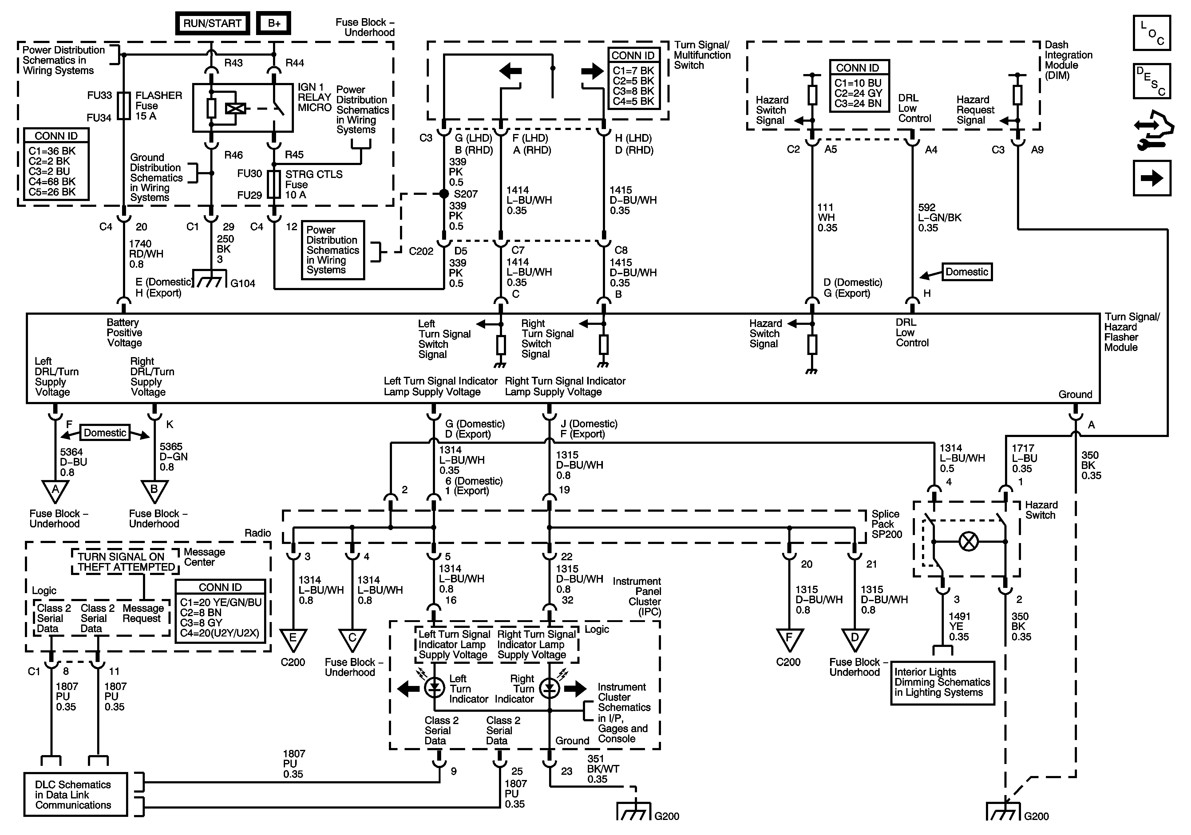
🢒 Turn Signal/Hazard Flasher Module
Turn Signal/Hazard Flasher Module
Turn Signal/Hazard Flasher Module
Master Electrical Component List
Exterior Lighting Systems Description and Operation
Control Module References
Turn Signal Lamps - Domestic and Export, Repeater Lamps - Export (T90
Underhood Fuse Block B+ Bus - 2 of 2
G104 - 1 of 2
Underhood Fuse Block B+ Bus - 2 of 2
G104 - 1 of 2
Underhood Fuse Block WASH NOZ, STRG CTLS and IGN MOD/MAF Fuses
Turn Signal Lamps - Domestic and Export, Repeater Lamps - Export (T90
Turn Signal Lamps - Domestic and Export, Repeater Lamps - Export (T90
Turn Signal Lamps - Domestic and Export, Repeater Lamps - Export (T90
Turn Signal Lamps - Domestic and Export, Repeater Lamps - Export (T90
Indicators
Turn Signal Lamps - Domestic and Export, Repeater Lamps - Export (T90
Turn Signal Lamps - Domestic and Export, Repeater Lamps - Export (T90
Power, Ground and Serial Data - 1 of 2
Class 2 Serial Data Bus - LHD - 2 of 2
G200
G200