GM Service Manual Online
For 1990-2009 cars only
Makes
🢒
Cadillac
🢒
2005
🢒
CTS
🢒 License Lamps, Rear Marker Lamps and Tail Lamps
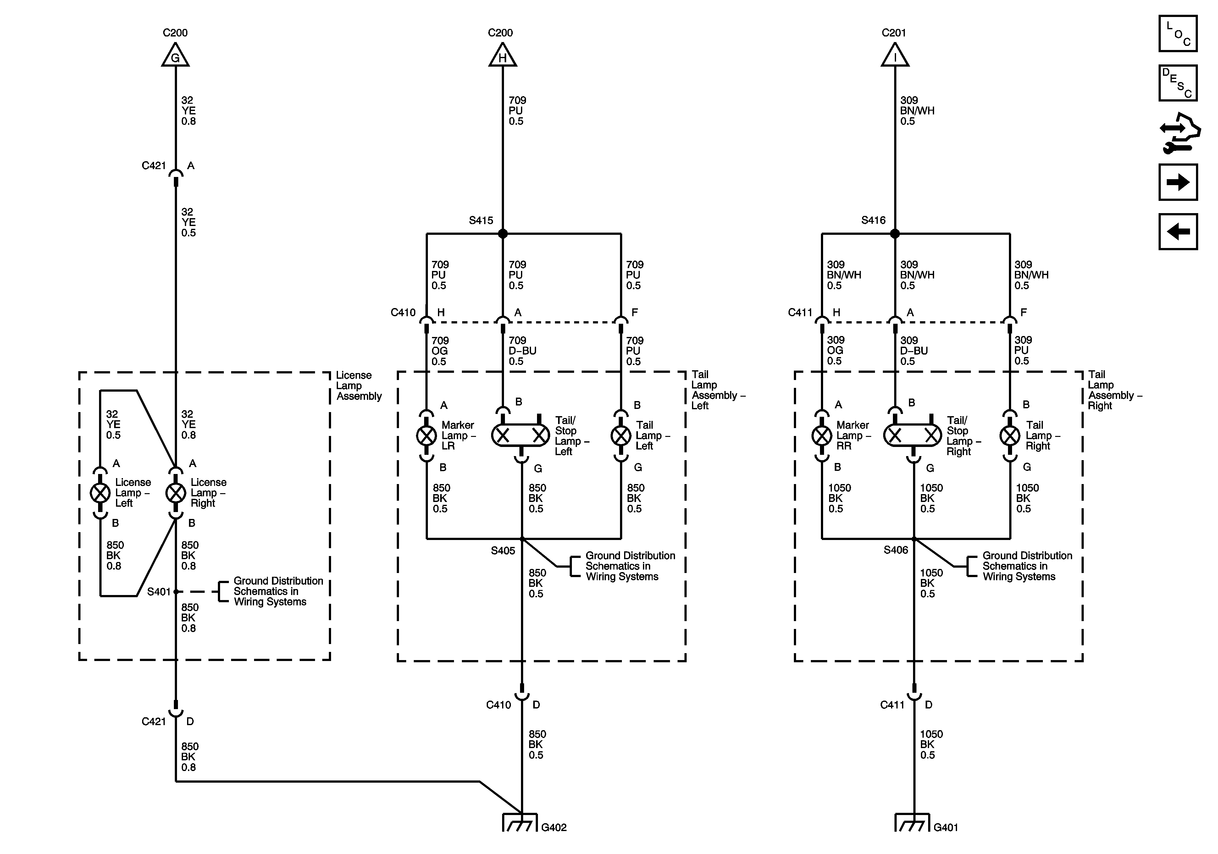
License Lamps, Rear Marker Lamps and Tail Lamps
License Lamps (Domestic and Export), Rear Marker Lamps (Domestic) and Tail Lamps (Domestic)
Master Electrical Component List
Exterior Lighting Systems Description and Operation
Control Module References
Position Lamp Controls - Export (T79)
Front Marker Lamps (w/TT7) and Front Park Lamps (w/o TT7)
Front Marker Lamps (w/TT7) and Front Park Lamps (w/o TT7)
Front Marker Lamps (w/TT7) and Front Park Lamps (w/o TT7)
Front Marker Lamps (w/TT7) and Front Park Lamps (w/o TT7)
G402 - 2 of 2
G402 - 2 of 2
G401
G402 - 2 of 2
G401