GM Service Manual Online
For 1990-2009 cars only
Makes
🢒
Cadillac
🢒
2005
🢒
CTS
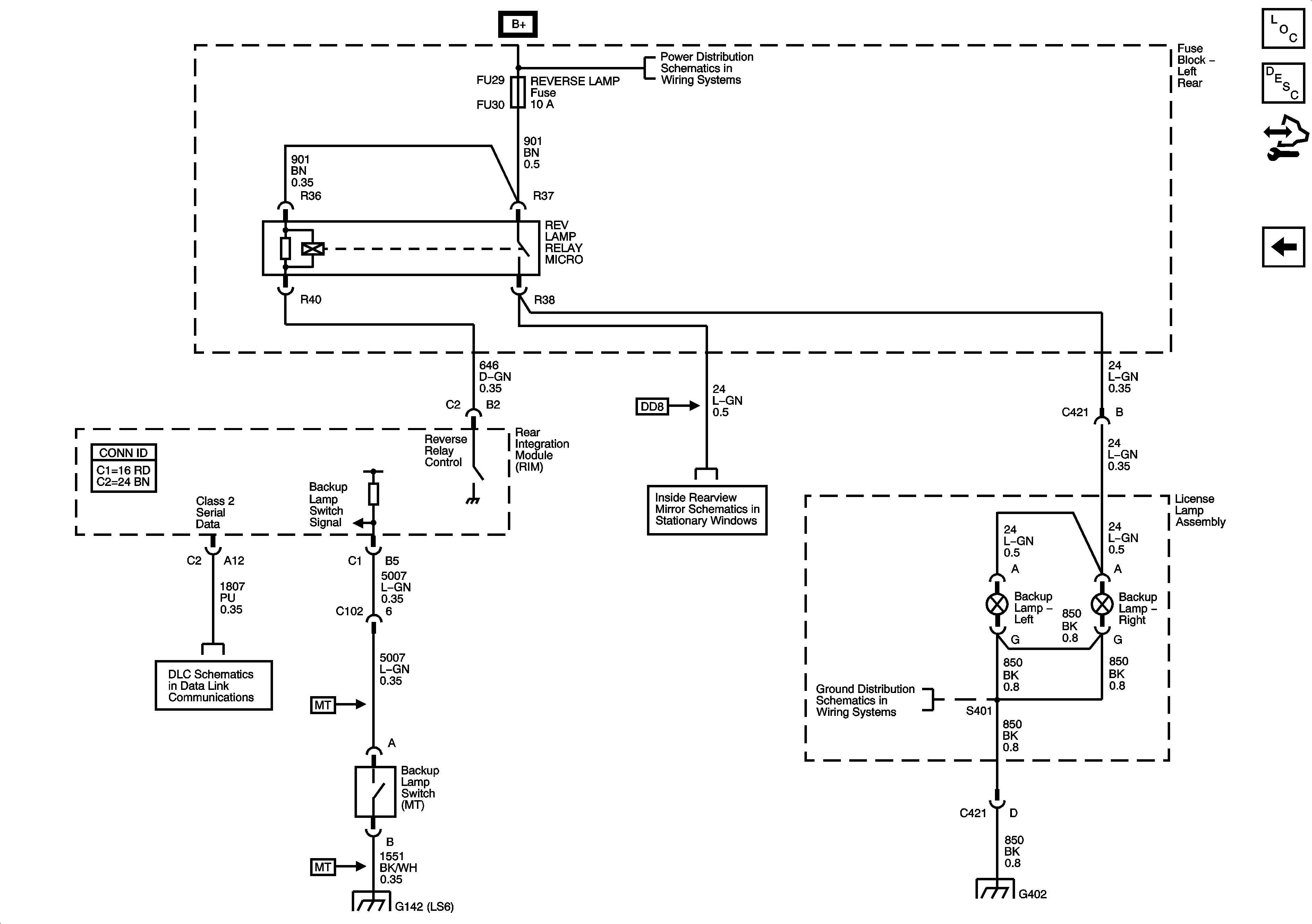
🢒 Backup Lamps
Backup Lamps
Backup Lamps
Master Electrical Component List
Exterior Lighting Systems Description and Operation
Control Module References
Stop Lamps, BPP Sensor and BAS Fuse/Relay - Domestic and Export
Left Rear Fuse Block B+ Bus
Class 2 Serial Data Bus - LHD - 2 of 2
G140, G141 and G142 (L56)
Inside Rearview Mirror (UE1)
G402 - 2 of 2
G402 - 2 of 2