GM Service Manual Online
For 1990-2009 cars only
Makes
🢒
Cadillac
🢒
2005
🢒
CTS
🢒 Power, Ground, Windshield Wiper/Washer Switch and Module
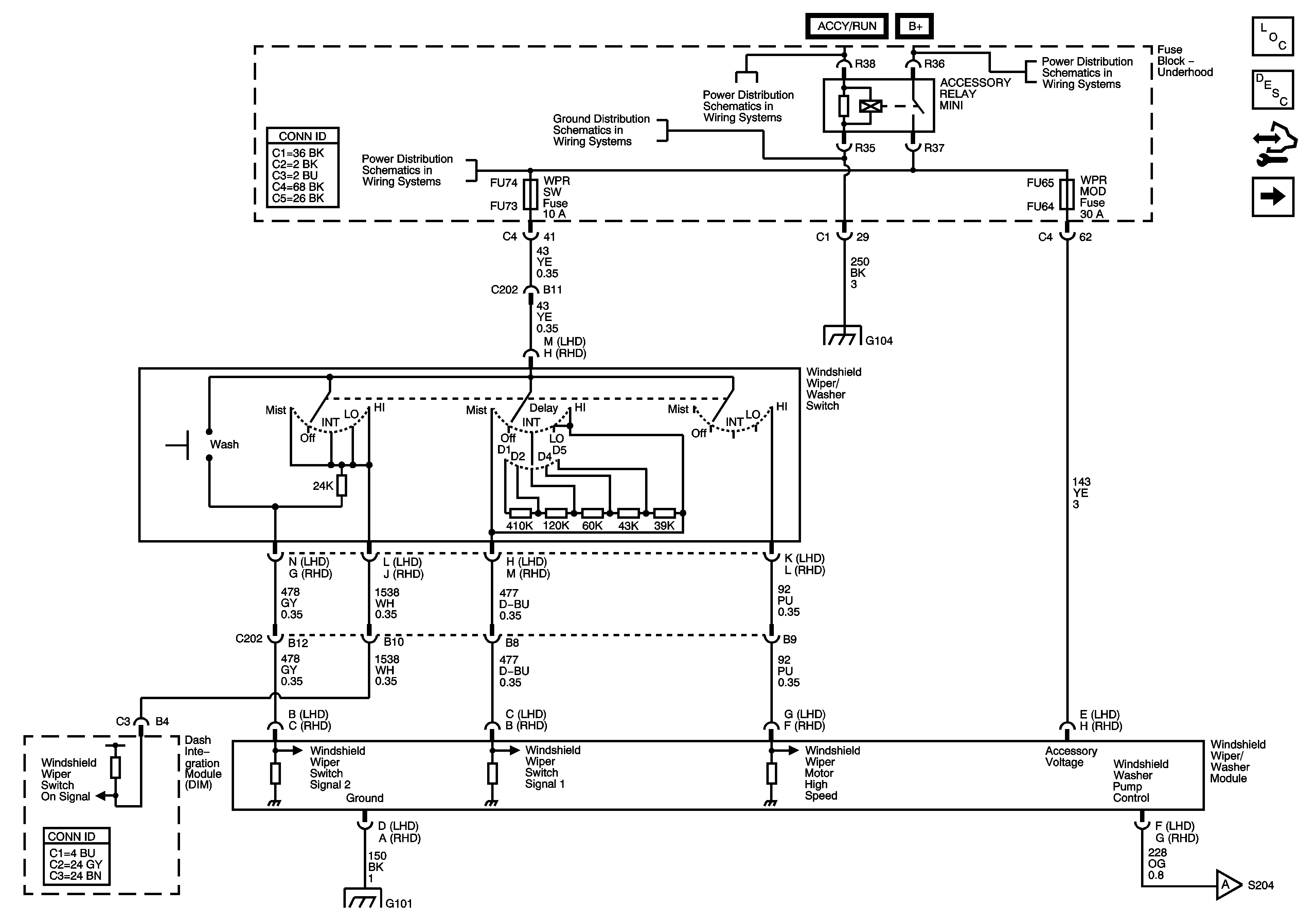
Power, Ground, Windshield Wiper/Washer Switch and Module
Power, Ground, Windshield Wiper/Washer Switch and Module
Master Electrical Component List
Wiper/Washer System Description and Operation
Control Module References
Windshield Washer Fluid Pump, Headlamp Washer Fluid Pump Relay (CEV) and Washer Fluid Level Switch
Underhood Fuse Block Headlamp Relays/Fuses, ACCESSORY Relay, I/P OUTLET, OUTLET, WPR MOD, WPR SW and ELEC PRNDL Fuses
G104 - 1 of 2
Ignition Switch - 2 of 2
Underhood Fuse Block B+ Bus - 2 of 2
G104 - 1 of 2
G101
Windshield Washer Fluid Pump, Headlamp Washer Fluid Pump Relay (CEV) and Washer Fluid Level Switch