GM Service Manual Online
For 1990-2009 cars only
Makes
🢒
Cadillac
🢒
2005
🢒
CTS
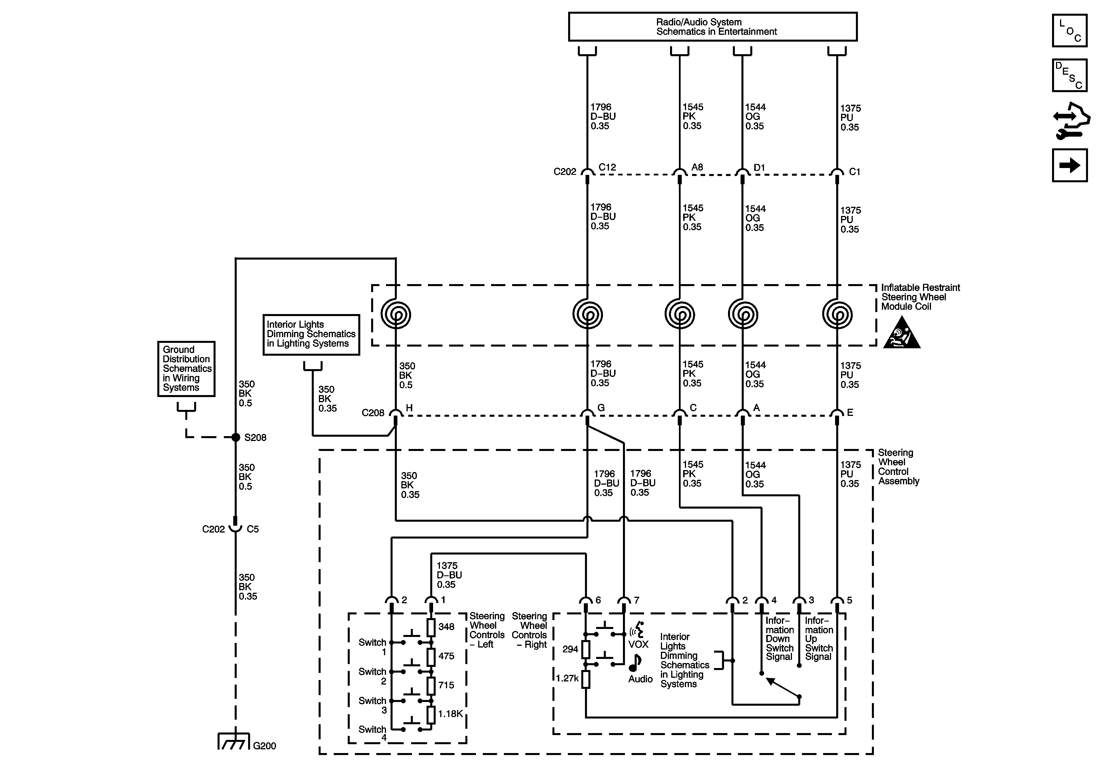
🢒 Steering Wheel Controls - 2.8L/3.6L (LP1/LY7)
Steering Wheel Controls - 2.8L/3.6L (LP1/LY7)
Steering Wheel Controls - 2.8L/3.6L (LP1/LY7)
Master Electrical Component List
Radio/Audio System Description and Operation
Control Module References
Steering Wheel Controls - 5.7L (L56)
Power, Ground, Serial Data and Audio Signal Communication
G200
Steering Wheel Controls Dimming
SIR Caution for Zoning
G200
Steering Wheel Controls Dimming