GM Service Manual Online
For 1990-2009 cars only
Makes
🢒
Cadillac
🢒
2005
🢒
CTS
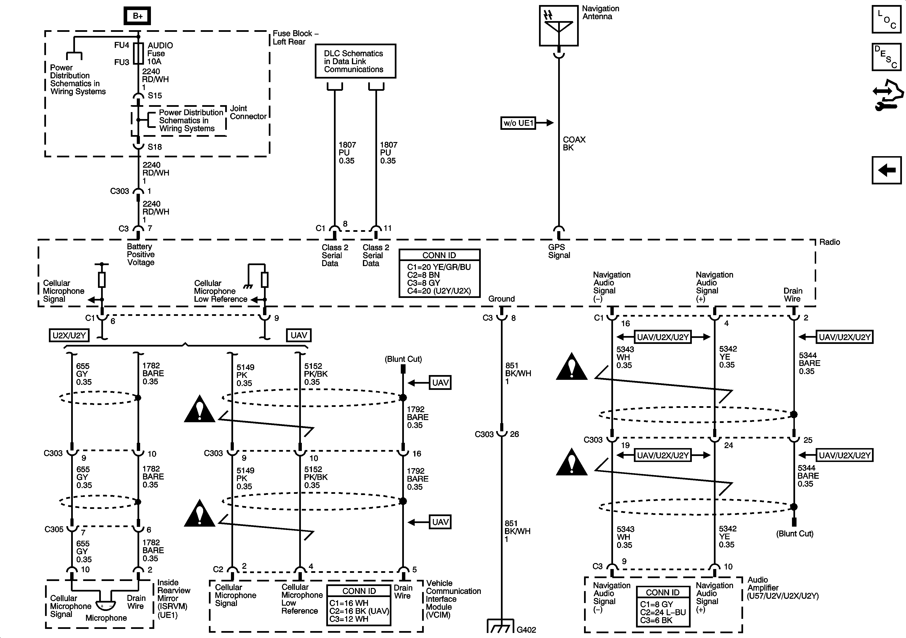
🢒 Navigation Antenna, Radio, Audio Amplifier, VCIM and ISRVM
Navigation Antenna, Radio, Audio Amplifier, VCIM and ISRVM
Navigation Antenna, Radio, Audio Amplifier, VCIM and ISRVM
Master Electrical Component List
Navigation System Description and Operation
Control Module References
Traffic Information Receiver - Japan (U2X/U2Y)
Left Rear Fuse Block B+ Bus
Left Rear Fuse Block SEAT Circuit Breaker, TRUNK Relay/Fuse, AMP, AUDIO, DRIVER DR MOD and REAR DR MOD Fuses
Class 2 Serial Data Bus - LHD - 2 of 2
Navigation System Schematic Icons
Navigation System Schematic Icons
Navigation System Schematic Icons
Navigation System Schematic Icons
G402 - 1 of 2