GM Service Manual Online
For 1990-2009 cars only
Makes
🢒
Cadillac
🢒
2005
🢒
CTS
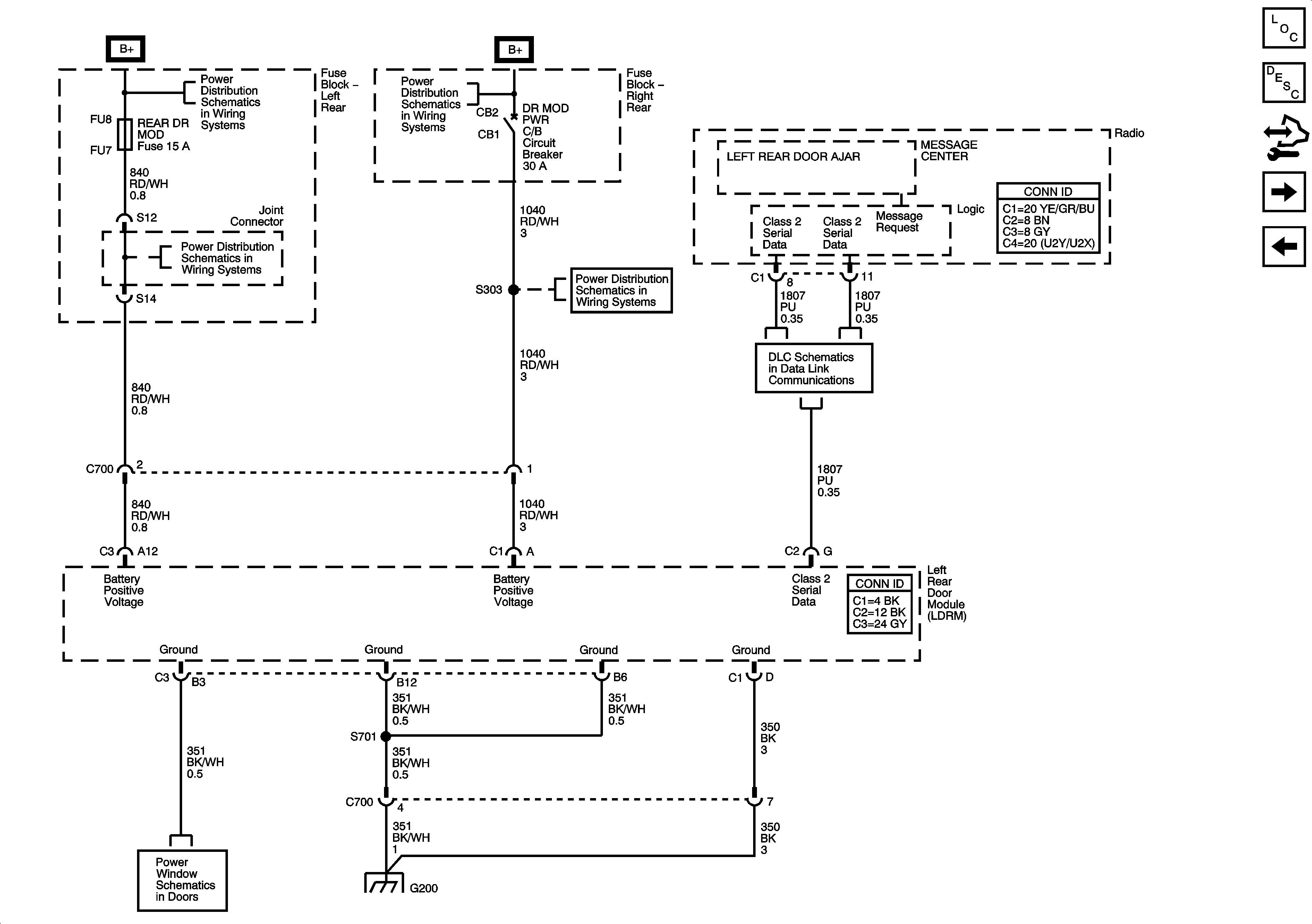
🢒 Left Rear Door Module (LRDM) Power, Ground and Serial Data
Left Rear Door Module (LRDM) Power, Ground and Serial Data
Left Rear Door Module (LRDM) Power, Ground and Serial Data
Master Electrical Component List
Power Door Locks Description and Operation
Control Module References
LRDM Controlled/Monitored Subsystem References
FPDM Controlled/Monitored Subsystem References - 2 of 2
Left Rear Fuse Block B+ Bus
Right Rear Fuse Block B+ Bus
Left Rear Fuse Block SEAT Circuit Breaker, TRUNK Relay/Fuse, AMP, AUDIO, DRIVER DR MOD and REAR DR MOD Fuses
Right Rear Fuse Block DR MOD PWR Circuit Breaker, CANISTER VENT, RIM/IGN SW, R FRT HTD SEAT MOD, and POWER SOUNDER Fuses
Class 2 Serial Data Bus - LHD - 1 of 2
Rear Power Window Switches and Motors
G200