GM Service Manual Online
For 1990-2009 cars only
Makes
🢒
Cadillac
🢒
2005
🢒
CTS
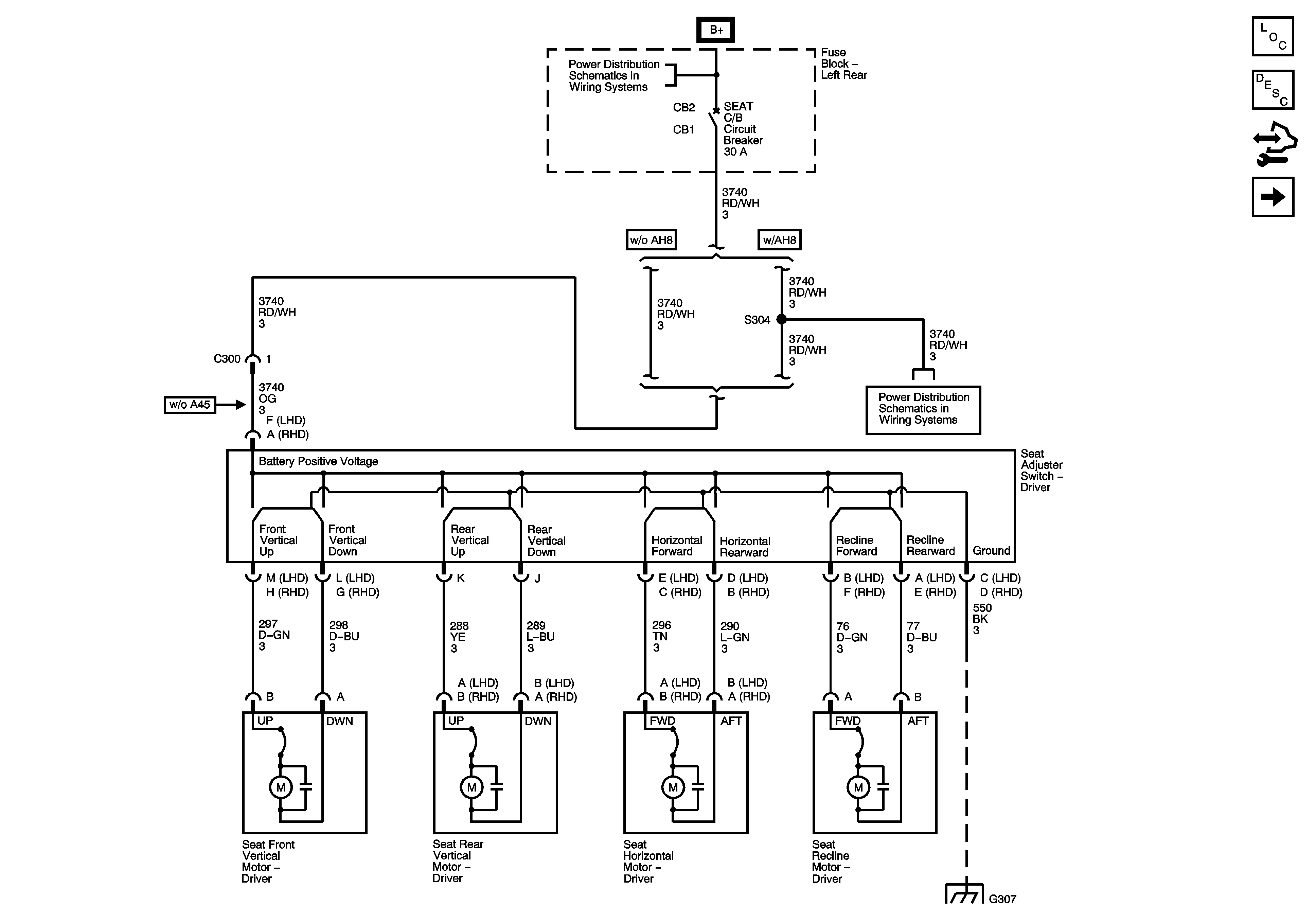
🢒 Power Seat - Driver
Power Seat - Driver
Power Seat - Driver
Master Electrical Component List
Power Seats System Description and Operation
Control Module References
Heated Seat - Driver (KA1)
Left Rear Fuse Block SEAT Circuit Breaker, TRUNK Relay/Fuse, AMP, AUDIO, DRIVER DR MOD and REAR DR MOD Fuses
Left Rear Fuse Block SEAT Circuit Breaker, TRUNK Relay/Fuse, AMP, AUDIO, DRIVER DR MOD and REAR DR MOD Fuses
G307