GM Service Manual Online
For 1990-2009 cars only
Makes
🢒
Cadillac
🢒
2005
🢒
CTS
🢒 Compartment LId Release System
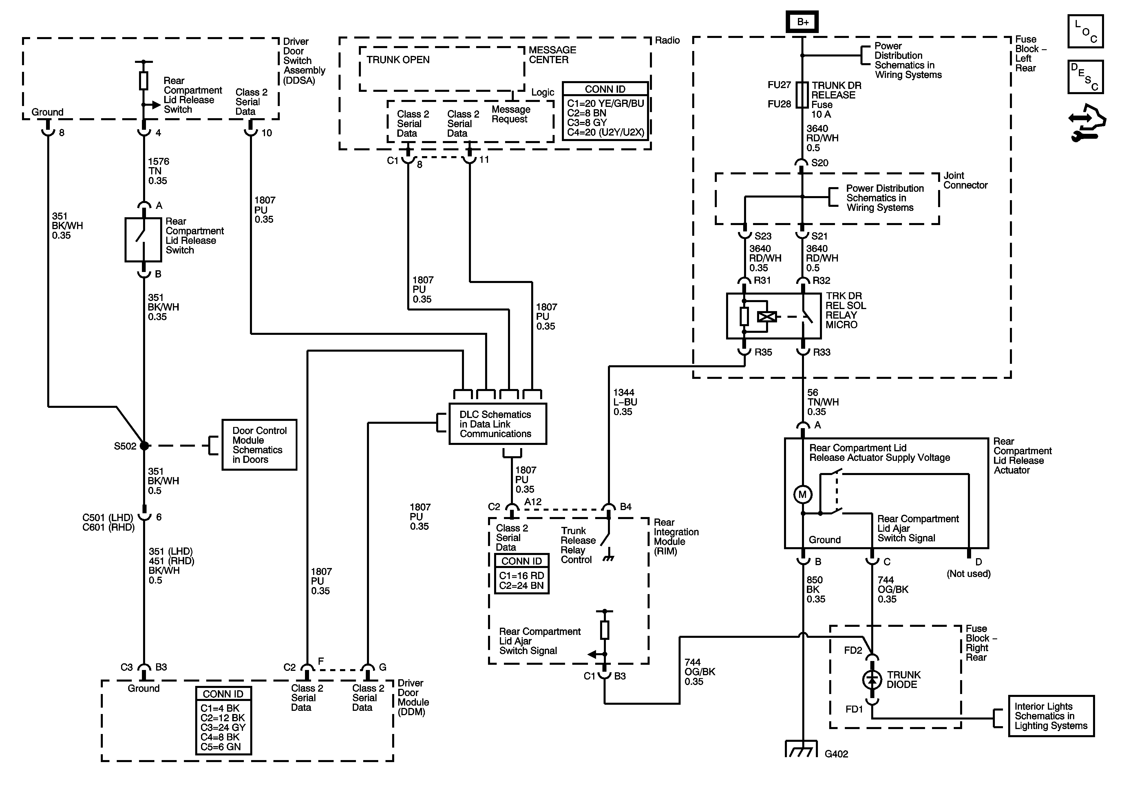
Compartment LId Release System
Master Electrical Component List
Luggage Compartment Description and Operation
Control Module References
Left Rear Fuse Block B+ Bus
Left Rear Fuse Block SEAT Circuit Breaker, TRUNK Relay/Fuse, AMP, AUDIO, DRIVER DR MOD and REAR DR MOD Fuses
Driver Door Module (DDM) Power, Ground and Serial Data
Class 2 Serial Data Bus - LHD - 1 of 2
G402 - 1 of 2
Courtesy Lamps