GM Service Manual Online
For 1990-2009 cars only
Makes
🢒
Cadillac
🢒
2005
🢒
CTS
🢒 Seat Belt
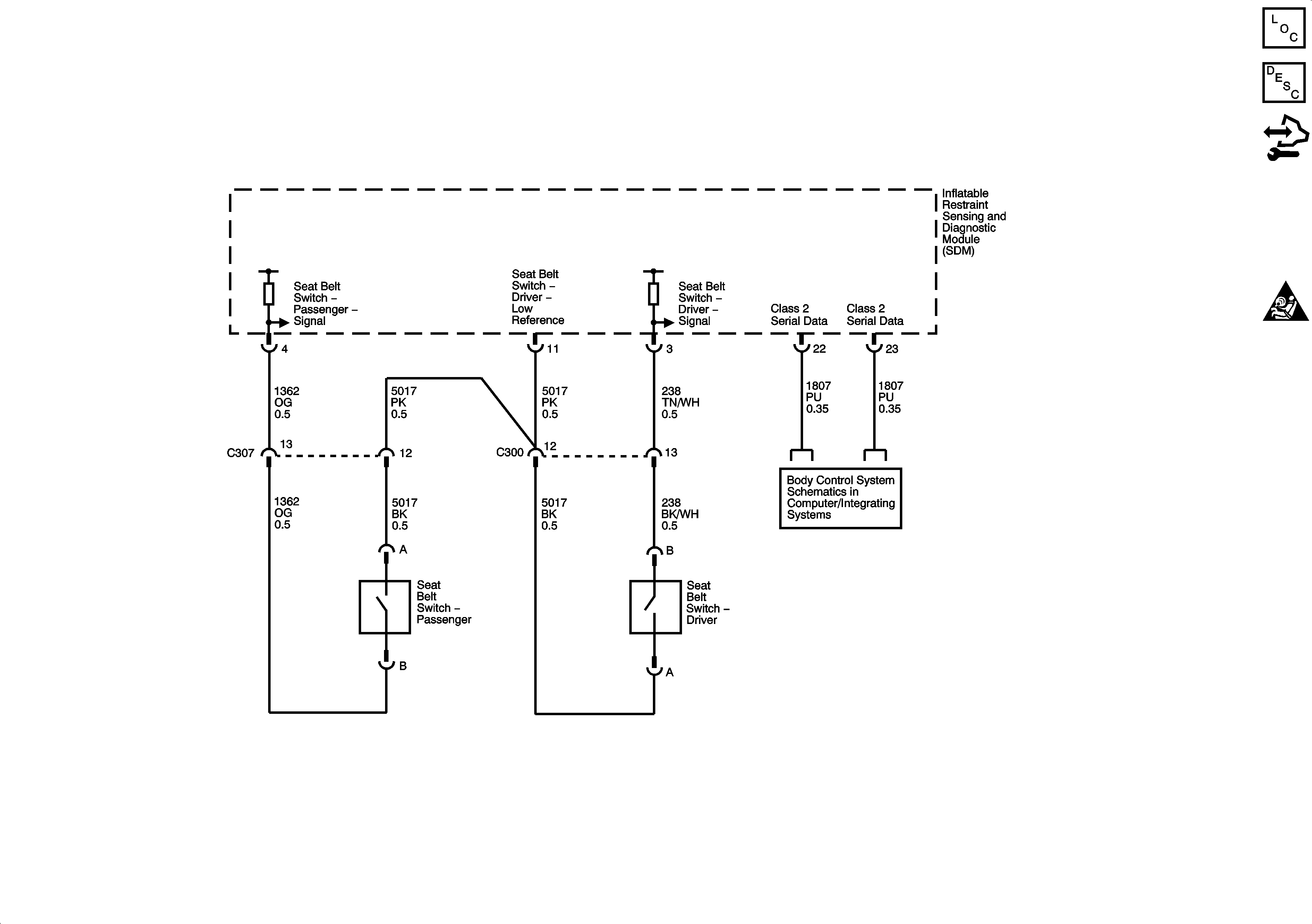
Seat Belt
Master Electrical Component List
Seat Belt System Description and Operation
Control Module References
SIR Caution for Zoning
Class 2 Serial Data Bus - LHD - 2 of 2