GM Service Manual Online
For 1990-2009 cars only
Makes
🢒
Cadillac
🢒
2005
🢒
CTS
🢒 Tire Pressure Monitoring System
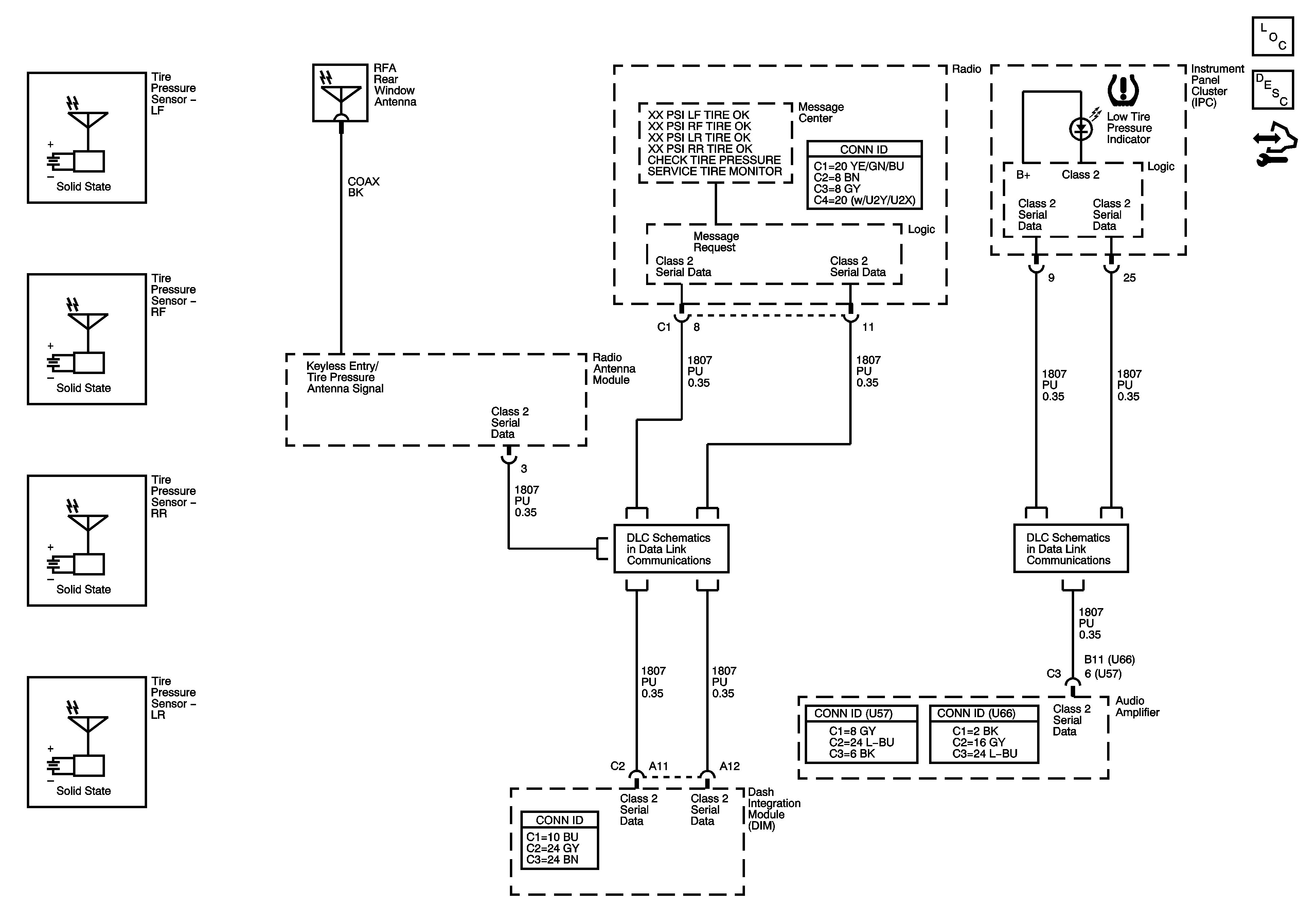
Tire Pressure Monitoring System
Master Electrical Component List
Tire Pressure Monitor Description and Operation
Control Module References
Class 2 Serial Data Bus - LHD - 2 of 2
Class 2 Serial Data Bus - LHD - 1 of 2