GM Service Manual Online
For 1990-2009 cars only
Makes
🢒
Cadillac
🢒
2006
🢒
CTS
🢒
Engine
🢒
Engine Controls - 3.6L
🢒 Engine Controls Schematics
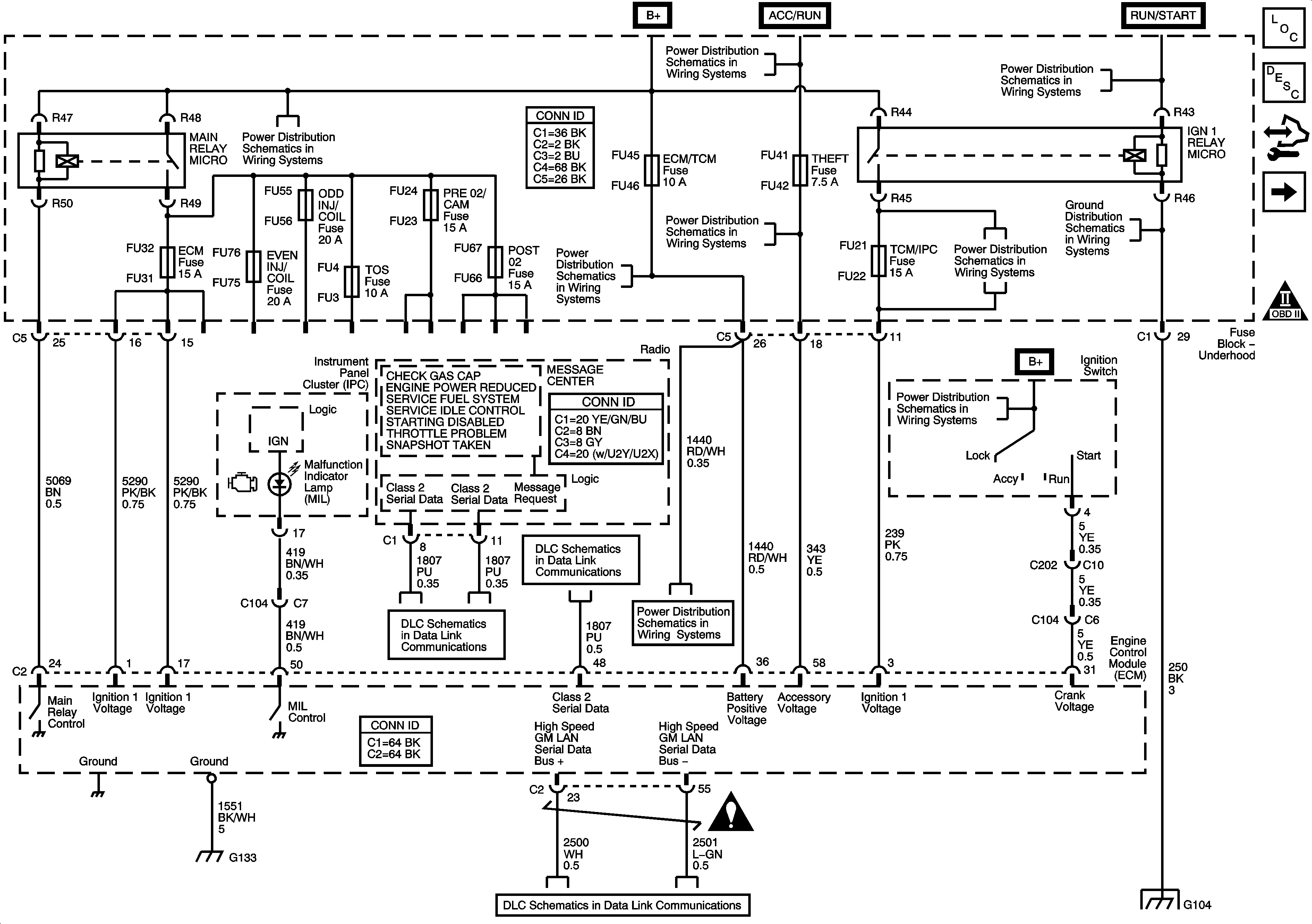
Figure
1:
Power, Ground, Serial Data, DIC, and Indicators
Master Electrical Component List
Engine Control Module Description
Control Module References
Engine Data Sensors - 5-Volt Reference Bus
Engine Controls Schematic Icons
Underhood Fuse Block - COOLING FAN Fuses/Relays, MAIN Relay, ECM and TOS Fuses
Class 2 Serial Data Bus (LHD) - 2 of 2
G130, G131, G132, and G133 (LP1/LY7)
Underhood Fuse Block - DIM/ALDL, VOLT CHECK, FLASHER, CCP, ECM/TCM, and ABS Fuses
Class 2 Serial Data Bus (LHD) - 1 of 2
Underhood Fuse Block - DIM/ALDL, VOLT CHECK, FLASHER, CCP, ECM/TCM, and ABS Fuses
Power, Ground, and GMLAN Bus
Engine Controls Schematic Icons
Underhood Fuse Block B+ Bus - 2 of 2
Underhood Fuse Block B+ Bus - 2 of 2
Underhood Fuse Block B+ Bus - 2 of 2
Ignition Switch - 1 of 2
Ignition Switch - 2 of 2
G104 - 1 of 2
G104 - 1 of 2
Figure
2:
Engine Data Sensors - 5-Volt Reference Bus
Master Electrical Component List
Engine Control Module Description
Control Module References
Engine Data Sensors - Low Reference Bus
Power, Ground, Serial Data, DIC, and Indicators
Engine Controls Schematic Icons
Figure
3:
Engine Data Sensors - Low Reference Bus
Master Electrical Component List
Engine Control Module Description
Control Module References
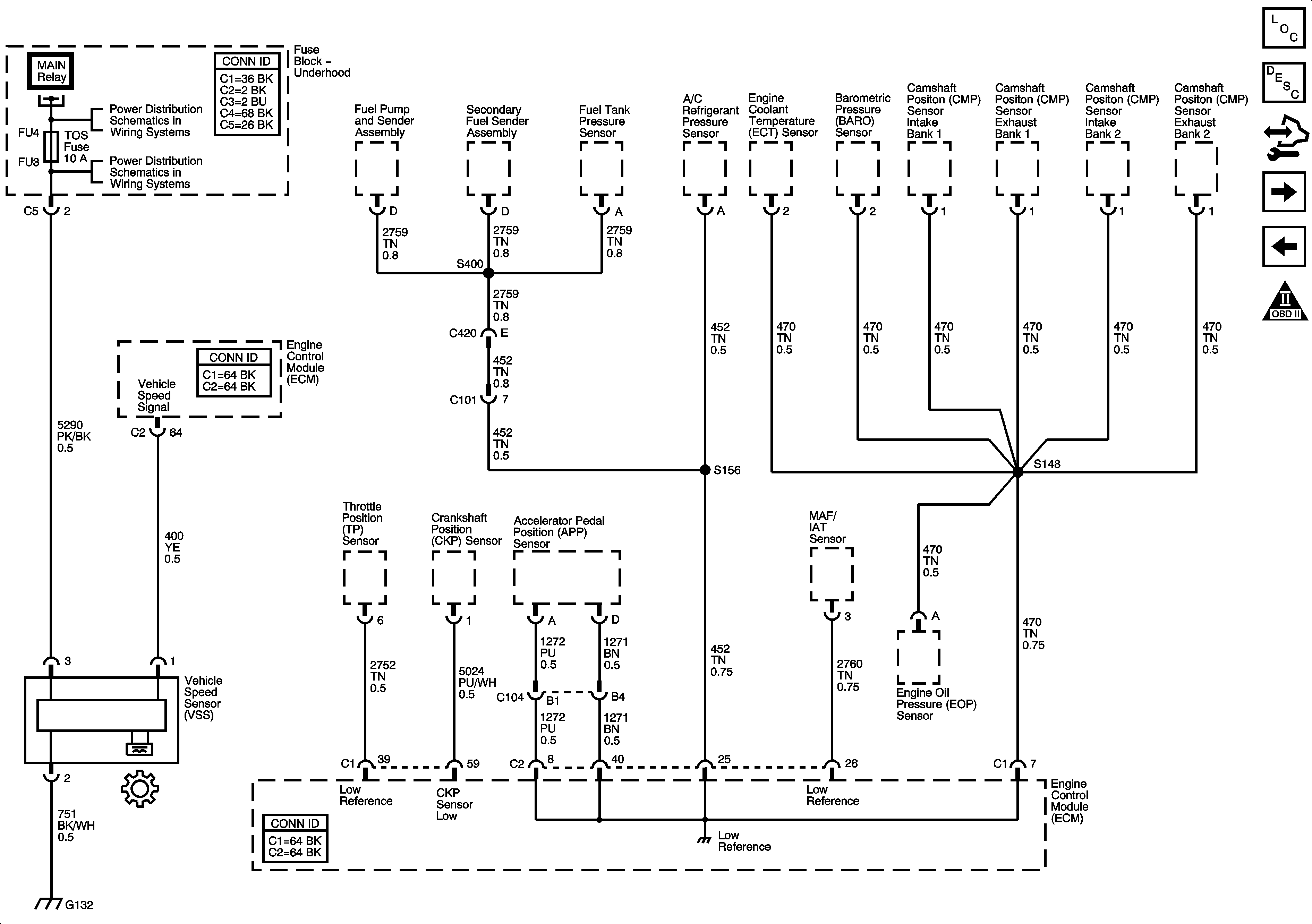
Engine Data Sensors - BARO, ECT, MAF, and IAT Sensors
Engine Data Sensors - 5-Volt Reference Bus
Engine Controls Schematic Icons
Underhood Fuse Block B+ Bus - 2 of 2
Underhood Fuse Block - COOLING FAN Fuses/Relays, MAIN Relay, ECM and TOS Fuses
G130, G131, G132, and G133 (LP1/LY7)
Figure
4:
Engine Data Sensors - BARO, ECT, MAF, and IAT Sensors
Master Electrical Component List
Engine Control Module Description
Control Module References
Engine Data Sensors - Heated Oxygen Sensors (HO2S)
Engine Data Sensors - Low Reference Bus
Engine Controls Schematic Icons
Underhood Fuse Block B+ Bus - 2 of 2
G104 - 1 of 2
Underhood Fuse Block B+ Bus - 2 of 2
Underhood Fuse Block B+ Bus - 2 of 2
Engine Data Sensors - Low Reference Bus
Engine Data Sensors - 5-Volt Reference Bus
Engine Data Sensors - Low Reference Bus
Figure
5:
Engine Data Sensors - Heated Oxygen Sensors (HO2S)
Master Electrical Component List
Engine Control Module Description
Control Module References
Engine Data Sensors - Throttle Actuator Control (TAC) System
Engine Data Sensors - BARO, ECT, MAF, and IAT Sensors
Engine Controls Schematic Icons
Underhood Fuse Block - PRE O2/CAM Fuse
Underhood Fuse Block B+ Bus - 2 of 2
Underhood Fuse Block - PRE O2/CAM Fuse
Engine Controls Schematic Icons
Engine Controls Schematic Icons
Engine Controls Schematic Icons
Underhood Fuse Block B+ Bus - 2 of 2
Engine Controls Schematic Icons
Figure
6:
Engine Data Sensors - Throttle Actuator Control (TAC) System
Master Electrical Component List
Engine Control Module Description
Control Module References
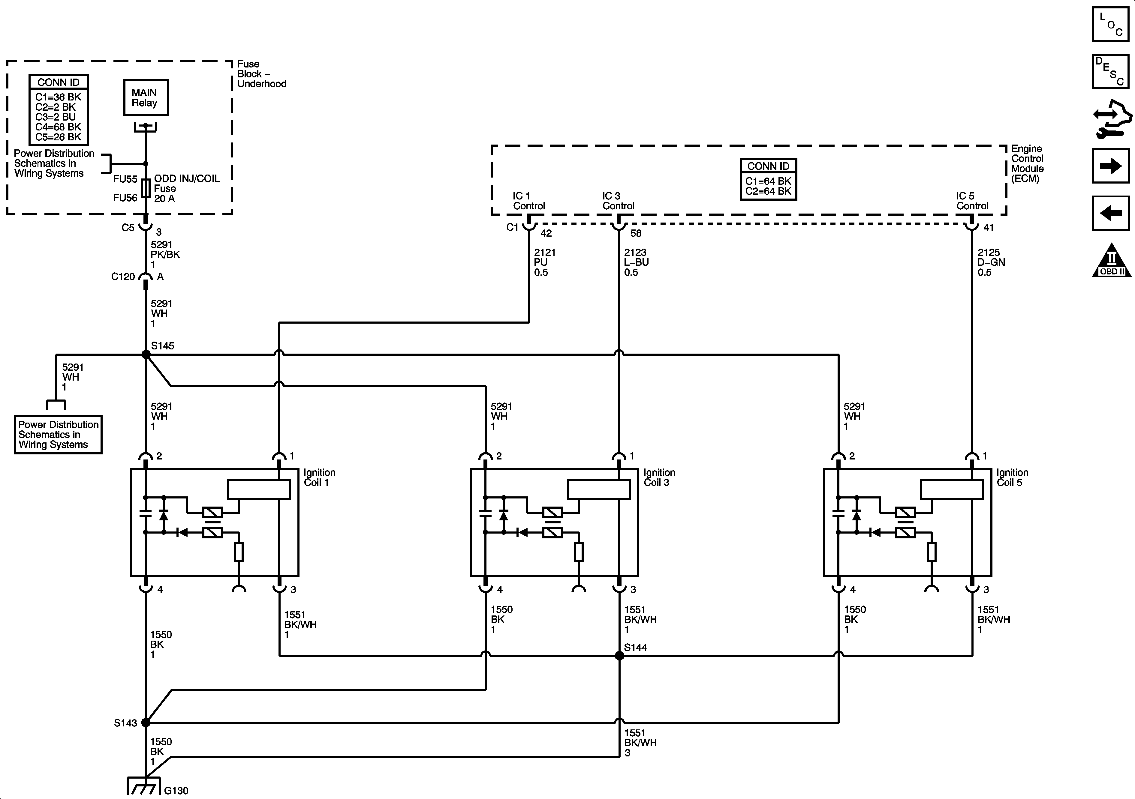
Ignition Controls - Bank 1 Ignition Coils
Engine Data Sensors - Heated Oxygen Sensors (HO2S)
Engine Controls Schematic Icons
Engine Controls Schematic Icons
Figure
7:
Ignition Controls - Bank 1 Ignition Coils
Master Electrical Component List
Engine Control Module Description
Control Module References
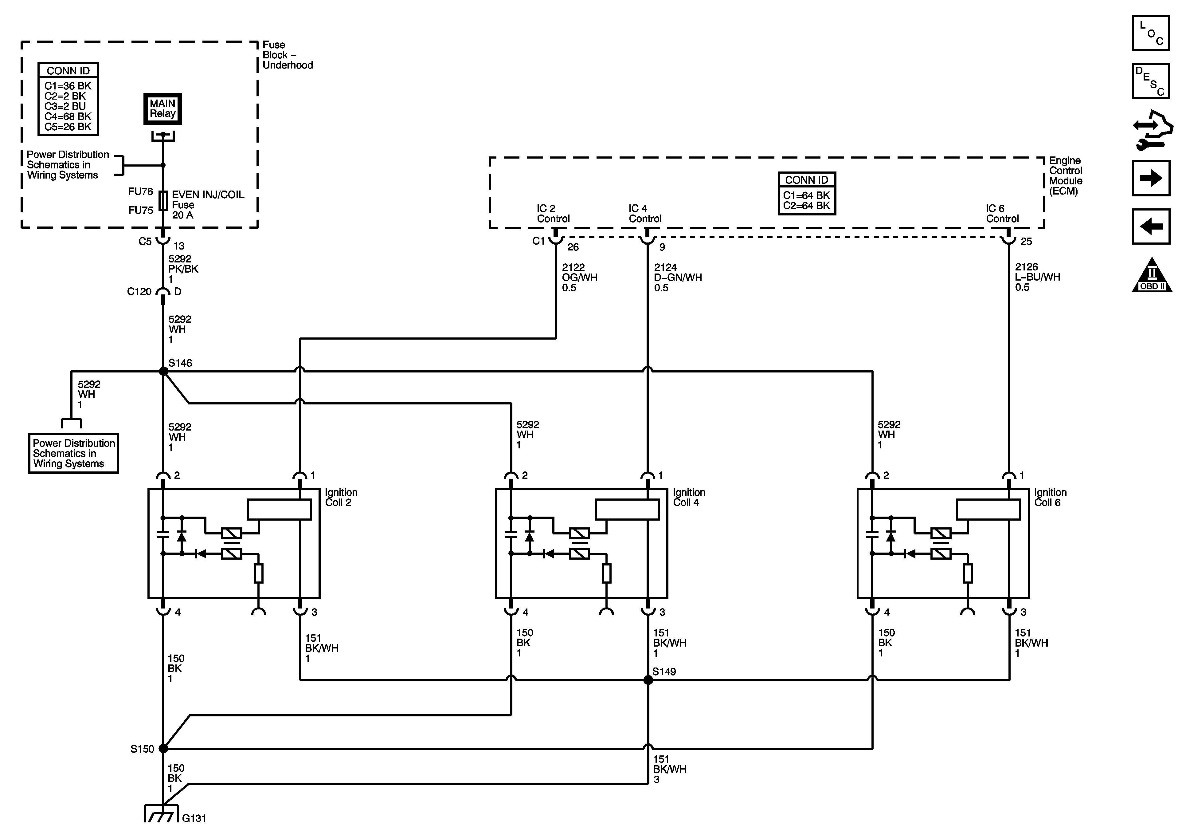
Ignition Controls - Bank 2 Ignition Coils
Engine Data Sensors - Throttle Actuator Control (TAC) System
Engine Controls Schematic Icons
Underhood Fuse Block B+ Bus - 2 of 2
Underhood Fuse Block - ODD INJ/COIL Fuse
Underhood Fuse Block - ODD INJ/COIL Fuse
G130, G131, G132, and G133 (LP1/LY7)
Figure
8:
Ignition Controls - Bank 2 Ignition Coils
Master Electrical Component List
Engine Control Module Description
Control Module References
Ignition Controls - Sensors and CMP Actuator Solenoids
Ignition Controls - Bank 1 Ignition Coils
Engine Controls Schematic Icons
Underhood Fuse Block EVEN INJ/COIL Fuse
Underhood Fuse Block EVEN INJ/COIL Fuse
G130, G131, G132, and G133 (LP1/LY7)
Figure
9:
Ignition Controls - Sensors and CMP Actuator Solenoids
Master Electrical Component List
Engine Control Module Description
Control Module References
Ignition Controls - Crankshaft Position Sensor and Knock Sensors
Ignition Controls - Bank 2 Ignition Coils
Engine Controls Schematic Icons
Underhood Fuse Block B+ Bus - 2 of 2
Underhood Fuse Block - PRE O2/CAM Fuse
Underhood Fuse Block - PRE O2/CAM Fuse
Engine Data Sensors - Pressure, Temperature, and MAF
Figure
10:
Ignition Controls - Crankshaft Position Sensor (CKP) and Knock Sensors (KS)
Master Electrical Component List
Engine Control Module Description
Control Module References
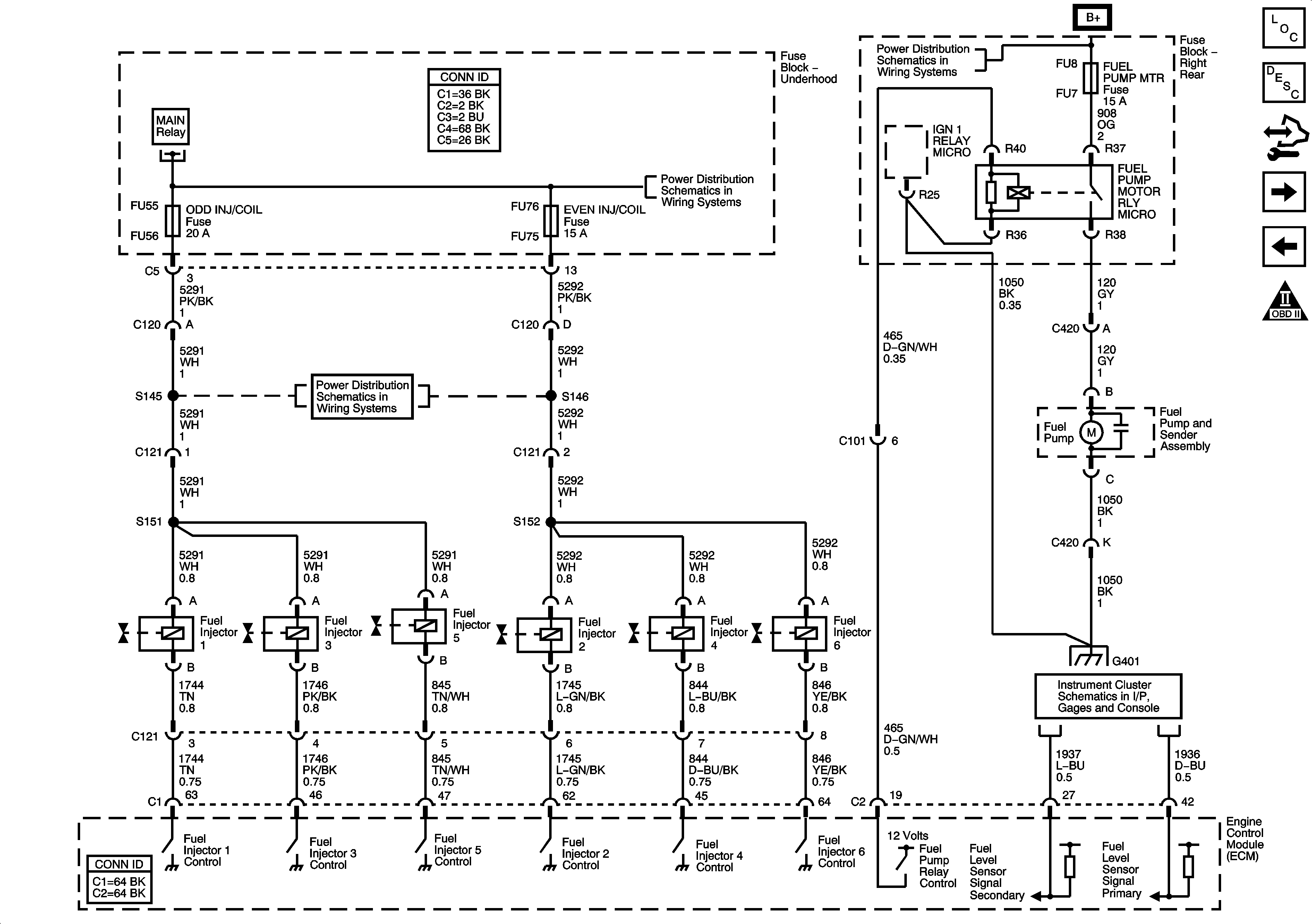
Fuel Controls - Fuel Injectors and Fuel Pump and Sender Assembly
Ignition Controls - Sensors and CMP Actuator Solenoids
Engine Controls Schematic Icons
Engine Controls Schematic Icons
Engine Controls Schematic Icons
Figure
11:
Fuel Controls - Fuel Injectors and Fuel Pump and Sender Assembly
Master Electrical Component List
Engine Control Module Description
Control Module References
Fuel Controls - EVAP Controls and IMRC Solenoid
Ignition Controls - Crankshaft Position Sensor and Knock Sensors
Engine Controls Schematic Icons
Underhood Fuse Block B+ Bus - 2 of 2
Underhood Fuse Block - ODD INJ/COIL Fuse
Underhood Fuse Block B+ Bus - 2 of 2
Right Rear Fuse Block B+ Bus
G401
Gages - 2.8L/3.6L (LP1/LY7)
Figure
12:
Fuel Controls - EVAP Controls and IMRC Solenoid
Master Electrical Component List
Engine Control Module Description
Control Module References
Controlled/Monitored Subsystem References
Fuel Controls - Fuel Injectors and Fuel Pump and Sender Assembly
Engine Controls Schematic Icons
Underhood Fuse Block B+ Bus - 2 of 2
Underhood Fuse Block B+ Bus - 2 of 2
Underhood Fuse Block B+ Bus - 2 of 2
Underhood Fuse Block - PRE O2/CAM Fuse
Engine Data Sensors - Low Reference Bus
Engine Data Sensors - 5-Volt Reference Bus
Engine Data Sensors - Low Reference Bus
Right Rear Fuse Block - DR MOD PWR Circuit Breaker, CANISTER VENT, RIM/IGN SW, R FRT HTD SEAT MOD, and POWER SOUNDER Fuses
Figure
13:
Controlled/Monitored Subsystem References
Master Electrical Component List
Engine Control Module Description
Control Module References
Fuel Controls - EVAP Controls and IMRC Solenoid
Engine Controls Schematic Icons
Starting System - 2.8L/3.6L (LP1/LY7)
Power, Ground, Serial Data, and DIC
Engine Oil Pressure (EOP) sensor, Engine Oil Level/Temperature Sensor, TFT Indicator
A/C Compressor Controls - 2.8L/3.6L (LP1/LY7)
Cooling Fans 2.8L/3.6L (LP1/LY7)
BPP Sensor, Switches, and Indicators - 2.8L/3.6L (LP1/LY7)
Cruise Control System - 2.8L/3.6L (LP1/LY7)
Power, Ground, Serial Data, TCM, and Internal Mode Switch (IMS)