| Figure 1: |
Power, Ground, and GMLAN Bus
|
| Figure 2: |
Class 2 Serial Data Bus - LHD - 1 of 2
|
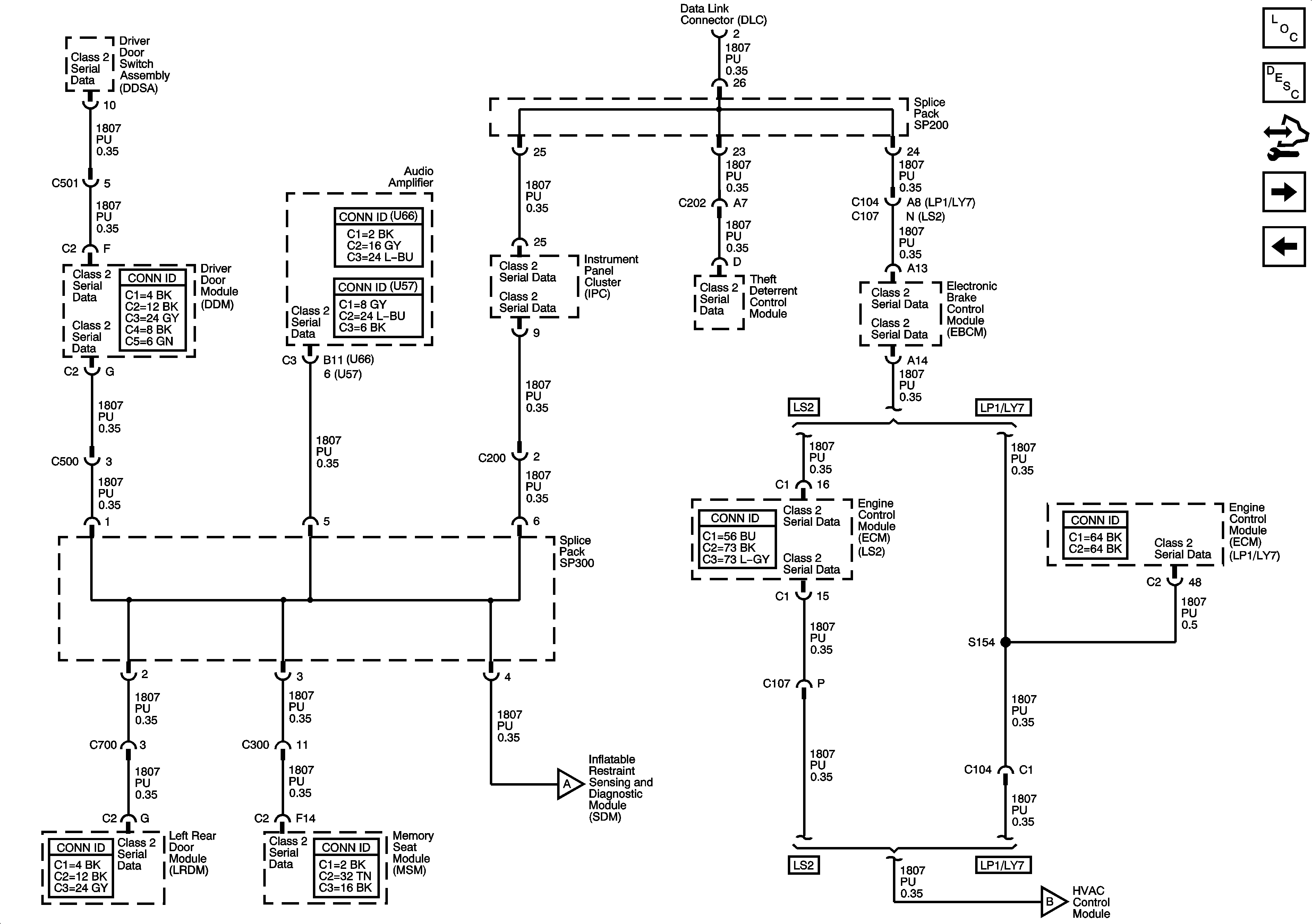
| Figure 3: |
Class 2 Serial Data Bus - LHD - 2 of 2
|
| Figure 4: |
Class 2 Serial Data Bus - RHD - 1 of 2
|
| Figure 5: |
Class 2 Serial Data Bus - RHD - 2 of 2
|