GM Service Manual Online
For 1990-2009 cars only
Figure 1:

Power, Ground, Windshield Wiper/Washer Switch, and Module


Object Number: 1471012  Size: FS
Master Electrical Component List
Wiper/Washer System Description and Operation
Control Module References
Windshield Washer Pump and Headlamp Washer and Washer Fluid Level Switch
Underhood Fuse Block - HEADLAMP Relays/Fuses, ACCESSORY Relay, I/P OUTLET, OUTLET, WPR MOD, WPR SW, and ELEC PRNDL Fuses
G101
G104 - 1 of 2
Ignition Switch - 2 of 2
G104 - 1 of 2
Underhood Fuse Block B+ Bus - 2 of 2
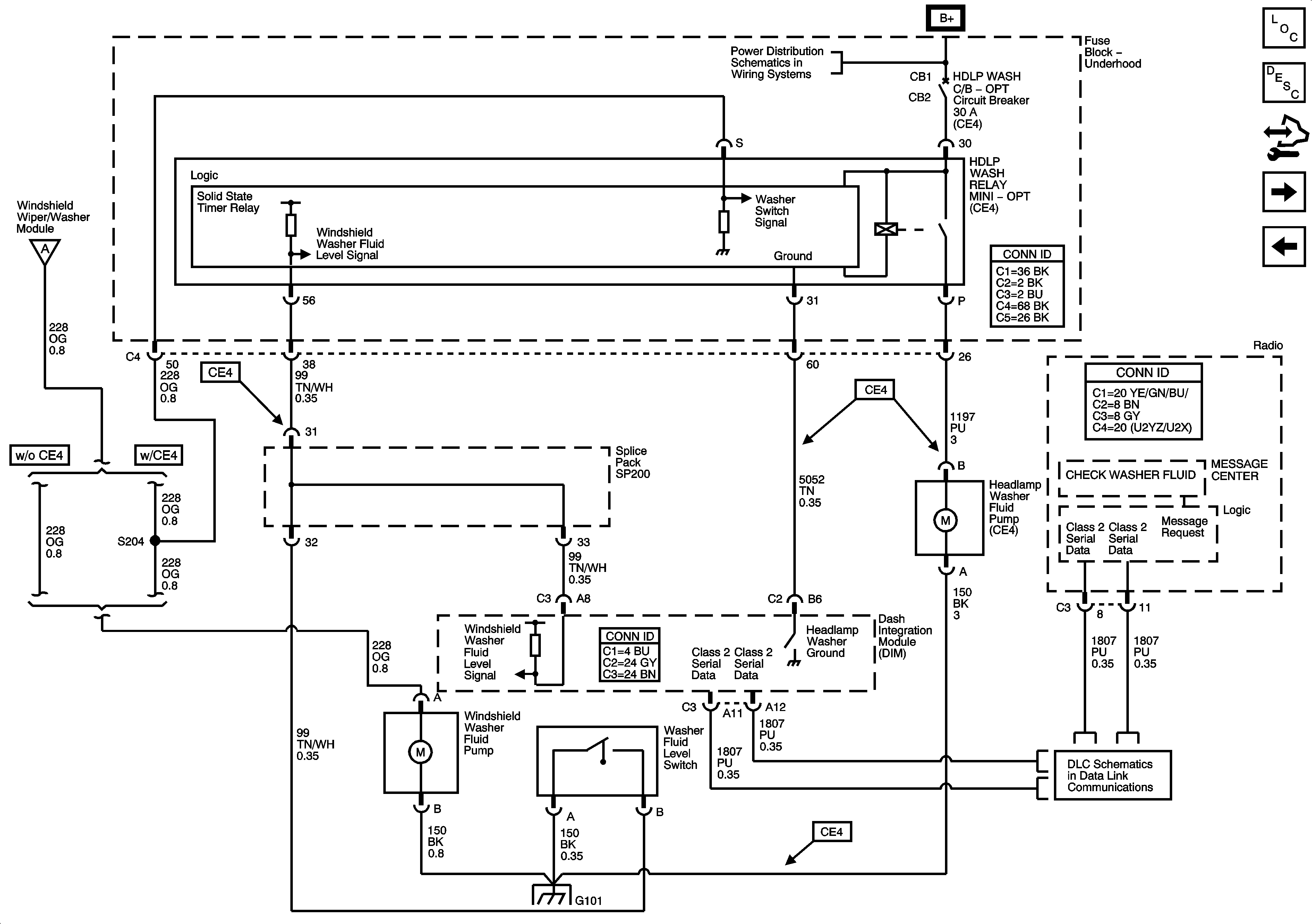
Windshield Washer Pump and Headlamp Washer and Washer Fluid Level Switch
Figure 2:

Windshild Washer Pump and Headlamp Washer and Washer Fluid Level Switch


Object Number: 1471016  Size: FS
Master Electrical Component List
Wiper/Washer System Description and Operation
Control Module References
Heated Washer Nozzles (XA7)
Power, Ground, Windshield Wiper/Washer Switch and Module
Power, Ground, Windshield Wiper/Washer Switch and Module
G101
Underhood Fuse Block B+ Bus - 1 of 2
Class 2 Serial Data Bus (LHD) - 2 of 2
Figure 3:

Heated Washer Nozzles (XA7)


Object Number: 1471018  Size: FS
Master Electrical Component List
Wiper/Washer System Description and Operation
Control Module References
Windshield Washer Pump and Headlamp Washer and Washer Fluid Level Switch
Ignition Switch - 2 of 2
G104 - 1 of 2
Underhood Fuse Block B+ Bus - 2 of 2
Underhood Fuse Block - WASH NOZ, STRG CTLS, and IGN MOD/MAF Fuses
G104 - 1 of 2
G101